Vous trouverez ici toutes les pièces et dessins disponibles du 'Bosch 3601B92901 ( GSS280AVE )'. De là, vous pouvez commander directement toutes les pièces souhaitées. De nombreuses pièces doivent être commandées auprès du fabricant, selon la marque, cela prend une à quatre semaines. Toutes les informations dont nous disposons se trouvent sur notre site Web, nous ne pouvons pas vous conseiller sur ce dont vous avez besoin, pour cela vous devrez retourner la machine pour réparation. Veuillez noter ce qui suit lors de la commande:
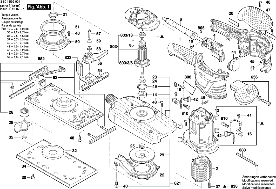
Dessins des Bosch 3601B92901 ( GSS280AVE )
Liste de pièces de rechange des Bosch 3601B92901 ( GSS280AVE )
| Pos. | Description | Prix hors TVA | Prix TTC | |
| Les prix affichés incluent la TVA | ||||
| Coquille BLEU | ||||
| 1 | 2605105964 | 37.50 | 45.00 | |
| Épanouissement Polaire 230-240V | ||||
| 2 | 2604220750 | 33.33 | 40.00 | |
| Commutateur | ||||
| 4 | 2607200688 | 13.90 | 16.68 | |
| Manchon Ø6,4-Ø7,2x76 MM | ||||
| 6 | 2600703017 | 2.18 | 2.62 | |
| Plaque De Marque GSS 280 AVE | ||||
| 9 | 2601112338 | 2.18 | 2.62 | |
| Roulement A Billes Rigide | ||||
| 14 | 1619P00290 | 5.96 | 7.15 | |
| Porte-Balais | ||||
| 16 | 2604337003 | 1.90 | 2.28 | |
| Vis A Tete Bombee Torx 3x10 | ||||
| 19 | 2603490017 | 1.90 | 2.28 | |
| Plaquette Indicatrice | ||||
| 20 | 2601111477 | 2.18 | 2.62 | |
| Piece D’aspiration | ||||
| 22 | 2601328095 | 3.71 | 4.45 | |
| Anneau de retenue DIN 471 9x1MM | ||||
| 23 | 2916640006 | 1.32 | 1.58 | |
| Joint | ||||
| 24 | 2600590013 | 1.90 | 2.28 | |
| Bague V | ||||
| 25 | 2600290030 | 2.52 | 3.02 | |
| Roulement A Billes Rigide | ||||
| 26 | 3608872913 | 26.62 | 31.94 | |
| Excentrique | ||||
| 28 | 2602210046 | 17.60 | 21.12 | |
| Ventilateur | ||||
| 29 | 2606610086 | 7.32 | 8.78 | |
| Vis autotaradeuse p. défo M4x8 | ||||
| 30 | 2603410048 | 1.32 | 1.58 | |
| Joint A Lèvres | ||||
| 31 | 2600290036 | 3.71 | 4.45 | |
| Couvercle d'étanchéité | ||||
| 32 | 2600500019 | 1.32 | 1.58 | |
| Plateau Meulage | ||||
| 34 | 2600009020 | 45.52 | 54.62 | |
| Ecrou Hex DIN 439-BM8-04 | ||||
| 35 | 2915051107 | 1.32 | 1.58 | |
| Vis à Tôle | ||||
| 37 | 2603435086 | 1.32 | 1.58 | |
| Vis autotaradeuse p. défo | ||||
| 40 | 2603435042 | 1.32 | 1.58 | |
| Vis A Tete Bombee Torx 3x10 | ||||
| 41 | 2603490017 | 1.90 | 2.28 | |
| Boite Antiparasite | ||||
| 42 | 2604465115 | 6.53 | 7.84 | |
| Element Amortisseur | ||||
| 43 | 2603203041 | 1.32 | 1.58 | |
| Regulateur De Vitesse 230-240V | ||||
| 44 | 1607233556 | 37.50 | 45.00 | |
| Ecrou Carre DIN 562-M6-04 | ||||
| 45 | 2915121006 | 2.18 | 2.62 | |
| Vis A Tete Bombee Torx 4x20 | ||||
| 46 | 2603490023 | 1.00 | 1.20 | |
| Couvercle De Carter | ||||
| 47 | 2605500208 | 9.53 | 11.44 | |
| Vis 4x16 | ||||
| 48 | 2603490022 | 1.00 | 1.20 | |
| Poussoir | ||||
| 49 | 2601035002 | 1.90 | 2.28 | |
| Support D’aspiration | ||||
| 50 | 2601328054 | 3.04 | 3.65 | |
| Bande De Feutre | ||||
| 51 | 2601005017 | 1.32 | 1.58 | |
| Etrier De Tension | ||||
| 54 | 2609200379 | 13.90 | 16.68 | |
| Levier | ||||
| 56 | 2601901021 | 5.27 | 6.32 | |
| Vis autotaradeuse p. défo | ||||
| 57 | 2603410051 | 1.00 | 1.20 | |
| Rondelle Elastique | ||||
| 58 | 2600100713 | 1.00 | 1.20 | |
| Boite De Guidage | ||||
| 59 | 2600499078 | 1.90 | 2.28 | |
| Listel De Pression | ||||
| 61 | 2601014021 | 3.71 | 4.45 | |
| Ressort Action Angulaire | ||||
| 62 | 2604651029 | 2.52 | 3.02 | |
| Collecteur De Poussiere | ||||
| 655 | 2605411234 | 91.33 | 109.60 | |
| Poignee Auxiliaire NOIR | ||||
| 656 | 2602026175 | 13.90 | 16.68 | |
| Outil De Poinconnage | ||||
| 657 | 2608190030 | 17.60 | 21.12 | |
| Tournevis Coude | ||||
| 680 | 1907950006 | 3.71 | 4.45 | |
| Cle Male Coudee Pour Vis | ||||
| 680 | 2610364015 | 3.04 | 3.65 | |
| Induit 230-240V | ||||
| 803 | 2604011952 | 91.33 | 109.60 | |
| Roulement A Billes Rigide 7x19x6 | ||||
| 803/13 | 2600905086 | 5.27 | 6.32 | |
| Ventilateur | ||||
| 803/3/6 | 2606610076 | 3.04 | 3.65 | |
| Câble d alimentation EU 230V 4,15m 2 x 1,0mm H05 | ||||
| 805 | 1607000386 | 17.60 | 21.12 | |
| Plaque signalétique | ||||
| 808 | 160111A340 | 2.18 | 2.62 | |
| Plus disponible, pas de remplacement | ||||
| 810 | 1607014117 | |||
| Capot D’aspiration | ||||
| 821 | 2605510904 | 61.93 | 74.32 | |
| Ressort Oscillant 4 PIÈCES | ||||
| 833 | 2608005902 | 13.90 | 16.68 | |
| Carter De Moteur BLEU | ||||
| 836 | 2605105966 | 22.88 | 27.46 | |
| Plaque Vibrante | ||||
| 852 | 2601099902 | 102.63 | 123.16 | |