Vous trouverez ici toutes les pièces et dessins disponibles du 'Bosch 0601934655 ( GSR9,6VES-1 )'. De là, vous pouvez commander directement toutes les pièces souhaitées. De nombreuses pièces doivent être commandées auprès du fabricant, selon la marque, cela prend une à quatre semaines. Toutes les informations dont nous disposons se trouvent sur notre site Web, nous ne pouvons pas vous conseiller sur ce dont vous avez besoin, pour cela vous devrez retourner la machine pour réparation. Veuillez noter ce qui suit lors de la commande:
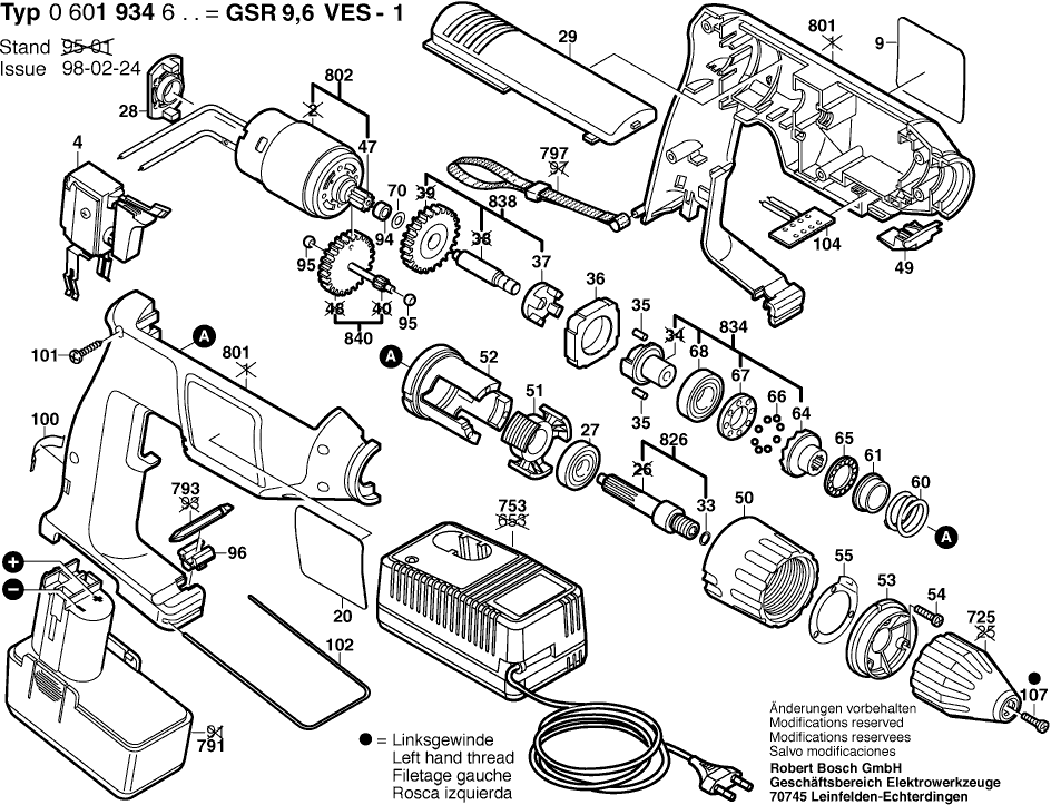
Dessins des Bosch 0601934655 ( GSR9,6VES-1 )
Liste de pièces de rechange des Bosch 0601934655 ( GSR9,6VES-1 )
| Pos. | Description | Prix hors TVA | Prix TTC | |
| Les prix affichés incluent la TVA | ||||
| Plus disponible, pas de remplacement | ||||
| 4 | 2607200309 | |||
| Plaque De Marque CÔTÉ SOLEIL | ||||
| 9 | 2601118446 | 2.71 | 3.25 | |
| Plaquette Indicatrice CÔTÉ OMBRE | ||||
| 20 | 2601118447 | 2.71 | 3.25 | |
| Roulement A Billes Rigide | ||||
| 27 | 1900905127 | 26.62 | 31.94 | |
| Insert D Adaptateur NOIR | ||||
| 28 | 2605719007 | 1.18 | 1.42 | |
| Insertion NOIR | ||||
| 29 | 2605510120 | 1.18 | 1.42 | |
| Anneau élastique | ||||
| 33 | 2604601004 | 1.32 | 1.58 | |
| Corps De Rouleau | ||||
| 35 | 2602329024 | 1.18 | 1.42 | |
| Segment de retenue | ||||
| 36 | 2600202025 | 4.70 | 5.64 | |
| Entraîneur | ||||
| 37 | 2606440002 | 2.24 | 2.69 | |
| Pignon Z=11 | ||||
| 47 | 2606316112 | 3.71 | 4.45 | |
| Insertion NOIR | ||||
| 49 | 2605510117 | 1.32 | 1.58 | |
| Bague De Reglage | ||||
| 50 | 2605190041 | 7.58 | 9.10 | |
| Piece Glissante | ||||
| 51 | 2608005044 | 3.31 | 3.97 | |
| Plus disponible, pas de remplacement | ||||
| 52 | 2600499027 | |||
| Manchon De Serrage | ||||
| 53 | 2608005045 | 2.71 | 3.25 | |
| Vis A Tete Bombee Torx 4x25 | ||||
| 54 | 2603490024 | 1.32 | 1.58 | |
| Rondelle D’arret | ||||
| 55 | 2600190056 | 1.18 | 1.42 | |
| Plus disponible, pas de remplacement | ||||
| 60 | 2604619004 | |||
| Plus disponible, pas de remplacement | ||||
| 61 | 2607001126 | |||
| Demi-Accouplement | ||||
| 64 | 2606490047 | 4.70 | 5.64 | |
| Cage A Billes | ||||
| 65 | 2600923001 | 2.71 | 3.25 | |
| Bille DIN 5401-4 MM-III-ST | ||||
| 66 | 1903230007 | 1.32 | 1.58 | |
| Demi-Accouplement | ||||
| 67 | 2606436001 | 4.10 | 4.92 | |
| Roulement A Billes Rigide 15x32x9 | ||||
| 68 | 1900905122 | 8.48 | 10.18 | |
| Rondelle De Compensation 0,5 MM | ||||
| 70 | 2600100695 | 1.32 | 1.58 | |
| Bague En Metal Fritte | ||||
| 94 | 2600301011 | 1.32 | 1.58 | |
| Bague En Metal Fritte | ||||
| 95 | 2600302002 | 1.32 | 1.58 | |
| Support | ||||
| 96 | 2608040131 | 1.70 | 2.04 | |
| Ressort De Serrage | ||||
| 100 | 2601322016 | 1.90 | 2.28 | |
| Vis à Tôle DIN7981-ST3,9x19-F-Z | ||||
| 101 | 2912401420 | 1.00 | 1.20 | |
| Etrier de blocage | ||||
| 102 | 2601329041 | 1.32 | 1.58 | |
| Porte-Contact | ||||
| 104 | 2608018004 | 5.27 | 6.32 | |
| Vis à tête fraisée M6x38/12(Ø10) FILET À GAUCHE | ||||
| 107 | 2603421218 | 1.94 | 2.33 | |
| Plus disponible, pas de remplacement | ||||
| 725 | 2608572053 | |||
| Chargeur Rapide EU 230/7,2-24V, 1h | ||||
| 753 | 2607224425 | 130.32 | 156.38 | |
| Chargeur Rapide EU 230/7,2-14,4V, 30 MIN. | ||||
| 753 | 2607224701 | 101.94 | 122.33 | |
| Groupe D’accus En Baie 9,6V, 1,5 Ah, NiCd | ||||
| 791 | 2607336143 | 101.94 | 122.33 | |
| Lame De Tournevis | ||||
| 793 | 2608521018 | 3.71 | 4.45 | |
| Plus disponible, pas de remplacement | ||||
| 797 | 2601398009 | |||
| Poignee Couvercle BLEU | ||||
| 801 | 2605104851 | 13.93 | 16.72 | |
| Moteur à Courant Continu 9,6V | ||||
| 802 | 2607022918 | 29.75 | 35.70 | |
| Broche De Percage 1/2" | ||||
| 826 | 2606309034 | 13.93 | 16.72 | |
| Excentrique | ||||
| 834 | 2602210904 | 26.84 | 32.21 | |
| Arbre Intermediaire | ||||
| 838 | 2606309923 | 15.71 | 18.85 | |
| Arbre Dentele Z=81 | ||||
| 840 | 2606308919 | 10.73 | 12.88 | |
| Pas d'informations disponibles, non commandable | ||||
| 899 | 0601934627 | |||