Vous trouverez ici toutes les pièces et dessins disponibles du 'Bosch 06019486AE ( GSR9,6VE-2 )'. De là, vous pouvez commander directement toutes les pièces souhaitées. De nombreuses pièces doivent être commandées auprès du fabricant, selon la marque, cela prend une à quatre semaines. Toutes les informations dont nous disposons se trouvent sur notre site Web, nous ne pouvons pas vous conseiller sur ce dont vous avez besoin, pour cela vous devrez retourner la machine pour réparation. Veuillez noter ce qui suit lors de la commande:
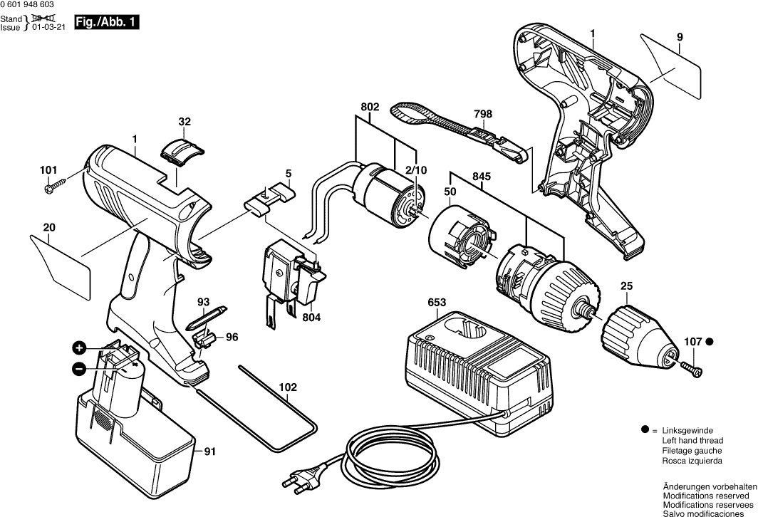
Dessins des Bosch 06019486AE ( GSR9,6VE-2 )
Liste de pièces de rechange des Bosch 06019486AE ( GSR9,6VE-2 )
| Pos. | Description | Prix hors TVA | Prix TTC | |
| Les prix affichés incluent la TVA | ||||
| Coquille BLEU | ||||
| 1 | 2605104652 | 18.19 | 21.83 | |
| Pignon | ||||
| 2/10 | 2606316182 | 1.32 | 1.58 | |
| Plus disponible, pas de remplacement | ||||
| 5 | 2601099085 | |||
| Plaque De Marque CÔTÉ SOLEIL | ||||
| 9 | 2601119746 | 3.31 | 3.97 | |
| Plaquette Indicatrice CÔTÉ OMBRE | ||||
| 20 | 2601119747 | 3.31 | 3.97 | |
| Mandrin Automatique | ||||
| 25 | 2608572164 | 44.82 | 53.78 | |
| Plus disponible, pas de remplacement | ||||
| 32 | 2601099086 | |||
| Bride Intermediaire | ||||
| 50 | 2605719027 | 2.18 | 2.62 | |
| Groupe D’accus En Baie 9,6V, 2,6Ah,CS,NiMh | ||||
| 91 | 2607335229 | 187.62 | 225.14 | |
| Lame De Tournevis | ||||
| 93 | 2608521018 | 3.71 | 4.45 | |
| Support | ||||
| 96 | 2608040131 | 1.70 | 2.04 | |
| Vis A Tete Bombee Torx 3x18 | ||||
| 101 | 2603490018 | 1.00 | 1.20 | |
| Etrier de blocage | ||||
| 102 | 2601329041 | 1.32 | 1.58 | |
| Vis à tête fraisée M6x23 FILET À GAUCHE | ||||
| 107 | 2603421229 | 1.32 | 1.58 | |
| Chargeur Rapide EU 230/7,2-24V, 1h | ||||
| 653 | 2607224425 | 130.32 | 156.38 | |
| Chargeur Rapide EU 230/7,2-14,4V, 30 MIN. | ||||
| 653 | 2607224701 | 101.94 | 122.33 | |
| Plus disponible, pas de remplacement | ||||
| 798 | 2601398009 | |||
| Moteur à Courant Continu 9,6V | ||||
| 802 | 2607022969 | 49.56 | 59.47 | |
| Interrupteur | ||||
| 804 | 2607200421 | 50.23 | 60.28 | |
| Train Epicycloidal | ||||
| 845 | 2606200908 | 60.65 | 72.78 | |
| Pas d'informations disponibles, non commandable | ||||
| 899 | 0601948627 | |||