Vous trouverez ici toutes les pièces et dessins disponibles du 'Bosch 0601997555 ( GSR12VPE-2 )'. De là, vous pouvez commander directement toutes les pièces souhaitées. De nombreuses pièces doivent être commandées auprès du fabricant, selon la marque, cela prend une à quatre semaines. Toutes les informations dont nous disposons se trouvent sur notre site Web, nous ne pouvons pas vous conseiller sur ce dont vous avez besoin, pour cela vous devrez retourner la machine pour réparation. Veuillez noter ce qui suit lors de la commande:
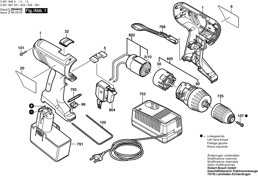
Dessins des Bosch 0601997555 ( GSR12VPE-2 )
Liste de pièces de rechange des Bosch 0601997555 ( GSR12VPE-2 )
| Pos. | Description | Prix hors TVA | Prix TTC | |
| Les prix affichés incluent la TVA | ||||
| Coquille BLEU | ||||
| 1 | 2605104587 | 13.93 | 16.72 | |
| Pignon | ||||
| 2/10 | 2606316182 | 1.32 | 1.58 | |
| Curseur De Reglage ROUGE | ||||
| 5 | 2601099082 | 1.00 | 1.20 | |
| Plaque De Marque CÔTÉ SOLEIL | ||||
| 9 | 2601117101 | 2.71 | 3.25 | |
| Plaquette Indicatrice CÔTÉ OMBRE | ||||
| 20 | 2601117102 | 2.71 | 3.25 | |
| Curseur De Reglage NOIR | ||||
| 32 | 2601099078 | 1.18 | 1.42 | |
| Bride Intermediaire | ||||
| 50 | 2605719027 | 2.18 | 2.62 | |
| Bague De Reglage ARGENT | ||||
| 60 | 2605190224 | 8.45 | 10.14 | |
| Support | ||||
| 96 | 2608040131 | 1.70 | 2.04 | |
| Vis A Tete Bombee Torx 3x18 | ||||
| 101 | 2603490018 | 1.00 | 1.20 | |
| Etrier de blocage | ||||
| 102 | 2601329041 | 1.32 | 1.58 | |
| Vis à tête fraisée M6x23 FILET À GAUCHE | ||||
| 107 | 2603421229 | 1.32 | 1.58 | |
| Mandrin Automatique | ||||
| 725 | 2608572164 | 44.82 | 53.78 | |
| Chargeur Rapide EU 230/7,2-24V, 1h | ||||
| 753 | 2607224425 | 130.32 | 156.38 | |
| Chargeur Rapide EU 230/7,2-14,4V, 30 MIN. | ||||
| 753 | 2607224701 | 101.94 | 122.33 | |
| Groupe D’accus En Baie 12V,2,0Ah,NiMh | ||||
| 791 | 2607335243 | 168.86 | 202.63 | |
| Lame De Tournevis | ||||
| 793 | 2608521018 | 3.71 | 4.45 | |
| Plus disponible, pas de remplacement | ||||
| 798 | 2601398009 | |||
| Moteur à Courant Continu 12V | ||||
| 802 | 2607022964 | 40.61 | 48.73 | |
| Interrupteur | ||||
| 804 | 2607200353 | 49.56 | 59.47 | |
| Train Epicycloidal ARGENT | ||||
| 845 | 2606200912 | 67.25 | 80.70 | |