Vous trouverez ici toutes les pièces et dessins disponibles du 'Bosch 0601192803 ( GSB20-2RET )'. De là, vous pouvez commander directement toutes les pièces souhaitées. De nombreuses pièces doivent être commandées auprès du fabricant, selon la marque, cela prend une à quatre semaines. Toutes les informations dont nous disposons se trouvent sur notre site Web, nous ne pouvons pas vous conseiller sur ce dont vous avez besoin, pour cela vous devrez retourner la machine pour réparation. Veuillez noter ce qui suit lors de la commande:
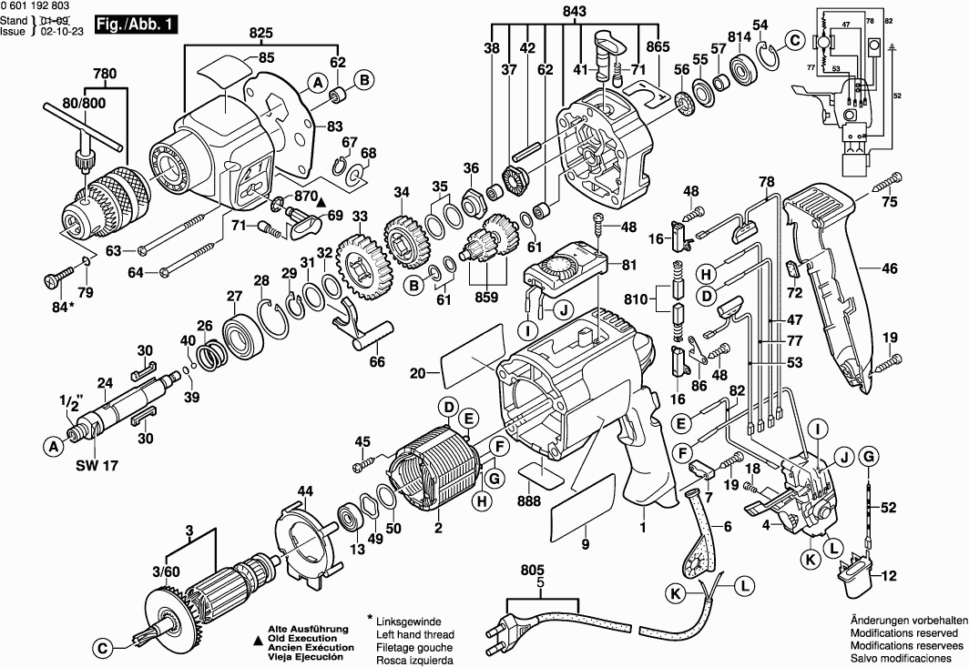
Dessins des Bosch 0601192803 ( GSB20-2RET )
Liste de pièces de rechange des Bosch 0601192803 ( GSB20-2RET )
| Pos. | Description | Prix hors TVA | Prix TTC | |
| Les prix affichés incluent la TVA | ||||
| Carter De Moteur BLEU | ||||
| 1 | 2605104314 | 18.19 | 21.83 | |
| Plus disponible, pas de remplacement | ||||
| 2 | 2604220436 | |||
| Plus disponible, pas de remplacement | ||||
| 3 | 2604010865 | |||
| Ventilateur | ||||
| 3/60 | 2606610029 | 2.18 | 2.62 | |
| Plus disponible, pas de remplacement | ||||
| 4 | 2607200238 | |||
| Manchon Ø6,9 MM | ||||
| 6 | 2600707059 | 3.04 | 3.65 | |
| Support De Cable | ||||
| 7 | 2601035001 | 1.32 | 1.58 | |
| Plaque De Marque | ||||
| 9 | 2601118693 | 2.71 | 3.25 | |
| Plus disponible, pas de remplacement | ||||
| 12 | 2607329114 | |||
| Roulement A Billes 7x22x7 | ||||
| 13 | 1900905018 | 15.61 | 18.73 | |
| Porte-Balais | ||||
| 16 | 2604337016 | 1.00 | 1.20 | |
| Vis à tête cylindrique M3x6,5-4.8 | ||||
| 18 | 2603410001 | 1.32 | 1.58 | |
| Vis 4x16 | ||||
| 19 | 2603490022 | 1.00 | 1.20 | |
| Plaquette Indicatrice CÔTÉ OMBRE | ||||
| 20 | 2601118697 | 4.10 | 4.92 | |
| Plus disponible, pas de remplacement | ||||
| 24 | 2606135032 | |||
| Ressort De Compression | ||||
| 26 | 2604616002 | 1.32 | 1.58 | |
| Roulement A Billes Rigide 17x35x10 | ||||
| 27 | 1900905163 | 9.47 | 11.36 | |
| Anneau de retenue DIN 472 35x1,5 MM | ||||
| 28 | 2916660014 | 1.32 | 1.58 | |
| Anneau de retenue DIN 471 17x1 MM | ||||
| 29 | 2916650008 | 1.32 | 1.58 | |
| Clavette Mince | ||||
| 30 | 2602300028 | 4.10 | 4.92 | |
| Rondelle D’arret | ||||
| 31 | 2600101671 | 1.32 | 1.58 | |
| Rondelle De Compensation 1,0 MM | ||||
| 32 | 2600101515 | 1.00 | 1.20 | |
| Roue Cylindrique Z=48 | ||||
| 33 | 2606317045 | 9.47 | 11.36 | |
| Roue Cylindrique Z=36 | ||||
| 34 | 2606317037 | 23.75 | 28.50 | |
| Rondelle De Compensation 0,5 MM | ||||
| 35 | 2600101616 | 2.52 | 3.02 | |
| Rondelle De Compensation 0,3 MM | ||||
| 35 | 2600101617 | 1.32 | 1.58 | |
| Rondelle D’arret | ||||
| 36 | 2600190052 | 5.33 | 6.40 | |
| Plus disponible, pas de remplacement | ||||
| 37 | 2600190057 | |||
| Roulement A Aiguilles Ø8x8 MM | ||||
| 38 | 2600917003 | 2.52 | 3.02 | |
| Rondelle D’ajustage 0,2 MM | ||||
| 39 | 2600000012 | 1.00 | 1.20 | |
| Rondelle D’ajustage 0,5 MM | ||||
| 39 | 2600000014 | 1.00 | 1.20 | |
| Bille DIN 5401-5,5MM-III-ST | ||||
| 40 | 1903230010 | 1.00 | 1.20 | |
| Bouton Rotatif | ||||
| 41 | 2602026017 | 6.53 | 7.84 | |
| Goupille Elastique 4x30 MM DIN 7346 | ||||
| 42 | 2917780105 | 1.00 | 1.20 | |
| Plus disponible, pas de remplacement | ||||
| 44 | 2601328033 | |||
| Vis à Tôle | ||||
| 45 | 2603435086 | 1.32 | 1.58 | |
| Couvercle De Carter BLEU | ||||
| 46 | 2605132049 | 5.83 | 7.00 | |
| Cable De Connexion L = 123 MM BLANC | ||||
| 47 | 2604448145 | 1.18 | 1.42 | |
| Vis A Tete Bombee Torx 3x10 | ||||
| 48 | 2603490017 | 1.90 | 2.28 | |
| Rondelle De Compensation | ||||
| 49 | 2600150004 | 1.90 | 2.28 | |
| Rondelle D’ajustage 0,3 MM | ||||
| 50 | 2600101027 | 1.32 | 1.58 | |
| Rondelle D’ajustage 0,5 MM | ||||
| 50 | 2600101667 | 1.32 | 1.58 | |
| Conducteur De Terre | ||||
| 52 | 2604448103 | 0.83 | 1.00 | |
| Filtre D’antiparasitage L=148 MM NOIR | ||||
| 53 | 2604465086 | 5.27 | 6.32 | |
| Anneau de retenue DIN 472-24x1,2 MM | ||||
| 54 | 2916660008 | 1.90 | 2.28 | |
| Rondelle Cuvette | ||||
| 55 | 2600500002 | 1.32 | 1.58 | |
| Rondelle De Feutre | ||||
| 56 | 2600108077 | 1.32 | 1.58 | |
| Fiche Femelle | ||||
| 57 | 2600400008 | 1.32 | 1.58 | |
| Rondelle De Compensation 0,3 MM | ||||
| 61 | 2600100607 | 1.32 | 1.58 | |
| Roulement A Aiguilles Ø6 MM | ||||
| 62 | 2600914010 | 2.52 | 3.02 | |
| Plus disponible, pas de remplacement | ||||
| 63 | 2603435070 | |||
| Plus disponible, pas de remplacement | ||||
| 64 | 2603435071 | |||
| Curseur De Reglage | ||||
| 66 | 2602033006 | 2.52 | 3.02 | |
| Anneau D’arret DIN 6799-4-FSt | ||||
| 67 | 2916080007 | 2.18 | 2.62 | |
| Rondelle D’ajustage | ||||
| 68 | 2600100618 | 1.00 | 1.20 | |
| Plus disponible, pas de remplacement | ||||
| 69 | 2602026038 | |||
| Capuchon A Crans D'arret | ||||
| 71 | 2600590006 | 1.32 | 1.58 | |
| Garniture | ||||
| 72 | 2601010049 | 1.18 | 1.42 | |
| Vis A Tete Bombee Torx 4x25 | ||||
| 75 | 2603490024 | 1.32 | 1.58 | |
| Plus disponible, pas de remplacement | ||||
| 77 | 2604448137 | |||
| Plus disponible, pas de remplacement | ||||
| 78 | 2604465087 | |||
| Anneau élastique | ||||
| 79 | 2604601004 | 1.32 | 1.58 | |
| Cle De Mandrin SG2 | ||||
| 80/800 | 2607950007 | 5.96 | 7.15 | |
| Regulateur De Couple 230V | ||||
| 81 | 2607233006 | 26.84 | 32.21 | |
| Cable De Connexion L=176 MM BLANC | ||||
| 82 | 2604448004 | 1.18 | 1.42 | |
| Garniture Plate | ||||
| 83 | 2601073012 | 1.00 | 1.20 | |
| Plus disponible, pas de remplacement | ||||
| 84 | 2603421213 | |||
| Etiquette Adhesive CÔTÉ SOLEIL | ||||
| 85 | 2601110929 | 1.94 | 2.33 | |
| Plaque VERT | ||||
| 86 | 2600034003 | 2.71 | 3.25 | |
| Poignee Auxiliaire M10 | ||||
| 753 | 1619PB4323 | 8.48 | 10.18 | |
| Ecrou Hex | ||||
| 753/20 | 2915011007 | 1.00 | 1.20 | |
| Vis A Oreilles M6x(15)55 | ||||
| 753/30 | 1613480007 | 1.32 | 1.58 | |
| Plus disponible, pas de remplacement | ||||
| 753/40 | 2607000122 | |||
| Plus disponible, pas de remplacement | ||||
| 753/50 | 2608040014 | |||
| Vis A Oreilles M6x20 MM | ||||
| 753/60 | 1613480008 | 1.32 | 1.58 | |
| Pas d'informations disponibles, non commandable | ||||
| 754 | 2603001019 | |||
| Mandrin A Cle Ø1,5-13 MM | ||||
| 780 | 1608571080 | 26.62 | 31.94 | |
| Câble d alimentation EU 2,6m 2 x 1,0 mm | ||||
| 805 | 1607000385 | 12.21 | 14.65 | |
| Jeu De Balais | ||||
| 810 | 2604321905 | 9.47 | 11.36 | |
| Roulement A Billes 9x24x7 | ||||
| 814 | 2600905095 | 10.68 | 12.82 | |
| Carter D’engrenages BLEU | ||||
| 825 | 2605806990 | 18.19 | 21.83 | |
| Bride Intermediaire | ||||
| 843 | 2605700936 | 49.56 | 59.47 | |
| Plus disponible, pas de remplacement | ||||
| 859 | 2606100914 | |||
| Etiquette Adhesive PERÇAGE/PERÇAGE EN FRAPPE | ||||
| 865 | 2601110076 | 1.18 | 1.42 | |
| Jeu De Pieces | ||||
| 870 | 2607010226 | 1.18 | 1.42 | |
| Plaque signalétique | ||||
| 888 | 160111A3H3 | 2.18 | 2.62 | |