Vous trouverez ici toutes les pièces et dessins disponibles du 'Bosch 0601141670 ( GSB18-2RE )'. De là, vous pouvez commander directement toutes les pièces souhaitées. De nombreuses pièces doivent être commandées auprès du fabricant, selon la marque, cela prend une à quatre semaines. Toutes les informations dont nous disposons se trouvent sur notre site Web, nous ne pouvons pas vous conseiller sur ce dont vous avez besoin, pour cela vous devrez retourner la machine pour réparation. Veuillez noter ce qui suit lors de la commande:
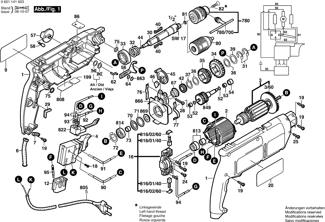
Dessins des Bosch 0601141670 ( GSB18-2RE )
Liste de pièces de rechange des Bosch 0601141670 ( GSB18-2RE )
| Pos. | Description | Prix hors TVA | Prix TTC | |
| Les prix affichés incluent la TVA | ||||
| Coquille BLEU | ||||
| 1 | 2605104437 | 29.75 | 35.70 | |
| Épanouissement Polaire 220-230V | ||||
| 2 | 2604220429 | 22.88 | 27.46 | |
| Plus disponible, pas de remplacement | ||||
| 3 | 2604010862 | |||
| Ventilateur | ||||
| 3/60 | 2606610029 | 2.18 | 2.62 | |
| Plus disponible, pas de remplacement | ||||
| 4 | 2607200209 | |||
| Manchon Ø6,5-Ø6,9x95 MM | ||||
| 6 | 2600703012 | 2.52 | 3.02 | |
| Support De Cable | ||||
| 7 | 2601035001 | 1.32 | 1.58 | |
| Plaque De Marque CÔTÉ SOLEIL | ||||
| 9 | 2601118437 | 1.70 | 2.04 | |
| Plus disponible, pas de remplacement | ||||
| 12 | 2607329114 | |||
| Plus disponible, pas de remplacement | ||||
| 16 | 2605807060 | |||
| Vis à tête cylindrique M3x6,5-4.8 | ||||
| 18 | 2603410001 | 1.32 | 1.58 | |
| Vis 4x16 | ||||
| 19 | 2603490022 | 1.00 | 1.20 | |
| Plaquette Indicatrice CÔTÉ OMBRE | ||||
| 20 | 2601118439 | 1.70 | 2.04 | |
| Vis A Tete Bombee Torx 3x10 | ||||
| 24 | 2603490017 | 1.90 | 2.28 | |
| Vis A Tete Bombee Torx 3x30 | ||||
| 25 | 2603490019 | 1.00 | 1.20 | |
| Vis à tête cylindrique | ||||
| 28 | 2603429005 | 1.32 | 1.58 | |
| Plus disponible, pas de remplacement | ||||
| 29 | 2601022000 | |||
| Broche De Percage 1/2", SW 17 FILET INTERIEUR A G | ||||
| 30 | 2606135044 | 13.93 | 16.72 | |
| Anneau D’arret 0,3 MM | ||||
| 31 | 2600118006 | 1.70 | 2.04 | |
| Anneau D’arret 0,8 MM | ||||
| 31 | 2600118002 | 1.32 | 1.58 | |
| Anneau D’arret 0,6 MM | ||||
| 31 | 2600118001 | 1.00 | 1.20 | |
| Ressort De Compression | ||||
| 32 | 2604616002 | 1.32 | 1.58 | |
| Roulement A Billes Rigide 17x35x10 | ||||
| 33 | 1900905163 | 9.47 | 11.36 | |
| Roue Cylindrique Z=48 | ||||
| 34 | 2606317045 | 9.47 | 11.36 | |
| Roue Cylindrique Z=36 | ||||
| 35 | 2606317037 | 23.75 | 28.50 | |
| Rondelle De Compensation 1,0 MM | ||||
| 36 | 2600101515 | 1.00 | 1.20 | |
| Etrier D’arret DIN 471-15x1-FSt | ||||
| 37 | 2916650006 | 1.32 | 1.58 | |
| Rondelle D’arret | ||||
| 39 | 2600101671 | 1.32 | 1.58 | |
| Clavette Mince | ||||
| 40 | 2602300028 | 4.10 | 4.92 | |
| Rondelle D’arret | ||||
| 42 | 2600190052 | 5.33 | 6.40 | |
| Bille DIN 5401-5,5MM-III-ST | ||||
| 44 | 1903230010 | 1.00 | 1.20 | |
| Plus disponible, pas de remplacement | ||||
| 45 | 2601990001 | |||
| Plateau De Pression | ||||
| 46 | 2601074003 | 1.00 | 1.20 | |
| Rondelle De Compensation 0,3 MM | ||||
| 52 | 2600100607 | 1.32 | 1.58 | |
| Roulement A Aiguilles Ø6 MM | ||||
| 53 | 2600914010 | 2.52 | 3.02 | |
| Coussinet-Douille | ||||
| 54 | 2600400027 | 3.71 | 4.45 | |
| Plus disponible, pas de remplacement | ||||
| 56 | 2602033005 | |||
| Tete Tournante | ||||
| 57 | 2602026091 | 4.10 | 4.92 | |
| Capuchon A Crans D'arret | ||||
| 58 | 2600590006 | 1.32 | 1.58 | |
| Tenon D’entrainement | ||||
| 62 | 2601335001 | 1.90 | 2.28 | |
| Rondelle D’ajustage | ||||
| 64 | 2600100618 | 1.00 | 1.20 | |
| Plus disponible, pas de remplacement | ||||
| 67 | 2600190057 | |||
| Rondelle Cuvette | ||||
| 70 | 2600500014 | 1.18 | 1.42 | |
| Joint torique 18x3 MM | ||||
| 71 | 1900210117 | 3.04 | 3.65 | |
| Anneau de retenue DIN 472-24x1,2 MM | ||||
| 72 | 2916660008 | 1.90 | 2.28 | |
| Fiche Femelle | ||||
| 73 | 2600400008 | 1.32 | 1.58 | |
| Joint torique 5,0x1,5 MM | ||||
| 75 | 1900210000 | 1.32 | 1.58 | |
| Bande De Feutre | ||||
| 76 | 2601005011 | 1.70 | 2.04 | |
| Bande De Feutre | ||||
| 77 | 2601005016 | 1.18 | 1.42 | |
| Plus disponible, pas de remplacement | ||||
| 80 | 2608572123 | |||
| Anneau élastique | ||||
| 81 | 2604601004 | 1.32 | 1.58 | |
| Plus disponible, pas de remplacement | ||||
| 82 | 2603421208 | |||
| Plus disponible, pas de remplacement | ||||
| 86 | 2601110580 | |||
| Plus disponible, pas de remplacement | ||||
| 90 | 2604448060 | |||
| Plus disponible, pas de remplacement | ||||
| 91 | 2604448045 | |||
| Cable De Connexion L=88 MM BLANC | ||||
| 92 | 2604448034 | 1.32 | 1.58 | |
| Cable De Connexion L=103 MM BLEU | ||||
| 93 | 2604448132 | 1.00 | 1.20 | |
| Cable De Raccordement L=73 MM BLANC | ||||
| 94 | 2604448115 | 1.00 | 1.20 | |
| Plus disponible, pas de remplacement | ||||
| 95 | 2604448170 | |||
| Poignee Auxiliaire M10 | ||||
| 753 | 1619PB4323 | 8.48 | 10.18 | |
| Ecrou Hex | ||||
| 753/20 | 2915011007 | 1.00 | 1.20 | |
| Vis A Oreilles M6x(15)55 | ||||
| 753/30 | 1613480007 | 1.32 | 1.58 | |
| Plus disponible, pas de remplacement | ||||
| 753/50 | 2608040014 | |||
| Vis A Oreilles M6x20 MM | ||||
| 753/60 | 1613480008 | 1.32 | 1.58 | |
| Plus disponible, pas de remplacement | ||||
| 754 | 2607000122 | |||
| Pas d'informations disponibles, non commandable | ||||
| 755 | 2603001019 | |||
| Câble d alimentation EU 2,6m 2 x 1,0 mm | ||||
| 805 | 1607000385 | 12.21 | 14.65 | |
| Plaque de marquage | ||||
| 808 | 2601119002 | 2.71 | 3.25 | |
| Plus disponible, pas de remplacement | ||||
| 813 | 2600917902 | |||
| Roulement A Billes Rigide 9x24x7 | ||||
| 814 | 2600905039 | 10.68 | 12.82 | |
| Plus disponible, pas de remplacement | ||||
| 816/01/40 | 2604321913 | |||
| Capuchon A Crans D'arret | ||||
| 816/02/60 | 2601322017 | 1.32 | 1.58 | |
| Commutateur | ||||
| 822 | 2607200231 | 13.90 | 16.68 | |
| Arbre Dentele Z= 10/29/22 | ||||
| 849 | 2606309913 | 20.42 | 24.50 | |
| Anneau D’arret DIN 6799-4-FSt | ||||
| 863 | 2916080007 | 2.18 | 2.62 | |
| Console Terminale | ||||
| 866 | 2605807928 | 20.42 | 24.50 | |
| Rondelle De Feutre | ||||
| 869 | 2600108000 | 1.18 | 1.42 | |