Vous trouverez ici toutes les pièces et dessins disponibles du 'Bosch 0601641703 ( GSA800PE )'. De là, vous pouvez commander directement toutes les pièces souhaitées. De nombreuses pièces doivent être commandées auprès du fabricant, selon la marque, cela prend une à quatre semaines. Toutes les informations dont nous disposons se trouvent sur notre site Web, nous ne pouvons pas vous conseiller sur ce dont vous avez besoin, pour cela vous devrez retourner la machine pour réparation. Veuillez noter ce qui suit lors de la commande:
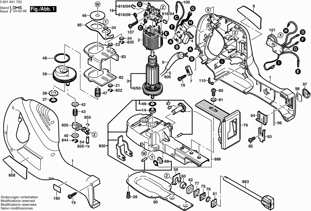
Dessins des Bosch 0601641703 ( GSA800PE )
Liste de pièces de rechange des Bosch 0601641703 ( GSA800PE )
| Pos. | Description | Prix hors TVA | Prix TTC | |
| Les prix affichés incluent la TVA | ||||
| Coquille BLEU | ||||
| 1 | 2605104602 | 26.84 | 32.21 | |
| Épanouissement Polaire 220-240V | ||||
| 2 | 2604220692 | 18.19 | 21.83 | |
| Plus disponible, pas de remplacement | ||||
| 3 | 2604011188 | |||
| Ventilateur | ||||
| 3/50 | 2606610089 | 4.58 | 5.50 | |
| Commutateur | ||||
| 4 | 2607200529 | 15.71 | 18.85 | |
| Manchon Ø6,4-Ø7,2x76 MM | ||||
| 6 | 2600703017 | 2.18 | 2.62 | |
| Support De Cable | ||||
| 7 | 2601035001 | 1.32 | 1.58 | |
| Etiquette Adhesive | ||||
| 9 | 2601119606 | 3.04 | 3.65 | |
| Roulement A Billes 9x24x7 | ||||
| 14 | 2600905095 | 10.68 | 12.82 | |
| Couronne Porte-Balais | ||||
| 16 | 2605807082 | 26.62 | 31.94 | |
| Vis 4x16 | ||||
| 19 | 2603490022 | 1.00 | 1.20 | |
| Rondelle De Compensation | ||||
| 21 | 2600100525 | 1.00 | 1.20 | |
| Rondelle De Compensation | ||||
| 23 | 2600100103 | 0.83 | 1.00 | |
| Vis autotaradeuse p. défo M4x12 MM | ||||
| 28 | 2603410049 | 1.32 | 1.58 | |
| Rondelle De Compensation | ||||
| 34 | 2600100040 | 1.32 | 1.58 | |
| Anneau de retenue DIN 471-12x1-FSTM | ||||
| 37 | 2916650903 | 1.32 | 1.58 | |
| Rondelle De Compensation | ||||
| 38 | 2600105001 | 1.00 | 1.20 | |
| Roue Dentee A Excentrique | ||||
| 39 | 2606320061 | 26.62 | 31.94 | |
| Plus disponible, pas de remplacement | ||||
| 40 | 2600100647 | |||
| Rondelle De Compensation 0,5 MM | ||||
| 42 | 2600101048 | 1.32 | 1.58 | |
| Couronne D’aiguilles | ||||
| 43 | 2600913003 | 1.90 | 2.28 | |
| Rondelle De Compensation | ||||
| 46 | 2600105003 | 1.32 | 1.58 | |
| Couronne D’aiguilles | ||||
| 47 | 2600913008 | 5.96 | 7.15 | |
| Rondelle De Compensation | ||||
| 48 | 2600105004 | 1.70 | 2.04 | |
| Anneau de retenue DIN 472-24x1,2 MM | ||||
| 49 | 2916660008 | 1.90 | 2.28 | |
| Axe De Chape | ||||
| 54 | 2603105065 | 1.32 | 1.58 | |
| Tole De Soutien | ||||
| 59 | 2601334010 | 1.00 | 1.20 | |
| Bague En Metal Fritte | ||||
| 60 | 2600302017 | 2.18 | 2.62 | |
| Joint | ||||
| 61 | 2601334011 | 1.00 | 1.20 | |
| Disque De Feutre | ||||
| 62 | 2600108078 | 1.00 | 1.20 | |
| Joint En Caoutchouc 1 MM | ||||
| 75 | 2601015082 | 1.32 | 1.58 | |
| Racleur | ||||
| 76 | 2600101038 | 1.00 | 1.20 | |
| Tole De Soutien | ||||
| 77 | 2601334012 | 1.00 | 1.20 | |
| Plus disponible, pas de remplacement | ||||
| 79 | 2608000222 | |||
| Vis A Tete Bombee M 5x10 | ||||
| 80 | 2603414007 | 1.00 | 1.20 | |
| Rondelle plate | ||||
| 81 | 3600100002 | 1.00 | 1.20 | |
| Contrepoids | ||||
| 82 | 2608012008 | 5.96 | 7.15 | |
| Contrepoids | ||||
| 83 | 2608012009 | 8.48 | 10.18 | |
| Levier A Fourche | ||||
| 85 | 2601923011 | 4.58 | 5.50 | |
| Capuchon A Crans D'arret | ||||
| 87 | 2600590006 | 1.32 | 1.58 | |
| Rondelle De Compensation 0,2 MM | ||||
| 88 | 2600100575 | 1.90 | 2.28 | |
| Rondelle De Compensation 0,5 MM | ||||
| 88 | 2600100577 | 1.32 | 1.58 | |
| Couvercle D’engrenage | ||||
| 90 | 2605500142 | 3.04 | 3.65 | |
| Tole De Guidage | ||||
| 93 | 2608005069 | 1.32 | 1.58 | |
| Plus disponible, pas de remplacement | ||||
| 94 | 2608005061 | |||
| Vis A Tete Bombee Torx 3x10 | ||||
| 95 | 2603490017 | 1.90 | 2.28 | |
| Joint | ||||
| 96 | 2604610064 | 1.00 | 1.20 | |
| Bouton-Poussoir | ||||
| 97 | 2602026077 | 1.90 | 2.28 | |
| Curseur | ||||
| 98 | 2601098069 | 1.32 | 1.58 | |
| Conducteur De Terre | ||||
| 100 | 2604448217 | 2.18 | 2.62 | |
| Regulateur De Vitesse 230-240V | ||||
| 101 | 2607230058 | 30.08 | 36.10 | |
| Vis A Tete Bombee Torx 4x25 | ||||
| 107 | 2603490024 | 1.32 | 1.58 | |
| Ressort De Contact | ||||
| 110 | 2601329057 | 2.18 | 2.62 | |
| Câble d alimentation EU 230V 4,15m 2 x 1,0mm H05 | ||||
| 805 | 1607000386 | 17.60 | 21.12 | |
| Plaque de marquage | ||||
| 808 | 2601119821 | 3.04 | 3.65 | |
| Plus disponible, pas de remplacement | ||||
| 816/04 | 2604320914 | |||
| Ressort Spiral | ||||
| 816/06 | 1604652013 | 1.32 | 1.58 | |
| Anneau D’arret DIN 6799-6-FST | ||||
| 822 | 2916080909 | 1.00 | 1.20 | |
| Carter D’engrenages | ||||
| 830 | 2605806899 | 50.23 | 60.28 | |
| Plus disponible, pas de remplacement | ||||
| 835 | 2916080008 | |||
| Anneau D’arret DIN 6799-7-FSt | ||||
| 844 | 2916080910 | 1.90 | 2.28 | |
| Bielle | ||||
| 850 | 2602130902 | 20.42 | 24.50 | |
| Anneau D’arret DIN 6799-4-FSt | ||||
| 855 | 2916080007 | 2.18 | 2.62 | |
| Tringle De Course | ||||
| 863 | 2600780907 | 55.56 | 66.67 | |
| Plus disponible, pas de remplacement | ||||
| 886 | 2602026903 | |||