Vous trouverez ici toutes les pièces et dessins disponibles du 'Bosch 0602529021 ( GR.88 )'. De là, vous pouvez commander directement toutes les pièces souhaitées. De nombreuses pièces doivent être commandées auprès du fabricant, selon la marque, cela prend une à quatre semaines. Toutes les informations dont nous disposons se trouvent sur notre site Web, nous ne pouvons pas vous conseiller sur ce dont vous avez besoin, pour cela vous devrez retourner la machine pour réparation. Veuillez noter ce qui suit lors de la commande:
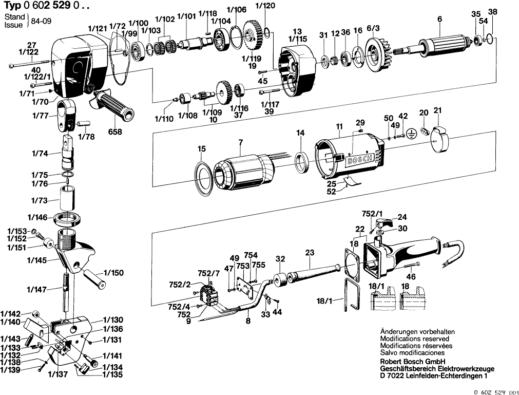
Dessins des Bosch 0602529021 ( GR.88 )
Liste de pièces de rechange des Bosch 0602529021 ( GR.88 )
| Pos. | Description | Prix hors TVA | Prix TTC | |
| Les prix affichés incluent la TVA | ||||
| Roulement à Rotule sur Rouleaux | ||||
| 1/100 | 1900910531 | 0.83 | 1.00 | |
| Plus disponible, pas de remplacement | ||||
| 1/101 | 1606110000 | |||
| Collier de serrage | ||||
| 1/103 | 1600224029 | 0.83 | 1.00 | |
| Roulement à Rotule sur Rouleaux | ||||
| 1/104 | 1900910532 | 0.83 | 1.00 | |
| Anneau de retenue DIN 472 62x2 MM | ||||
| 1/106 | 2916660027 | 3.71 | 4.45 | |
| Plus disponible, pas de remplacement | ||||
| 1/109 | 1606328082 | |||
| Tige-Poussoir | ||||
| 1/110 | 1603203026 | 0.83 | 1.00 | |
| Roulement A Billes Rigide 12x32x10 | ||||
| 1/116 | 1900900302 | 15.71 | 18.85 | |
| Clavette Parallele | ||||
| 1/118 | 1902300284 | 0.83 | 1.00 | |
| Anneau de retenue DIN 471 20x1,2 | ||||
| 1/120 | 2916650011 | 1.90 | 2.28 | |
| Joint | ||||
| 1/121 | 1601015005 | 0.83 | 1.00 | |
| Vis cyl SixPans Creux CHC DIN 912-M6x55-8.8 | ||||
| 1/122/1 | 2910141215 | 3.04 | 3.65 | |
| Plus disponible, pas de remplacement | ||||
| 1/130 | 1608040075 | |||
| Graisseur | ||||
| 1/131 | 1609274002 | 0.83 | 1.00 | |
| Support De Fixation | ||||
| 1/132 | 1602305015 | 0.83 | 1.00 | |
| Contre Pointe | ||||
| 1/134 | 1609280001 | 0.83 | 1.00 | |
| Goupille Spirale 4x12-DIN 1481 | ||||
| 1/135 | 2917760095 | 0.83 | 1.00 | |
| Plus disponible, pas de remplacement | ||||
| 1/136 | 1602309001 | |||
| Plaque Intermediaire | ||||
| 1/137 | 1600100014 | 0.83 | 1.00 | |
| Plaque Intermediaire | ||||
| 1/137 | 1600100015 | 0.83 | 1.00 | |
| Plus disponible, pas de remplacement | ||||
| 1/138 | 2916680009 | |||
| Plus disponible, pas de remplacement | ||||
| 1/139 | 2910141240 | |||
| Racleur | ||||
| 1/140 | 1602308010 | 0.83 | 1.00 | |
| Racleur | ||||
| 1/140 | 1602308011 | 0.83 | 1.00 | |
| Racleur | ||||
| 1/140 | 1602308012 | 0.83 | 1.00 | |
| Racleur | ||||
| 1/140 | 1602310008 | 0.83 | 1.00 | |
| Racleur | ||||
| 1/140 | 1602310009 | 0.83 | 1.00 | |
| Racleur | ||||
| 1/140 | 1602310010 | 0.83 | 1.00 | |
| Racleur | ||||
| 1/140 | 1602310011 | 0.83 | 1.00 | |
| Racleur | ||||
| 1/140 | 1602310012 | 0.83 | 1.00 | |
| Vis cyl SixPans Creux CHC | ||||
| 1/141 | 1603414004 | 0.83 | 1.00 | |
| Douille Filetee | ||||
| 1/142 | 1600363009 | 0.83 | 1.00 | |
| Vis sans tête | ||||
| 1/143 | 1603402008 | 0.83 | 1.00 | |
| Vis sans tête | ||||
| 1/143 | 1603402009 | 0.83 | 1.00 | |
| Vis sans tête | ||||
| 1/143 | 1603402010 | 0.83 | 1.00 | |
| Vis sans tête | ||||
| 1/143 | 1603402011 | 0.83 | 1.00 | |
| Vis sans tête | ||||
| 1/143 | 1603402012 | 0.83 | 1.00 | |
| Plus disponible, pas de remplacement | ||||
| 1/145 | 1608010009 | |||
| Ecrou Cylindrique | ||||
| 1/146 | 1603342005 | 0.83 | 1.00 | |
| Plus disponible, pas de remplacement | ||||
| 1/147 | 1607930001 | |||
| Poussoir | ||||
| 1/150 | 1603121013 | 0.83 | 1.00 | |
| Manchon De Guidage | ||||
| 1/151 | 1600506012 | 0.83 | 1.00 | |
| Vis cyl SixPans Creux CHC DIN 912-M8x15-8.8 | ||||
| 1/152 | 2910141237 | 2.71 | 3.25 | |
| Anneau de retenue DIN 472-14x1MM | ||||
| 1/153 | 2916660002 | 0.83 | 1.00 | |
| Plus disponible, pas de remplacement | ||||
| 1/70 | 1605110020 | |||
| Goupille Cylindrique DIN 7-5m 6x16-St | ||||
| 1/72 | 2917510120 | 0.83 | 1.00 | |
| Coussinet | ||||
| 1/73 | 1600300070 | 0.83 | 1.00 | |
| Poussoir | ||||
| 1/74 | 1603121012 | 0.83 | 1.00 | |
| Vis sans tête DIN 913-M5x20-45h | ||||
| 1/76 | 2912040162 | 0.83 | 1.00 | |
| Bielle | ||||
| 1/77 | 1602001001 | 0.83 | 1.00 | |
| Plus disponible, pas de remplacement | ||||
| 1/78 | 1603100022 | |||
| Plus disponible, pas de remplacement | ||||
| 6 | 1604080080 | |||
| Stator 42V/200HZ | ||||
| 7 | 1604229165 | 441.61 | 529.93 | |
| Cable Elec. Avec Raccord | ||||
| 8 | 3604462043 | 55.56 | 66.67 | |
| Plus disponible, pas de remplacement | ||||
| 11 | 1605102082 | |||
| Bague Filetee | ||||
| 12 | 1603344017 | 0.83 | 1.00 | |
| Plus disponible, pas de remplacement | ||||
| 13 | 1605820157 | |||
| joint d’étanchéité | ||||
| 14 | 1600209009 | 5.96 | 7.15 | |
| Poulie De Guidage | ||||
| 15 | 1600500014 | 3.31 | 3.97 | |
| Disque De Recouvrement | ||||
| 16 | 1600134000 | 0.83 | 1.00 | |
| Joint | ||||
| 18 | 1601015011 | 3.31 | 3.97 | |
| Bande Profilee | ||||
| 18/1 | 1601014001 | 0.83 | 1.00 | |
| Plus disponible, pas de remplacement | ||||
| 19 | 1606317058 | |||
| Manchon | ||||
| 20 | 1600306000 | 2.24 | 2.69 | |
| Capot De Protection | ||||
| 21 | 1600502004 | 3.71 | 4.45 | |
| Poignee | ||||
| 22 | 1605132067 | 33.45 | 40.14 | |
| Manchon Ø11,5-Ø15,0x150 MM | ||||
| 23 | 1600703009 | 5.27 | 6.32 | |
| Levier De Commande | ||||
| 24 | 1602026038 | 4.10 | 4.92 | |
| Plaque signalétique | ||||
| 25 | 3601106053 | 4.58 | 5.50 | |
| Vis cyl SixPans Creux CHC | ||||
| 27 | 1603414003 | 0.83 | 1.00 | |
| Vis sans tête | ||||
| 29 | 1603402004 | 2.18 | 2.62 | |
| Pas d'informations disponibles, non commandable | ||||
| 30 | 1600108024 | |||
| Joint | ||||
| 31 | 1600108048 | 1.32 | 1.58 | |
| Joint-Plaque | ||||
| 32 | 1600113003 | 2.52 | 3.02 | |
| Collier De Fixation | ||||
| 33 | 1601303003 | 1.90 | 2.28 | |
| Roulement A Billes Rigide 12x28x8 | ||||
| 35 | 1900900287 | 20.39 | 24.47 | |
| Roulement A Billes Rigide | ||||
| 36 | 1600900019 | 0.83 | 1.00 | |
| Joint torique | ||||
| 38 | 1120210000 | 0.83 | 1.00 | |
| Vis cyl SixPans Creux CHC DIN 912-M6x45-8.8 | ||||
| 39 | 2910141211 | 0.83 | 1.00 | |
| Pas d'informations disponibles, non commandable | ||||
| 42 | 2910110122 | |||
| Vis à tête cylindrique DIN 84-AM4x20-8.8 | ||||
| 45 | 2910021130 | 1.00 | 1.20 | |
| Vis cyl SixPans Creux CHC DIN 912-M6x40-8.8 | ||||
| 46 | 2910141209 | 1.94 | 2.33 | |
| Vis à tête cylindrique DIN 84-AM4x8-8.8 | ||||
| 47 | 2910021118 | 1.00 | 1.20 | |
| Rondelle Elastique DIN 137-A4 | ||||
| 49 | 1600150006 | 5.33 | 6.40 | |
| Etrier De Serrage | ||||
| 50 | 3601321001 | 3.04 | 3.65 | |
| Clou Cannele DIN 1476-2x5 MM | ||||
| 52 | 3603133001 | 2.18 | 2.62 | |
| Anneau élastique | ||||
| 54 | 2916610007 | 0.83 | 1.00 | |
| Poignee Auxiliaire | ||||
| 658 | 160202509Z | 13.90 | 16.68 | |
| Poignee Auxiliaire M10 | ||||
| 658 | 16020250A1 | 12.21 | 14.65 | |
| Interrupteur | ||||
| 752 | 1607200006 | 91.33 | 109.60 | |
| Vis à tête cylindrique DIN 84-AM3x10-4.8 | ||||
| 752/1 | 2910001052 | 1.90 | 2.28 | |
| Pas d'informations disponibles, non commandable | ||||
| 752/2 | 1604650009 | |||
| Pas d'informations disponibles, non commandable | ||||
| 752/4 | 2910091118 | |||
| Plus disponible, pas de remplacement | ||||
| 752/7 | 1603200007 | |||
| Plaque De Fixation | ||||
| 753 | 3601023015 | 20.39 | 24.47 | |
| Rondelle élastique DIN 128-A4-FST | ||||
| 754 | 2916690003 | 1.00 | 1.20 | |