Vous trouverez ici toutes les pièces et dessins disponibles du 'Bosch 0601613660 ( GOF1300CE )'. De là, vous pouvez commander directement toutes les pièces souhaitées. De nombreuses pièces doivent être commandées auprès du fabricant, selon la marque, cela prend une à quatre semaines. Toutes les informations dont nous disposons se trouvent sur notre site Web, nous ne pouvons pas vous conseiller sur ce dont vous avez besoin, pour cela vous devrez retourner la machine pour réparation. Veuillez noter ce qui suit lors de la commande:
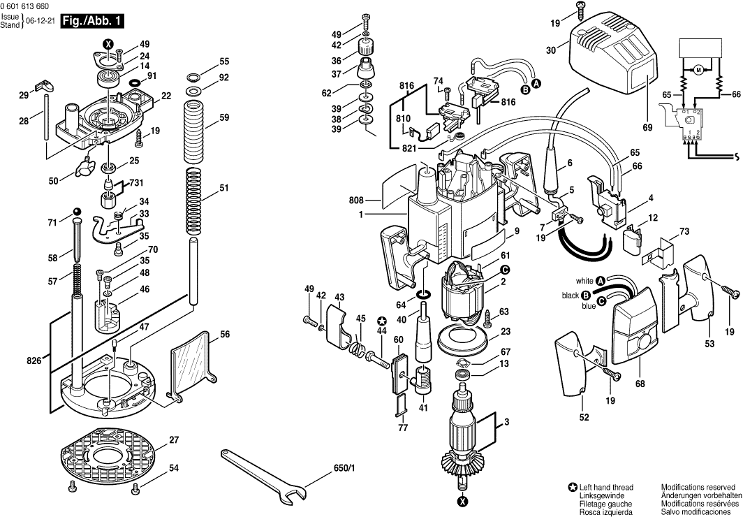
Dessins des Bosch 0601613660 ( GOF1300CE )
Liste de pièces de rechange des Bosch 0601613660 ( GOF1300CE )
| Pos. | Description | Prix hors TVA | Prix TTC | |
| Les prix affichés incluent la TVA | ||||
| Carter De Moteur BLEU | ||||
| 1 | 3605108584 | 33.33 | 40.00 | |
| Épanouissement Polaire 230V | ||||
| 2 | 2610941203 | 61.93 | 74.32 | |
| Induit 230V | ||||
| 3 | 2610941202 | 209.26 | 251.11 | |
| Plus disponible, pas de remplacement | ||||
| 4 | 2607200251 | |||
| Câble d alimentation EU 4,25m 2 x 1,0mm H07 RN-F | ||||
| 5 | 3604460557 | 41.30 | 49.56 | |
| Manchon | ||||
| 6 | 2610947359 | 2.24 | 2.69 | |
| Support De Cable | ||||
| 7 | 2601035001 | 1.32 | 1.58 | |
| Plus disponible, pas de remplacement | ||||
| 9 | 2610998943 | |||
| Plus disponible, pas de remplacement | ||||
| 12 | 1617328025 | |||
| Commande De Bille | ||||
| 13 | 3600905513 | 10.68 | 12.82 | |
| Roulement A Billes | ||||
| 14 | 1600900088 | 5.96 | 7.15 | |
| Plus disponible, pas de remplacement | ||||
| 19 | 2610910566 | |||
| Carter | ||||
| 22 | 2610997096 | 55.56 | 66.67 | |
| Deflecteur D’air | ||||
| 23 | 3600590508 | 2.18 | 2.62 | |
| Tole De Support Amovible | ||||
| 24 | 3600034506 | 5.33 | 6.40 | |
| Ecrou Hex | ||||
| 25 | 3603300502 | 2.71 | 3.25 | |
| Plaque De Recouvrement | ||||
| 27 | 2610997099 | 17.60 | 21.12 | |
| Barre | ||||
| 28 | 2610997093 | 5.27 | 6.32 | |
| Plus disponible, pas de remplacement | ||||
| 29 | 2610997094 | |||
| Couvercle De Carter | ||||
| 30 | 2610943199 | 15.61 | 18.73 | |
| Plus disponible, pas de remplacement | ||||
| 33 | 3601021510 | |||
| Ressort De Torsion | ||||
| 34 | 3604651502 | 1.32 | 1.58 | |
| Vis D’ajutage M4 | ||||
| 35 | 3603415556 | 1.90 | 2.28 | |
| Bouton | ||||
| 36 | 3603231539 | 1.32 | 1.58 | |
| Bague Indicatrice | ||||
| 37 | 3600209500 | 3.04 | 3.65 | |
| Rondelle Elastique | ||||
| 38 | 3600100528 | 1.00 | 1.20 | |
| Rondelle | ||||
| 39 | 3600100527 | 1.90 | 2.28 | |
| Plus disponible, pas de remplacement | ||||
| 40 | 3600360507 | |||
| Obturateur | ||||
| 41 | 3600400507 | 2.52 | 3.02 | |
| Rondelle élastique DIN 128-A4-FST | ||||
| 42 | 2916690003 | 1.00 | 1.20 | |
| Levier De Verrouillage | ||||
| 43 | 3602000510 | 2.18 | 2.62 | |
| Verrou | ||||
| 44 | 3603450504 | 4.58 | 5.50 | |
| Ressort A Declic | ||||
| 45 | 3604651503 | 1.90 | 2.28 | |
| Butee De Profondeur | ||||
| 46 | 2610997191 | 10.68 | 12.82 | |
| Capuchon A Crans D'arret | ||||
| 47 | 2600590006 | 1.32 | 1.58 | |
| Rondelle Elastique | ||||
| 48 | 3916060500 | 1.00 | 1.20 | |
| Vis A Tete Bombee DIN 7985-M4X12-4.8-H | ||||
| 49 | 2910641122 | 1.90 | 2.28 | |
| Vis A Oreilles M6x25 MM | ||||
| 50 | 1613480009 | 1.32 | 1.58 | |
| Plus disponible, pas de remplacement | ||||
| 51 | 2610997100 | |||
| Poignee Couvercle | ||||
| 52 | 2610943197 | 8.48 | 10.18 | |
| Poignee Couvercle | ||||
| 53 | 2610943198 | 8.45 | 10.14 | |
| Plus disponible, pas de remplacement | ||||
| 54 | 2610915161 | |||
| Anneau de retenue DIN 471-12x1-FSt | ||||
| 55 | 2916650003 | 1.32 | 1.58 | |
| Plus disponible, pas de remplacement | ||||
| 56 | 2610912599 | |||
| Plus disponible, pas de remplacement | ||||
| 57 | 3604613508 | |||
| Plus disponible, pas de remplacement | ||||
| 58 | 3603120502 | |||
| Soufflet | ||||
| 59 | 3605510548 | 5.27 | 6.32 | |
| Plus disponible, pas de remplacement | ||||
| 60 | 3601010519 | |||
| Fiche Plate | ||||
| 61 | 1604477005 | 2.18 | 2.62 | |
| Segment de retenue | ||||
| 62 | 3604680502 | 1.32 | 1.58 | |
| Vis à Tôle | ||||
| 63 | 2610991306 | 1.32 | 1.58 | |
| Joint torique | ||||
| 64 | 3600210507 | 1.32 | 1.58 | |
| Cable | ||||
| 65 | 2610945855 | 2.18 | 2.62 | |
| Cable | ||||
| 66 | 2610945856 | 2.71 | 3.25 | |
| Rondelle Elastique | ||||
| 67 | 3600150501 | 1.32 | 1.58 | |
| Unité de commande 230V | ||||
| 68 | 1607233153 | 61.93 | 74.32 | |
| Plaque signalétique | ||||
| 69 | 2610912471 | 2.18 | 2.62 | |
| Vis à tête cylindrique | ||||
| 70 | 3603410504 | 1.90 | 2.28 | |
| Bille DIN 5401-4 MM-III-ST | ||||
| 71 | 1903230007 | 1.32 | 1.58 | |
| Plus disponible, pas de remplacement | ||||
| 73 | 2610996090 | |||
| Vis à Tôle DIN 7981-ST2,9x13-C-H | ||||
| 74 | 2910611006 | 1.32 | 1.58 | |
| Plus disponible, pas de remplacement | ||||
| 77 | 3601010521 | |||
| Joint torique 12,0x2,0 MM | ||||
| 91 | 1610210233 | 2.52 | 3.02 | |
| Rondelle plate | ||||
| 92 | 2610913282 | 1.00 | 1.20 | |
| Cle A Fourche Simple | ||||
| 650/1 | 2610992417 | 13.90 | 16.68 | |
| Pas d'informations disponibles, non commandable | ||||
| 731 | 2608570125 | |||
| Plaque signalétique | ||||
| 808 | 2610948995 | 2.18 | 2.62 | |
| Jeu De Balais | ||||
| 810 | 2610007957 | 9.47 | 11.36 | |
| Porte-Balais | ||||
| 816 | 2610013632 | 26.62 | 31.94 | |
| Plus disponible, pas de remplacement | ||||
| 821 | 3604652501 | |||
| Support | ||||
| 826 | 2610997115 | 81.47 | 97.76 | |