Vous trouverez ici toutes les pièces et dessins disponibles du 'Bosch 0601568708 ( GKS66CE )'. De là, vous pouvez commander directement toutes les pièces souhaitées. De nombreuses pièces doivent être commandées auprès du fabricant, selon la marque, cela prend une à quatre semaines. Toutes les informations dont nous disposons se trouvent sur notre site Web, nous ne pouvons pas vous conseiller sur ce dont vous avez besoin, pour cela vous devrez retourner la machine pour réparation. Veuillez noter ce qui suit lors de la commande:
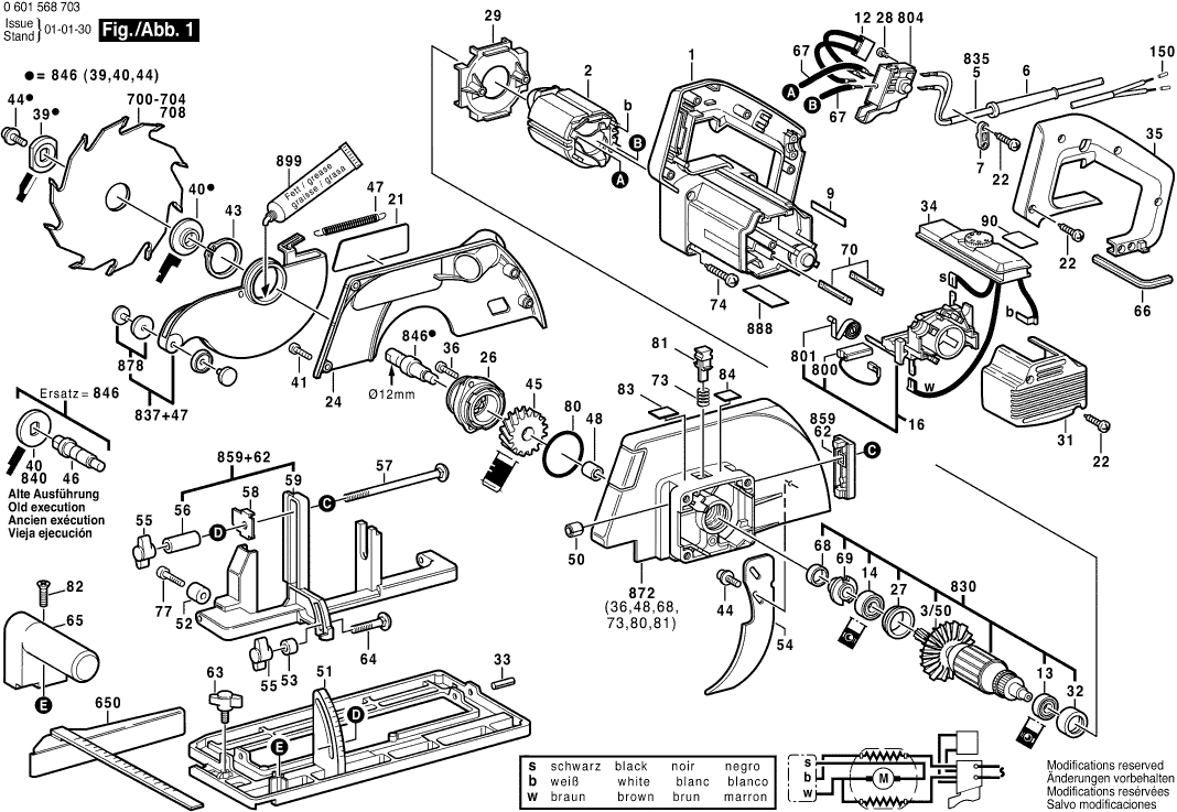
Dessins des Bosch 0601568708 ( GKS66CE )
Liste de pièces de rechange des Bosch 0601568708 ( GKS66CE )
| Pos. | Description | Prix hors TVA | Prix TTC | |
| Les prix affichés incluent la TVA | ||||
| Plus disponible, pas de remplacement | ||||
| 1 | 1605108152 | |||
| Épanouissement Polaire 220-240V | ||||
| 2 | 1604220357 | 41.30 | 49.56 | |
| Plus disponible, pas de remplacement | ||||
| 3/50 | 3606610002 | |||
| Plus disponible, pas de remplacement | ||||
| 6 | 1600703024 | |||
| Support De Cable | ||||
| 7 | 2601035001 | 1.32 | 1.58 | |
| Plaque De Marque | ||||
| 9 | 1601110483 | 2.18 | 2.62 | |
| Plus disponible, pas de remplacement | ||||
| 12 | 1607328028 | |||
| Roulement A Billes 7x19x6 | ||||
| 13 | 2600905032 | 4.58 | 5.50 | |
| Plus disponible, pas de remplacement | ||||
| 14 | 1610905009 | |||
| Plus disponible, pas de remplacement | ||||
| 16 | 1604336024 | |||
| Plaque De Marque | ||||
| 21 | 1601110637 | 3.71 | 4.45 | |
| Vis à Tôle DIN7981-ST3,9x16-C-Z | ||||
| 22 | 2912401019 | 1.00 | 1.20 | |
| Capot De Protection | ||||
| 24 | 1605510157 | 11.02 | 13.22 | |
| Flasque De Palier | ||||
| 26 | 1605808065 | 9.47 | 11.36 | |
| Bague Intermediaire | ||||
| 27 | 1600221003 | 2.18 | 2.62 | |
| Vis à tête cylindrique M3x6,5-4.8 | ||||
| 28 | 2603410001 | 1.32 | 1.58 | |
| Deflecteur D’air | ||||
| 29 | 3600591002 | 4.10 | 4.92 | |
| Plus disponible, pas de remplacement | ||||
| 31 | 1605500156 | |||
| Bague Intermediaire | ||||
| 32 | 1600502011 | 2.18 | 2.62 | |
| Goupille Elastique 6x22 DIN7346 | ||||
| 33 | 2917780150 | 1.00 | 1.20 | |
| Plus disponible, pas de remplacement | ||||
| 34 | 1607233030 | |||
| Poignee Couvercle BLEU | ||||
| 35 | 1605500159 | 7.58 | 9.10 | |
| Vis autotaradeuse p. défo | ||||
| 36 | 2603435042 | 1.32 | 1.58 | |
| Rondelle Elast. Conique | ||||
| 39 | 1605703107 | 3.04 | 3.65 | |
| Plus disponible, pas de remplacement | ||||
| 40 | 1605703091 | |||
| Vis A Tete Bombee Torx M4x12 | ||||
| 41 | 2610386516 | 1.32 | 1.58 | |
| Vis autotaradeuse p. défo DIN 7500-M 4x12 | ||||
| 41 | 2914491409 | 0.83 | 1.00 | |
| Plus disponible, pas de remplacement | ||||
| 43 | 2916650020 | |||
| Vis cyl SixPans Creux CHC M6x14 MM | ||||
| 44 | 1603414007 | 1.32 | 1.58 | |
| Roue Cylindrique Z=41 | ||||
| 45 | 1606320081 | 18.19 | 21.83 | |
| Arbre D’entrainement M6, Ø12 MM | ||||
| 46 | 1603124119 | 7.58 | 9.10 | |
| Plus disponible, pas de remplacement | ||||
| 47 | 1604649001 | |||
| Plus disponible, pas de remplacement | ||||
| 48 | 1600910019 | |||
| Douille De Guidage | ||||
| 50 | 1600309011 | 0.83 | 1.00 | |
| Plus disponible, pas de remplacement | ||||
| 51 | 1608000107 | |||
| Tampon En Caoutchouc | ||||
| 52 | 1600305001 | 1.00 | 1.20 | |
| Entretoise | ||||
| 53 | 1600309012 | 1.00 | 1.20 | |
| Couteau-Diviseur | ||||
| 54 | 1600025013 | 2.18 | 2.62 | |
| Ecrou Hex | ||||
| 55 | 2610387875 | 2.18 | 2.62 | |
| Plus disponible, pas de remplacement | ||||
| 56 | 1600309013 | |||
| Plus disponible, pas de remplacement | ||||
| 57 | 1603434005 | |||
| Plus disponible, pas de remplacement | ||||
| 58 | 1601329015 | |||
| Levier Pivotant | ||||
| 59 | 1608190013 | 33.45 | 40.14 | |
| Piece De Pression | ||||
| 62 | 1608040112 | 4.10 | 4.92 | |
| Plus disponible, pas de remplacement | ||||
| 63 | 1603480022 | |||
| Boulon A Tete Bombee DIN 603-M6x35 | ||||
| 64 | 2910281207 | 0.83 | 1.00 | |
| Poignee Auxiliaire NOIR | ||||
| 65 | 1605133039 | 7.58 | 9.10 | |
| Tournevis Coude | ||||
| 66 | 1907950006 | 3.71 | 4.45 | |
| Cle Male Coudee Pour Vis | ||||
| 66 | 2610364015 | 3.04 | 3.65 | |
| Boite Antiparasite | ||||
| 67 | 1604503014 | 7.58 | 9.10 | |
| Bague D’etancheite | ||||
| 68 | 1600290016 | 2.18 | 2.62 | |
| Plus disponible, pas de remplacement | ||||
| 69 | 1600390013 | |||
| Fiche Plate | ||||
| 70 | 1604477005 | 2.18 | 2.62 | |
| Ressort De Compression | ||||
| 73 | 1604611029 | 1.18 | 1.42 | |
| Vis autotaradeuse p. défo TT M5x30 MM | ||||
| 74 | 1603435022 | 0.83 | 1.00 | |
| Vis à tête cylindrique DIN 923-M4x10-5.8 | ||||
| 77 | 2910271120 | 1.18 | 1.42 | |
| Joint torique 46,0x1,1 MM ROUGE | ||||
| 80 | 3600210124 | 2.52 | 3.02 | |
| Piece De Verrouillage | ||||
| 81 | 1603231011 | 3.31 | 3.97 | |
| Vis A Tete Bombee DIN 7985-M6x16-4.8 | ||||
| 82 | 2910641197 | 0.83 | 1.00 | |
| Plaquette Indicatrice | ||||
| 83 | 1601110470 | 1.00 | 1.20 | |
| Plaquette Indicatrice | ||||
| 90 | 1601110656 | 1.94 | 2.33 | |
| Plus disponible, pas de remplacement | ||||
| 650 | 2608190002 | |||
| Plus disponible, pas de remplacement | ||||
| 800 | 1607014129 | |||
| Ressort Spiral | ||||
| 801 | 2604652008 | 1.18 | 1.42 | |
| Interrupteur | ||||
| 804 | 1607000231 | 15.61 | 18.73 | |
| Plus disponible, pas de remplacement | ||||
| 830 | 1604010339 | |||
| Câble d alimentation EU 230V 4,15m 2 x 1,0mm H05 | ||||
| 835 | 1607000386 | 17.60 | 21.12 | |
| Plus disponible, pas de remplacement | ||||
| 837 | 1605510172 | |||
| Flasque | ||||
| 840 | 1605703093 | 23.75 | 28.50 | |
| Plus disponible, pas de remplacement | ||||
| 846 | 1607000225 | |||
| Plus disponible, pas de remplacement | ||||
| 859 | 1607000197 | |||
| Jeu De Pieces | ||||
| 872 | 1607000223 | 113.29 | 135.95 | |
| Plus disponible, pas de remplacement | ||||
| 878 | 1607000205 | |||
| Plaque signalétique | ||||
| 888 | 160111A3H3 | 2.18 | 2.62 | |
| Tube De Graisse 225 ML | ||||
| 899 | 1605430003 | 33.33 | 40.00 | |