Vous trouverez ici toutes les pièces et dessins disponibles du 'Bosch 0601436808 ( GDS18E )'. De là, vous pouvez commander directement toutes les pièces souhaitées. De nombreuses pièces doivent être commandées auprès du fabricant, selon la marque, cela prend une à quatre semaines. Toutes les informations dont nous disposons se trouvent sur notre site Web, nous ne pouvons pas vous conseiller sur ce dont vous avez besoin, pour cela vous devrez retourner la machine pour réparation. Veuillez noter ce qui suit lors de la commande:
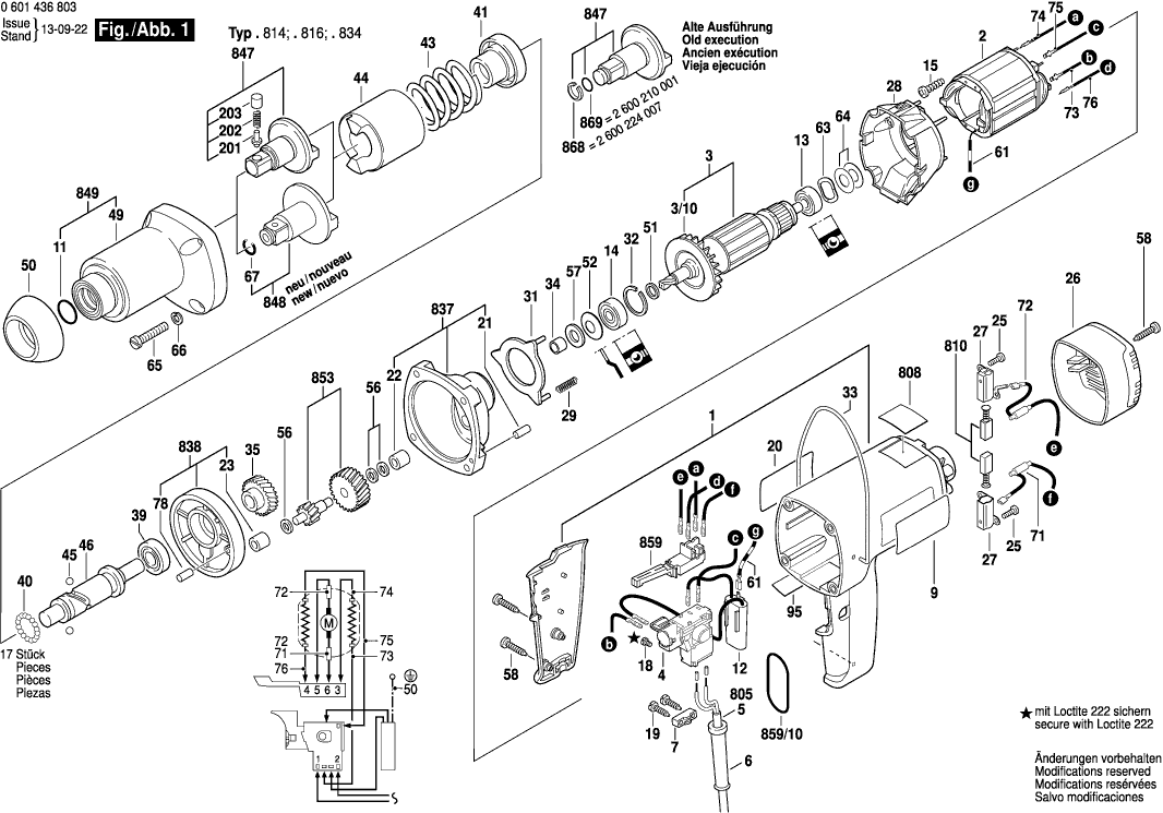
Dessins des Bosch 0601436808 ( GDS18E )
Liste de pièces de rechange des Bosch 0601436808 ( GDS18E )
| Pos. | Description | Prix hors TVA | Prix TTC | |
| Les prix affichés incluent la TVA | ||||
| Carter De Moteur BLEU | ||||
| 1 | 3605108109 | 55.56 | 66.67 | |
| Épanouissement Polaire 220-230V | ||||
| 2 | 2604220429 | 22.88 | 27.46 | |
| Induit 220-230V | ||||
| 3 | 2604010629 | 61.93 | 74.32 | |
| Ventilateur | ||||
| 3/10 | 2606610049 | 1.90 | 2.28 | |
| Commutateur | ||||
| 4 | 2607200248 | 75.38 | 90.46 | |
| Manchon Ø7,3-Ø8,6x67 MM | ||||
| 6 | 1600703031 | 2.52 | 3.02 | |
| Support De Cable | ||||
| 7 | 2601035001 | 1.32 | 1.58 | |
| Etiquette Adhesive | ||||
| 9 | 3601110365 | 1.32 | 1.58 | |
| Joint torique 22,0x2,2 MM | ||||
| 11 | 3600210134 | 1.90 | 2.28 | |
| Filtre D’antiparasitage | ||||
| 12 | 2607329096 | 6.53 | 7.84 | |
| Roulement A Billes 7x22x7 | ||||
| 13 | 1900905018 | 15.61 | 18.73 | |
| Roulement A Billes Rigide 9x24x7 | ||||
| 14 | 2600905021 | 7.32 | 8.78 | |
| Vis Empreinte Cruciforme DIN 7981-ST3,5x9,5-F | ||||
| 15 | 2603435015 | 1.90 | 2.28 | |
| Vis à tête cylindrique M3x6,5-4.8 | ||||
| 18 | 2603410001 | 1.32 | 1.58 | |
| Vis 4x16 | ||||
| 19 | 2603490022 | 1.00 | 1.20 | |
| Etiquette Adhesive | ||||
| 20 | 3601110367 | 2.71 | 3.25 | |
| Goupille Cylindrique 4 H 8x12 DIN 7 | ||||
| 21 | 2917500095 | 1.32 | 1.58 | |
| Roulement A Aiguilles Ø6 MM | ||||
| 22 | 2600914010 | 2.52 | 3.02 | |
| Roulement A Aiguilles Ø6 MM | ||||
| 23 | 2600914010 | 2.52 | 3.02 | |
| Vis A Tete Bombee 3x10 ST | ||||
| 25 | 1613435034 | 1.00 | 1.20 | |
| Couvercle De Carter NOIR | ||||
| 26 | 3605500018 | 6.53 | 7.84 | |
| Porte-Balais | ||||
| 27 | 2604337003 | 1.90 | 2.28 | |
| Deflecteur D’air | ||||
| 28 | 3605500017 | 5.83 | 7.00 | |
| Ressort De Compression | ||||
| 29 | 2604611024 | 1.90 | 2.28 | |
| Rondelle D’appui | ||||
| 31 | 3600190003 | 3.71 | 4.45 | |
| Anneau de retenue DIN 472-24x1,2 MM | ||||
| 32 | 2916660008 | 1.90 | 2.28 | |
| Etrier De Suspension | ||||
| 33 | 2604682001 | 5.83 | 7.00 | |
| Fiche Femelle | ||||
| 34 | 2600400008 | 1.32 | 1.58 | |
| Roue Cylindrique Z=31 | ||||
| 35 | 2606317001 | 30.08 | 36.10 | |
| Roulement A Billes Rigide 12x28x8 | ||||
| 39 | 1900900287 | 20.39 | 24.47 | |
| Bille DIN 5401-4 MM-III-ST | ||||
| 40 | 1903230007 | 1.32 | 1.58 | |
| Coussinet | ||||
| 41 | 1605801018 | 45.52 | 54.62 | |
| Ressort De Compression | ||||
| 43 | 1604619010 | 5.96 | 7.15 | |
| Frappeur | ||||
| 44 | 2608710001 | 210.30 | 252.36 | |
| Bille DIN 5401-Ø7MM-III-ST | ||||
| 45 | 1903230013 | 1.90 | 2.28 | |
| Arbre D’entrainement | ||||
| 46 | 2603124002 | 82.63 | 99.16 | |
| Boitier D’etande | ||||
| 49 | 3605190188 | 102.63 | 123.16 | |
| Bague De Protection | ||||
| 50 | 2600250005 | 3.71 | 4.45 | |
| Bague Entretoise | ||||
| 51 | 3600113007 | 1.90 | 2.28 | |
| Rondelle Cuvette | ||||
| 52 | 2600500002 | 1.32 | 1.58 | |
| Rondelle De Compensation 1,0 MM | ||||
| 56 | 2600100569 | 1.32 | 1.58 | |
| Rondelle De Feutre | ||||
| 57 | 2600108077 | 1.32 | 1.58 | |
| Vis à Tôle DIN 7971-BZ3,9x19 | ||||
| 58 | 2910211020 | 1.90 | 2.28 | |
| Cable | ||||
| 61 | 3604431001 | 2.18 | 2.62 | |
| Rondelle De Compensation | ||||
| 63 | 2600150004 | 1.90 | 2.28 | |
| Rondelle De Compensation 0,5 MM | ||||
| 64 | 2600101020 | 1.32 | 1.58 | |
| Rondelle De Compensation 0,2 MM | ||||
| 64 | 2600101022 | 1.32 | 1.58 | |
| Rondelle De Compensation 0,3 MM | ||||
| 64 | 2600101023 | 1.32 | 1.58 | |
| Vis cyl SixPans Creux CHC DIN 912-M 5x30-8.8 | ||||
| 65 | 2910141166 | 1.32 | 1.58 | |
| Rondelle élastique DIN 128-A5-FST | ||||
| 66 | 2916690004 | 1.32 | 1.58 | |
| Anneau élastique | ||||
| 67 | 3600224063 | 2.52 | 3.02 | |
| Filtre D’antiparasitage | ||||
| 71 | 3604503005 | 8.48 | 10.18 | |
| Filtre D’antiparasitage | ||||
| 72 | 3604503006 | 8.48 | 10.18 | |
| Cable BLEU | ||||
| 73 | 3604431000 | 5.27 | 6.32 | |
| Cable GRIS | ||||
| 74 | 3604431019 | 4.10 | 4.92 | |
| Cable NOIR | ||||
| 75 | 3604431008 | 5.27 | 6.32 | |
| Cable BLANC | ||||
| 76 | 3604431020 | 5.27 | 6.32 | |
| Goupille Cylindrique 4 H 8x24 DIN 7 | ||||
| 78 | 2917500101 | 1.32 | 1.58 | |
| Câble d alimentation EU 4,15m 2 x 1,0mm H07 RN-F | ||||
| 805 | 1607000227 | 22.88 | 27.46 | |
| Plaque signalétique | ||||
| 808 | 160111A3H6 | 2.18 | 2.62 | |
| Jeu De Balais 10 x 2 604 321 905 | ||||
| 810 | 1607000484 | 82.63 | 99.16 | |
| Jeu De Balais | ||||
| 810 | 2604321905 | 9.47 | 11.36 | |
| Palier Intermédiaire | ||||
| 837 | 3605500187 | 102.63 | 123.16 | |
| Bride Intermediaire | ||||
| 838 | 3605700120 | 37.50 | 45.00 | |
| Porte Outil | ||||
| 848 | 3607030424 | 146.07 | 175.28 | |
| Boitier D’etande | ||||
| 849 | 3605190188 | 102.63 | 123.16 | |
| Arbre Dentele | ||||
| 853 | 3606309058 | 67.98 | 81.58 | |
| Commutateur | ||||
| 859 | 1617200042 | 13.90 | 16.68 | |
| Joint torique 33,0x2,0 MM | ||||
| 859/10 | 2600210019 | 1.32 | 1.58 | |
| Plus disponible, pas de remplacement | ||||
| 868 | 2600224007 | |||
| Joint torique 7,65x1,78 MM | ||||
| 869 | 2600210001 | 1.90 | 2.28 | |