Vous trouverez ici toutes les pièces et dessins disponibles du 'Bosch 0601273903 ( GBS100A )'. De là, vous pouvez commander directement toutes les pièces souhaitées. De nombreuses pièces doivent être commandées auprès du fabricant, selon la marque, cela prend une à quatre semaines. Toutes les informations dont nous disposons se trouvent sur notre site Web, nous ne pouvons pas vous conseiller sur ce dont vous avez besoin, pour cela vous devrez retourner la machine pour réparation. Veuillez noter ce qui suit lors de la commande:
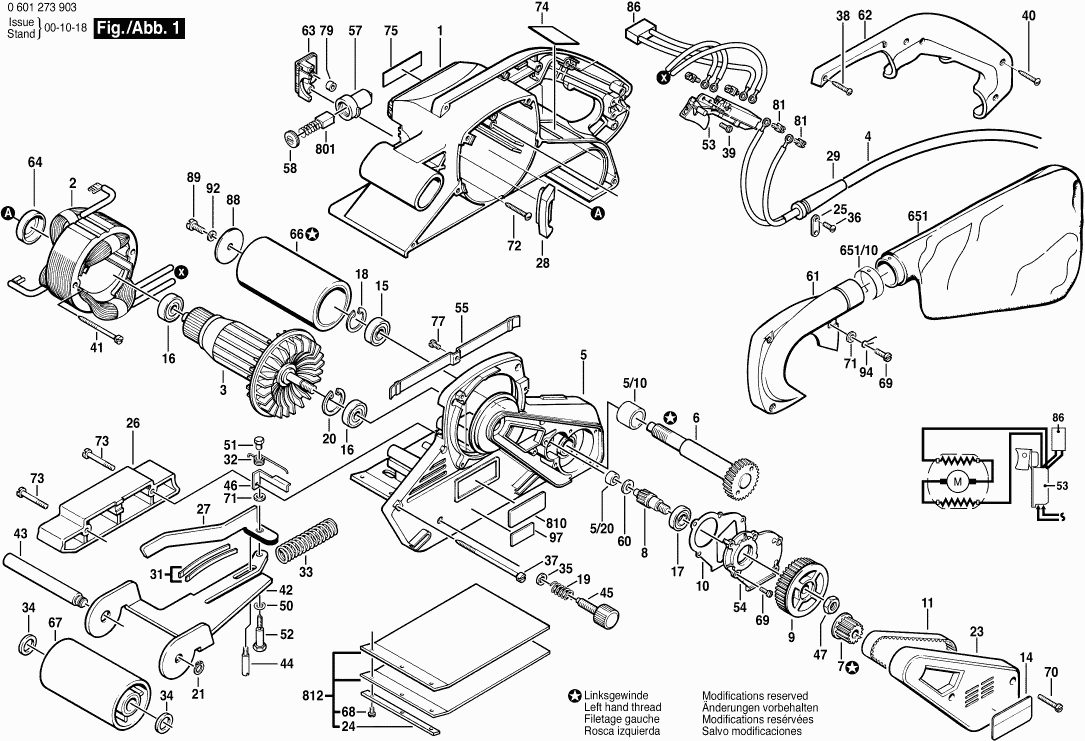
Dessins des Bosch 0601273903 ( GBS100A )
Liste de pièces de rechange des Bosch 0601273903 ( GBS100A )
| Pos. | Description | Prix hors TVA | Prix TTC | |
| Les prix affichés incluent la TVA | ||||
| Plus disponible, pas de remplacement | ||||
| 1 | 3605108565 | |||
| Plus disponible, pas de remplacement | ||||
| 2 | 3604220518 | |||
| Plus disponible, pas de remplacement | ||||
| 3 | 3604011523 | |||
| Plus disponible, pas de remplacement | ||||
| 4 | 3604460526 | |||
| Plus disponible, pas de remplacement | ||||
| 5 | 3605806508 | |||
| Plus disponible, pas de remplacement | ||||
| 5/10 | 3600301501 | |||
| Coussinet Ø 7,8 MM | ||||
| 5/20 | 3600301502 | 2.52 | 3.02 | |
| Plus disponible, pas de remplacement | ||||
| 6 | 3606100511 | |||
| Pignon Z=12 | ||||
| 7 | 3606625531 | 20.39 | 24.47 | |
| Plus disponible, pas de remplacement | ||||
| 8 | 3606302500 | |||
| Roue A Courroie Dentee Z=34 | ||||
| 9 | 3606625529 | 20.39 | 24.47 | |
| Garniture 0,8 MM | ||||
| 10 | 3601015503 | 2.24 | 2.69 | |
| Plus disponible, pas de remplacement | ||||
| 11 | 3604736505 | |||
| Plus disponible, pas de remplacement | ||||
| 14 | 3601119674 | |||
| Roulement A Billes Rigide 12x32x10 | ||||
| 15 | 1600905007 | 8.45 | 10.14 | |
| Plus disponible, pas de remplacement | ||||
| 16 | 2610904891 | |||
| Roulement A Billes Rigide 12x28x8 | ||||
| 17 | 1900905161 | 20.39 | 24.47 | |
| Plus disponible, pas de remplacement | ||||
| 18 | 3600119509 | |||
| Plus disponible, pas de remplacement | ||||
| 19 | 3604625500 | |||
| Plus disponible, pas de remplacement | ||||
| 20 | 3600119503 | |||
| Anneau de retenue DIN 471-10x1MM-FSt | ||||
| 21 | 2916650001 | 2.18 | 2.62 | |
| Couvercle D’engrenage BLEU | ||||
| 23 | 2610990025 | 8.48 | 10.18 | |
| Patte | ||||
| 24 | 3601036500 | 2.18 | 2.62 | |
| Collier De Fixation | ||||
| 25 | 3601032500 | 6.53 | 7.84 | |
| Tole De Protection | ||||
| 26 | 3605510525 | 11.02 | 13.22 | |
| Levier | ||||
| 27 | 3601923502 | 13.90 | 16.68 | |
| Plus disponible, pas de remplacement | ||||
| 28 | 3605108566 | |||
| Manchon Ø 9,4 MM | ||||
| 29 | 3600707503 | 3.04 | 3.65 | |
| Plus disponible, pas de remplacement | ||||
| 31 | 3601254500 | |||
| Plus disponible, pas de remplacement | ||||
| 32 | 3604651500 | |||
| Plus disponible, pas de remplacement | ||||
| 33 | 3604619500 | |||
| Plus disponible, pas de remplacement | ||||
| 34 | 3600101501 | |||
| Rondelle De Compensation | ||||
| 35 | 2610992475 | 1.32 | 1.58 | |
| Plus disponible, pas de remplacement | ||||
| 36 | 2910611011 | |||
| Vis à Tôle | ||||
| 37 | 2610991306 | 1.32 | 1.58 | |
| Plus disponible, pas de remplacement | ||||
| 38 | 2910611013 | |||
| Plus disponible, pas de remplacement | ||||
| 39 | 2910611424 | |||
| Plus disponible, pas de remplacement | ||||
| 40 | 2910611028 | |||
| Vis B 4,8x45 MM | ||||
| 41 | 3603415560 | 1.00 | 1.20 | |
| Plus disponible, pas de remplacement | ||||
| 42 | 3601321524 | |||
| Arbre-Palier | ||||
| 43 | 3603004501 | 13.90 | 16.68 | |
| Pivot | ||||
| 44 | 3603405509 | 2.18 | 2.62 | |
| Vis De Reglage | ||||
| 45 | 3603481507 | 13.93 | 16.72 | |
| Equerre De Fixation | ||||
| 46 | 3601230500 | 2.18 | 2.62 | |
| Ecrou Hex DIN 439-BM10-04 | ||||
| 47 | 2915051108 | 1.18 | 1.42 | |
| Rondelle Elastique | ||||
| 50 | 3600150505 | 2.18 | 2.62 | |
| Coupelle de ressort M 5x0,8 MM | ||||
| 51 | 3603315500 | 2.18 | 2.62 | |
| Vis Tête Hexagonale 5x0,8 MM | ||||
| 52 | 3603453500 | 3.04 | 3.65 | |
| Plus disponible, pas de remplacement | ||||
| 53 | 3607200507 | |||
| Couvercle D’engrenage | ||||
| 54 | 2610993630 | 22.88 | 27.46 | |
| Corps | ||||
| 55 | 3601321527 | 12.21 | 14.65 | |
| Porte-Balais | ||||
| 57 | 3600492504 | 13.90 | 16.68 | |
| Plus disponible, pas de remplacement | ||||
| 58 | 2610994437 | |||
| Rondelle De Compensation | ||||
| 60 | 3600100504 | 2.18 | 2.62 | |
| Couvercle De Ventilateur BLEU | ||||
| 61 | 3605500579 | 5.96 | 7.15 | |
| Poignee Couvercle BLEU | ||||
| 62 | 2610994470 | 7.58 | 9.10 | |
| Plus disponible, pas de remplacement | ||||
| 63 | 3605500578 | |||
| Coussinet | ||||
| 64 | 3600206502 | 1.90 | 2.28 | |
| Plus disponible, pas de remplacement | ||||
| 66 | 3606625540 | |||
| Plus disponible, pas de remplacement | ||||
| 67 | 3606625533 | |||
| Vis A Tete Bombee | ||||
| 68 | 2910641082 | 1.00 | 1.20 | |
| Vis 4x13 MM | ||||
| 69 | 3603415540 | 2.18 | 2.62 | |
| Vis 4x25 MM | ||||
| 70 | 3603429514 | 1.32 | 1.58 | |
| Rondelle plate DIN 125-A4,3-ST | ||||
| 71 | 2916011010 | 1.00 | 1.20 | |
| Vis à Tôle | ||||
| 72 | 3603435507 | 1.18 | 1.42 | |
| Vis 4x35 MM | ||||
| 73 | 3603429513 | 1.32 | 1.58 | |
| Plaquette Indicatrice | ||||
| 74 | 3601119576 | 1.00 | 1.20 | |
| Plus disponible, pas de remplacement | ||||
| 75 | 3601119679 | |||
| Plus disponible, pas de remplacement | ||||
| 77 | 3603429512 | |||
| Plus disponible, pas de remplacement | ||||
| 79 | 3600305500 | |||
| Vis à tête cylindrique | ||||
| 81 | 3603433506 | 1.94 | 2.33 | |
| Plus disponible, pas de remplacement | ||||
| 86 | 3607328501 | |||
| Plus disponible, pas de remplacement | ||||
| 88 | 3600100516 | |||
| Pas d'informations disponibles, non commandable | ||||
| 89 | 3603410502 | |||
| Rondelle plate DIN 433-5,3-ST | ||||
| 92 | 2916011011 | 1.32 | 1.58 | |
| Passe-Cables | ||||
| 94 | 3604680500 | 2.18 | 2.62 | |
| Plus disponible, pas de remplacement | ||||
| 97 | 1601110265 | |||
| Sac A Poussiere | ||||
| 651 | 2610997000 | 36.85 | 44.22 | |
| Plus disponible, pas de remplacement | ||||
| 651/10 | 3601253503 | |||
| Plus disponible, pas de remplacement | ||||
| 801 | 3607014507 | |||
| Plaque signalétique | ||||
| 810 | 160111A3H3 | 2.18 | 2.62 | |
| Plus disponible, pas de remplacement | ||||
| 812 | 3601010516 | |||