Vous trouverez ici toutes les pièces et dessins disponibles du 'Bosch 0601139561 ( GBM350RE )'. De là, vous pouvez commander directement toutes les pièces souhaitées. De nombreuses pièces doivent être commandées auprès du fabricant, selon la marque, cela prend une à quatre semaines. Toutes les informations dont nous disposons se trouvent sur notre site Web, nous ne pouvons pas vous conseiller sur ce dont vous avez besoin, pour cela vous devrez retourner la machine pour réparation. Veuillez noter ce qui suit lors de la commande:
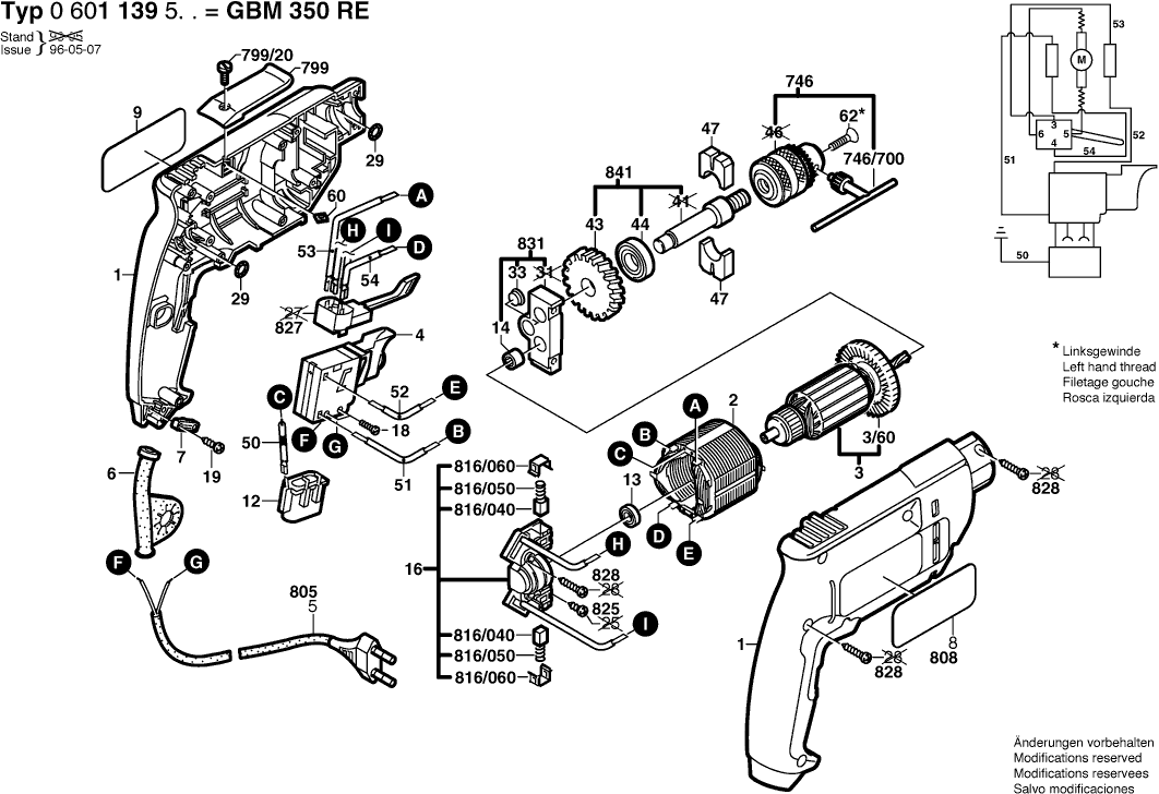
Dessins des Bosch 0601139561 ( GBM350RE )
Liste de pièces de rechange des Bosch 0601139561 ( GBM350RE )
| Pos. | Description | Prix hors TVA | Prix TTC | |
| Les prix affichés incluent la TVA | ||||
| Coquille BLEU | ||||
| 1 | 2605104316 | 15.71 | 18.85 | |
| Épanouissement Polaire 230-240V | ||||
| 2 | 2604220522 | 13.93 | 16.72 | |
| Induit 230-240V | ||||
| 3 | 2604011039 | 26.84 | 32.21 | |
| Ventilateur | ||||
| 3/60 | 1619P11262 | 2.52 | 3.02 | |
| Plus disponible, pas de remplacement | ||||
| 4 | 2607200357 | |||
| Câble d alimentation EU 2,65m 2 x 1,0mm H05 RN-F | ||||
| 5 | 1607000388 | 10.68 | 12.82 | |
| Manchon Ø6,9 MM | ||||
| 6 | 2600707059 | 3.04 | 3.65 | |
| Manchon Ø8,8 MM | ||||
| 6 | 2600707061 | 2.52 | 3.02 | |
| Support De Cable | ||||
| 7 | 2601035001 | 1.32 | 1.58 | |
| Plaque De Marque CÔTÉ SOLEIL | ||||
| 9 | 2601118408 | 1.18 | 1.42 | |
| Plus disponible, pas de remplacement | ||||
| 12 | 2607329114 | |||
| Roulement A Billes Rigide 8x19x6 | ||||
| 13 | 2600905046 | 9.47 | 11.36 | |
| Roulement A Aiguilles Ø8x8 MM | ||||
| 14 | 2600917003 | 2.52 | 3.02 | |
| Plus disponible, pas de remplacement | ||||
| 16 | 2609992606 | |||
| Vis à tête cylindrique M3x6,5-4.8 | ||||
| 18 | 2603410001 | 1.32 | 1.58 | |
| Vis à Tôle DIN 7981-ST3,9x16-C-H | ||||
| 19 | 2910611019 | 2.52 | 3.02 | |
| Plus disponible, pas de remplacement | ||||
| 29 | 2600210036 | |||
| Couvercle | ||||
| 33 | 2605500111 | 1.18 | 1.42 | |
| Roue Cylindrique Z=69 | ||||
| 43 | 2606316140 | 6.54 | 7.85 | |
| Roulement A Billes Rigide 6200-2Z DIN 625 | ||||
| 44 | 1900905232 | 20.39 | 24.47 | |
| Plaque En Feutre | ||||
| 47 | 2600005005 | 1.18 | 1.42 | |
| Plus disponible, pas de remplacement | ||||
| 50 | 2604448170 | |||
| Plus disponible, pas de remplacement | ||||
| 51 | 2604448060 | |||
| Plus disponible, pas de remplacement | ||||
| 52 | 2604448045 | |||
| Cable De Connexion L=103 MM BLEU | ||||
| 53 | 2604448132 | 1.00 | 1.20 | |
| Cable De Connexion L=88 MM BLANC | ||||
| 54 | 2604448034 | 1.32 | 1.58 | |
| Ecrou Carre DIN 562-M4-04 | ||||
| 60 | 2915121004 | 0.83 | 1.00 | |
| Vis à tête fraisée M6x20 MM FILET À GAUCHE | ||||
| 62 | 2603421211 | 1.70 | 2.04 | |
| Pas d'informations disponibles, non commandable | ||||
| 746 | 1608571061 | |||
| Cle De Mandrin SG2 | ||||
| 746/700 | 2607950007 | 5.96 | 7.15 | |
| Obturateur De Canal NOIR | ||||
| 799 | 2608040050 | 0.83 | 1.00 | |
| Vis à tête cylindrique DIN 85-M4x10-4.8 | ||||
| 799/20 | 2910091120 | 1.00 | 1.20 | |
| Plaque signalétique | ||||
| 808 | 160111A3H3 | 2.18 | 2.62 | |
| Plus disponible, pas de remplacement | ||||
| 816/040 | 2604321915 | |||
| Ressort De Compression | ||||
| 816/050 | 2604610026 | 2.18 | 2.62 | |
| Capuchon A Crans D'arret | ||||
| 816/060 | 2601322017 | 1.32 | 1.58 | |
| Vis à Tôle DIN 7981-B2,9x16-C-H | ||||
| 825 | 2910611007 | 1.00 | 1.20 | |
| Commutateur | ||||
| 827 | 2607200231 | 13.90 | 16.68 | |
| Vis à Tôle DIN 7981-ST3,9x19-C-H | ||||
| 828 | 2910611020 | 1.32 | 1.58 | |
| Console Terminale | ||||
| 831 | 2605807927 | 8.45 | 10.14 | |
| Broche De Percage 1/2" | ||||
| 841 | 2606135921 | 20.42 | 24.50 | |