Vous trouverez ici toutes les pièces et dessins disponibles du 'Bosch 0601137503 ( GBM10SRE )'. De là, vous pouvez commander directement toutes les pièces souhaitées. De nombreuses pièces doivent être commandées auprès du fabricant, selon la marque, cela prend une à quatre semaines. Toutes les informations dont nous disposons se trouvent sur notre site Web, nous ne pouvons pas vous conseiller sur ce dont vous avez besoin, pour cela vous devrez retourner la machine pour réparation. Veuillez noter ce qui suit lors de la commande:
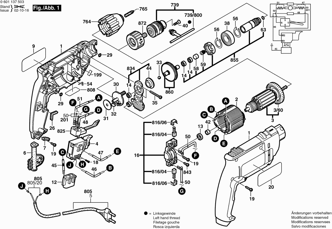
Dessins des Bosch 0601137503 ( GBM10SRE )
Liste de pièces de rechange des Bosch 0601137503 ( GBM10SRE )
| Pos. | Description | Prix hors TVA | Prix TTC | |
| Les prix affichés incluent la TVA | ||||
| Coquille BLEU | ||||
| 1 | 2605104378 | 11.02 | 13.22 | |
| Plus disponible, pas de remplacement | ||||
| 2 | 2604220423 | |||
| Plus disponible, pas de remplacement | ||||
| 3 | 2604010707 | |||
| Ventilateur | ||||
| 3/60 | 1619P11262 | 2.52 | 3.02 | |
| Commutateur | ||||
| 4 | 2607200202 | 37.50 | 45.00 | |
| Manchon Ø6,2-Ø6,9x84 MM | ||||
| 6 | 2600703036 | 1.70 | 2.04 | |
| Support De Cable | ||||
| 7 | 2601035001 | 1.32 | 1.58 | |
| Plaque De Marque | ||||
| 9 | 2601116661 | 2.71 | 3.25 | |
| Plus disponible, pas de remplacement | ||||
| 12 | 2607329114 | |||
| Roulement A Billes 7x19x6 | ||||
| 13 | 2600905032 | 4.58 | 5.50 | |
| Roulement A Aiguilles Ø8x8 MM | ||||
| 14 | 2600917003 | 2.52 | 3.02 | |
| Plus disponible, pas de remplacement | ||||
| 16 | 2609992606 | |||
| Vis à tête cylindrique M3x6,5-4.8 | ||||
| 18 | 2603410001 | 1.32 | 1.58 | |
| Vis 4x16 | ||||
| 19 | 2603490022 | 1.00 | 1.20 | |
| Plaquette Indicatrice | ||||
| 20 | 2601118585 | 1.18 | 1.42 | |
| Plus disponible, pas de remplacement | ||||
| 26 | 2601022000 | |||
| Joint torique 5,0x1,5 MM | ||||
| 29 | 1900210000 | 1.32 | 1.58 | |
| Disque De Commande | ||||
| 30 | 2601990005 | 1.00 | 1.20 | |
| Rondelle D’appui | ||||
| 31 | 2600100034 | 1.00 | 1.20 | |
| Plateau De Pression | ||||
| 32 | 2600025005 | 1.00 | 1.20 | |
| Bille DIN 5401-Ø7MM-III-ST | ||||
| 33 | 1903230013 | 1.90 | 2.28 | |
| Vis A Tete Bombee Torx 4x30 | ||||
| 35 | 2603490025 | 1.00 | 1.20 | |
| Roulement A Billes Rigide DIN 625-6003-2RS | ||||
| 38 | 1900905166 | 6.53 | 7.84 | |
| Vis à tête fraisée M6x20 MM FILET À GAUCHE | ||||
| 40 | 2603421211 | 1.70 | 2.04 | |
| Bague Entretoise | ||||
| 42 | 2600209004 | 1.94 | 2.33 | |
| Coussinet | ||||
| 44 | 2600220026 | 8.45 | 10.14 | |
| Conducteur De Terre | ||||
| 45 | 2604448103 | 0.83 | 1.00 | |
| Plus disponible, pas de remplacement | ||||
| 46 | 2604448060 | |||
| Plus disponible, pas de remplacement | ||||
| 47 | 2604448045 | |||
| Cable De Connexion L=88 MM BLANC | ||||
| 48 | 2604448034 | 1.32 | 1.58 | |
| Cable De Raccordement L=73 MM BLANC | ||||
| 50 | 2604448115 | 1.00 | 1.20 | |
| Cable De Connexion L=103 MM BLEU | ||||
| 51 | 2604448132 | 1.00 | 1.20 | |
| Etrier De Contact | ||||
| 54 | 2601329043 | 2.18 | 2.62 | |
| Anneau de retenue DIN 471 17x1 MM | ||||
| 56 | 2916650008 | 1.32 | 1.58 | |
| Piece De Pression | ||||
| 58 | 2600506009 | 1.18 | 1.42 | |
| Ressort De Compression | ||||
| 59 | 2604611040 | 1.18 | 1.42 | |
| Anneau élastique | ||||
| 63 | 2604601004 | 1.32 | 1.58 | |
| Plus disponible, pas de remplacement | ||||
| 199 | 1601110265 | |||
| Pas d'informations disponibles, non commandable | ||||
| 739 | 1608571061 | |||
| Cle De Mandrin SG2 | ||||
| 739/800 | 2607950007 | 5.96 | 7.15 | |
| Plus disponible, pas de remplacement | ||||
| 764 | 2600460026 | |||
| Plus disponible, pas de remplacement | ||||
| 765 | 2607000239 | |||
| Câble d alimentation EU 2,6m 2 x 1,0 mm | ||||
| 805 | 1607000385 | 12.21 | 14.65 | |
| Embout DIN 46 228-A1-6 | ||||
| 805/20 | 1900452012 | 1.32 | 1.58 | |
| Plaque signalétique | ||||
| 808 | 160111A3H3 | 2.18 | 2.62 | |
| Plus disponible, pas de remplacement | ||||
| 816/04 | 2604321911 | |||
| Capuchon A Crans D'arret | ||||
| 816/06 | 2601322013 | 1.32 | 1.58 | |
| Commutateur | ||||
| 825 | 2607200231 | 13.90 | 16.68 | |
| Console Terminale | ||||
| 834 | 2605807924 | 15.61 | 18.73 | |
| Vis à Tôle DIN 7981-ST2,9x13-C-H | ||||
| 843 | 2910611006 | 1.32 | 1.58 | |
| Broche De Percage | ||||
| 855 | 2606135919 | 36.85 | 44.22 | |
| Arbre Intermediaire | ||||
| 860 | 2606100916 | 9.53 | 11.44 | |
| Plus disponible, pas de remplacement | ||||
| 872 | 2608500006 | |||