Vous trouverez ici toutes les pièces et dessins disponibles du 'Bosch 3611B3A041 ( GBH3-28DRE )'. De là, vous pouvez commander directement toutes les pièces souhaitées. De nombreuses pièces doivent être commandées auprès du fabricant, selon la marque, cela prend une à quatre semaines. Toutes les informations dont nous disposons se trouvent sur notre site Web, nous ne pouvons pas vous conseiller sur ce dont vous avez besoin, pour cela vous devrez retourner la machine pour réparation. Veuillez noter ce qui suit lors de la commande:
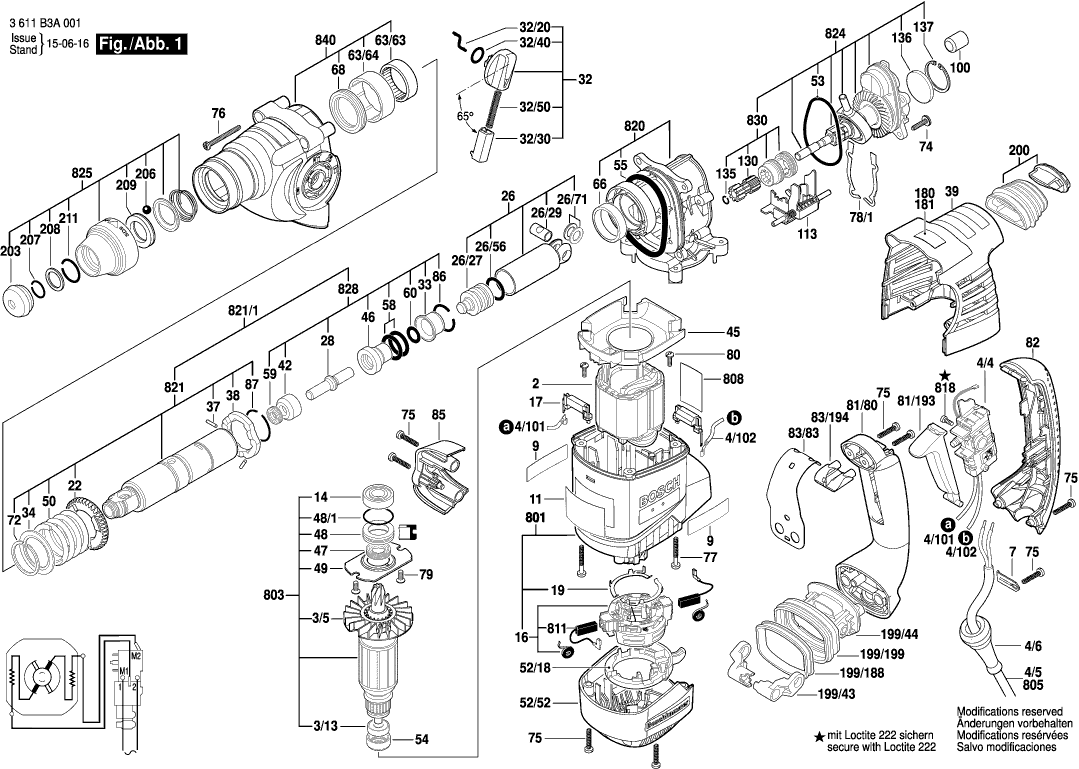
Dessins des Bosch 3611B3A041 ( GBH3-28DRE )
Liste de pièces de rechange des Bosch 3611B3A041 ( GBH3-28DRE )
| Pos. | Description | Prix hors TVA | Prix TTC | |
| Les prix affichés incluent la TVA | ||||
| Épanouissement Polaire 230V | ||||
| 2 | 1614220117 | 13.90 | 16.68 | |
| Roulement A Billes Rigide 7x19x6 | ||||
| 3/13 | 1610905032 | 4.58 | 5.50 | |
| Ventilateur | ||||
| 3/5 | 1616610104 | 7.32 | 8.78 | |
| Cable De Connexion | ||||
| 4/101 | 1614490015 | 2.52 | 3.02 | |
| Cable De Connexion | ||||
| 4/102 | 1614490016 | 2.52 | 3.02 | |
| Commutateur | ||||
| 4/4 | 1617200127 | 26.62 | 31.94 | |
| Manchon Ø7,3-Ø8,6x66 MM | ||||
| 4/6 | 1600703034 | 2.18 | 2.62 | |
| Collier De Fixation | ||||
| 7 | 1601302017 | 1.00 | 1.20 | |
| Plaque De Marque GBH 3-28 DRF | ||||
| 9 | 1611110Z41 | 1.94 | 2.33 | |
| Plaquette Indicatrice | ||||
| 11 | 1611110Z43 | 2.18 | 2.62 | |
| Roulement A Billes Rigide | ||||
| 14 | 1610905044 | 7.32 | 8.78 | |
| Couronne Porte-Balais | ||||
| 16 | 1614336064 | 17.60 | 21.12 | |
| Filtre D’antiparasitage | ||||
| 17 | 1614465011 | 5.96 | 7.15 | |
| Contact De Branchement | ||||
| 19 | 1611329024 | 1.32 | 1.58 | |
| Roue Cylindrique | ||||
| 22 | 1616312004 | 10.68 | 12.82 | |
| Piston De Marteau | ||||
| 26 | 16170006A5 | 37.50 | 45.00 | |
| Frappeur | ||||
| 26/27 | 1610311019 | 17.60 | 21.12 | |
| Goupille de piston | ||||
| 26/29 | 1600A01TD0 | 3.71 | 4.45 | |
| Joint torique 17,0x3,0 MM VERT | ||||
| 26/56 | 1610210121 | 2.18 | 2.62 | |
| Disque De Guidage | ||||
| 26/71 | 1610100016 | 1.32 | 1.58 | |
| Percuteur | ||||
| 28 | 1613124098 | 17.60 | 21.12 | |
| Manette NOIR | ||||
| 32 | 1612026151 | 12.21 | 14.65 | |
| Tenon D’entrainement | ||||
| 32/20 | 1614690009 | 3.04 | 3.65 | |
| Bouton De Commande ROUGE | ||||
| 32/30 | 1612026035 | 1.32 | 1.58 | |
| Joint torique 10,5x2,7 MM | ||||
| 32/40 | 1610210046 | 1.90 | 2.28 | |
| Ressort De Compression | ||||
| 32/50 | 1614611006 | 3.04 | 3.65 | |
| Douille De Positionnemen | ||||
| 33 | 1610590020 | 5.96 | 7.15 | |
| Rondelle D’appui | ||||
| 34 | 1610190067 | 1.90 | 2.28 | |
| Goupille Cylindrique DIN6325-2,5x12-RIKO | ||||
| 37 | 1613100019 | 1.32 | 1.58 | |
| Rondelle D’arret | ||||
| 38 | 1600A008AG | 3.04 | 3.65 | |
| Couvercle D’engrenage BLEU | ||||
| 39 | 1615808102 | 11.02 | 13.22 | |
| Bague Antifriction | ||||
| 42 | 1610102084 | 7.32 | 8.78 | |
| Deflecteur D’air | ||||
| 45 | 1610591046 | 1.32 | 1.58 | |
| Douille De Guidage | ||||
| 46 | 1610390068 | 13.90 | 16.68 | |
| Bague D’etancheite | ||||
| 47 | 1610283047 | 10.68 | 12.82 | |
| Bague Pour Palier | ||||
| 48 | 1610290102 | 5.96 | 7.15 | |
| Joint torique 24,0x2,0 MM | ||||
| 48/1 | 1610210208 | 1.32 | 1.58 | |
| Palier | ||||
| 49 | 1615700044 | 1.90 | 2.28 | |
| Ressort De Compression | ||||
| 50 | 1614615008 | 5.27 | 6.32 | |
| Anneau De Fil Jarretier | ||||
| 52/18 | 1610290098 | 3.71 | 4.45 | |
| Capot NOIR | ||||
| 52/52 | 1615108154 | 8.48 | 10.18 | |
| Joint torique | ||||
| 53 | 1610210245 | 2.52 | 3.02 | |
| Bague Intermediaire | ||||
| 54 | 1600502023 | 1.90 | 2.28 | |
| joint d’étanchéité 63,0x5,0 MM | ||||
| 55 | 1610210206 | 5.27 | 6.32 | |
| Joint torique 18,0x3,5 MM | ||||
| 58 | 1610210105 | 3.71 | 4.45 | |
| Joint A Lèvres | ||||
| 59 | 1600A009VC | 2.52 | 3.02 | |
| Joint torique 9,5x3,5 MM | ||||
| 60 | 1610210209 | 1.32 | 1.58 | |
| Douille à aiguilles Ø30xØ37x12 MM | ||||
| 63/63 | 1610910063 | 5.27 | 6.32 | |
| Douille | ||||
| 63/64 | 1610390069 | 1.90 | 2.28 | |
| Palier-Glisseur | ||||
| 66 | 1610202021 | 2.18 | 2.62 | |
| Bague D’etancheite | ||||
| 68 | 1610283036 | 6.53 | 7.84 | |
| Anneau élastique | ||||
| 72 | 1604601027 | 1.00 | 1.20 | |
| Vis A Tete Bombee Torx | ||||
| 74 | 160343000V | 1.00 | 1.20 | |
| Vis A Tete Bombee Torx 4x20 | ||||
| 75 | 2603490023 | 1.00 | 1.20 | |
| Vis A Tete Bombee Torx 4x40 | ||||
| 76 | 2603490027 | 1.00 | 1.20 | |
| Vis autotaradeuse p. défo M4x30 DIN7500-1 T-20 | ||||
| 77 | 1613490017 | 2.18 | 2.62 | |
| Rondelle De Compensation 0,3 MM | ||||
| 78/1 | 1600A003TA | 1.00 | 1.20 | |
| Rondelle De Compensation 0,15 MM | ||||
| 78/1 | 1600A004FU | 1.00 | 1.20 | |
| Rondelle De Compensation 0,45 MM | ||||
| 78/1 | 1600A004FV | 1.00 | 1.20 | |
| Vis autotaradeuse p. défo | ||||
| 79 | 1613435023 | 1.00 | 1.20 | |
| Vis A Tete Bombee | ||||
| 80 | 1613435038 | 1.00 | 1.20 | |
| Cliquet D’engrenage ROUGE | ||||
| 81/193 | 1612026126 | 2.18 | 2.62 | |
| Poignee BLEU | ||||
| 81/80 | 1615133033 | 9.47 | 11.36 | |
| Poignee Couvercle NOIR | ||||
| 82 | 16170006AE | 10.68 | 12.82 | |
| Plaque Vissee NOIR | ||||
| 83/194 | 1610099013 | 1.90 | 2.28 | |
| Ressort A Lame | ||||
| 83/83 | 1614690008 | 4.58 | 5.50 | |
| Couvercle | ||||
| 85 | 1615500404 | 2.52 | 3.02 | |
| Anneau élastique | ||||
| 86 | 1614601034 | 1.90 | 2.28 | |
| Anneau élastique A22 DIN 7993 | ||||
| 87 | 1604601028 | 1.00 | 1.20 | |
| Tampon En Caoutchouc | ||||
| 100 | 1610026003 | 1.32 | 1.58 | |
| Couplage | ||||
| 113 | 1616325002 | 10.68 | 12.82 | |
| Poignee Auxiliaire | ||||
| 120 | 160202508Y | 20.39 | 24.47 | |
| Poignee Auxiliaire | ||||
| 120/120 | 160202507H | 9.47 | 11.36 | |
| Collier De Serrage Ø50 MM | ||||
| 120/124 | 1611316021 | 2.52 | 3.02 | |
| Vis A Tete Rectangulaire M8x80 MM | ||||
| 120/125 | 1613490001 | 7.32 | 8.78 | |
| Support De Fixation | ||||
| 120/802 | 1617000685 | 4.58 | 5.50 | |
| Douille Dentee | ||||
| 130 | 1616333049 | 15.61 | 18.73 | |
| Anneau élastique | ||||
| 135 | 1614601067 | 1.32 | 1.58 | |
| Disque De Feutre | ||||
| 136 | 1610205017 | 1.00 | 1.20 | |
| Anneau de retenue 30x1,2MM, DIN 472 | ||||
| 137 | 2916660012 | 1.32 | 1.58 | |
| Ecriteau Avertisseur | ||||
| 180 | 1611110W08 | 1.94 | 2.33 | |
| Element De Serrage | ||||
| 199/188 | 1610209008 | 3.04 | 3.65 | |
| Soufflet | ||||
| 199/199 | 1610284002 | 5.27 | 6.32 | |
| Levier Culbuteur | ||||
| 199/43 | 1612099002 | 2.18 | 2.62 | |
| raccord poignée carter NOIR | ||||
| 199/44 | 1614611025 | 2.52 | 3.02 | |
| Soufflet | ||||
| 200 | 1610284007 | 5.27 | 6.32 | |
| Bouchon de protection | ||||
| 203 | 1610508047 | 1.90 | 2.28 | |
| Bille Ø7,3 MM | ||||
| 206 | 1613230003 | 1.32 | 1.58 | |
| Anneau élastique | ||||
| 207 | 1614601027 | 1.00 | 1.20 | |
| Rondelle D’arret | ||||
| 208 | 1610101629 | 1.00 | 1.20 | |
| Rondelle De Friction | ||||
| 209 | 1610102089 | 2.52 | 3.02 | |
| Anneau élastique | ||||
| 211 | 160460102S | 1.00 | 1.20 | |
| Tube de Graisse 30 ML | ||||
| 661 | 1615430010 | 5.96 | 7.15 | |
| Butee De Profondeur SW 6x210 MM | ||||
| 688 | 1613001009 | 3.04 | 3.65 | |
| Carter De Moteur BLEU | ||||
| 801 | 1617000689 | 50.23 | 60.28 | |
| Induit 230V | ||||
| 803 | 1617000690 | 91.33 | 109.60 | |
| Câble d alimentation EU 4,15m 2 x 1,0mm H07 RN-F | ||||
| 805 | 1607000392 | 17.60 | 21.12 | |
| Plaque signalétique | ||||
| 808 | 160111A3H5 | 2.18 | 2.62 | |
| Jeu De Balais 220 V / 127 V | ||||
| 811 | 1617000525 | 9.47 | 11.36 | |
| Vis à tête cylindrique M3x6,5-4.8 | ||||
| 818 | 2603410001 | 1.32 | 1.58 | |
| Bride Intermediaire | ||||
| 820 | 1617000A5J | 30.08 | 36.10 | |
| Porte Outil | ||||
| 821 | 1617000692 | 82.63 | 99.16 | |
| Porte Outil | ||||
| 821/1 | 1617000693 | 91.56 | 109.87 | |
| Arbre Intermediaire | ||||
| 824 | 1617000A5K | 61.93 | 74.32 | |
| Porte Outil | ||||
| 825 | 1617000695 | 13.90 | 16.68 | |
| Percuteur | ||||
| 828 | 1617000697 | 41.30 | 49.56 | |
| Douille Dentee | ||||
| 830 | 1617000698 | 30.08 | 36.10 | |
| Boitier D’etande NOIR | ||||
| 840 | 1617000699 | 26.62 | 31.94 | |
| Pas d'informations disponibles, non commandable | ||||
| 870 | 1613523011 | |||
| Vis à tête fraisée M6x27-KØ11 FILET À GAUCHE | ||||
| 870/2 | 2603421207 | 1.32 | 1.58 | |
| Mandrin Ø1,5-13 MM, 1/2" | ||||
| 871 | 1608571069 | 22.88 | 27.46 | |
| Cle De Mandrin SG2 | ||||
| 872 | 2607950007 | 5.96 | 7.15 | |
| Plus disponible, pas de remplacement | ||||
| 895 | 1615438426 | |||