Vous trouverez ici toutes les pièces et dessins disponibles du 'Bosch 0611246503 ( GBH24VFR )'. De là, vous pouvez commander directement toutes les pièces souhaitées. De nombreuses pièces doivent être commandées auprès du fabricant, selon la marque, cela prend une à quatre semaines. Toutes les informations dont nous disposons se trouvent sur notre site Web, nous ne pouvons pas vous conseiller sur ce dont vous avez besoin, pour cela vous devrez retourner la machine pour réparation. Veuillez noter ce qui suit lors de la commande:
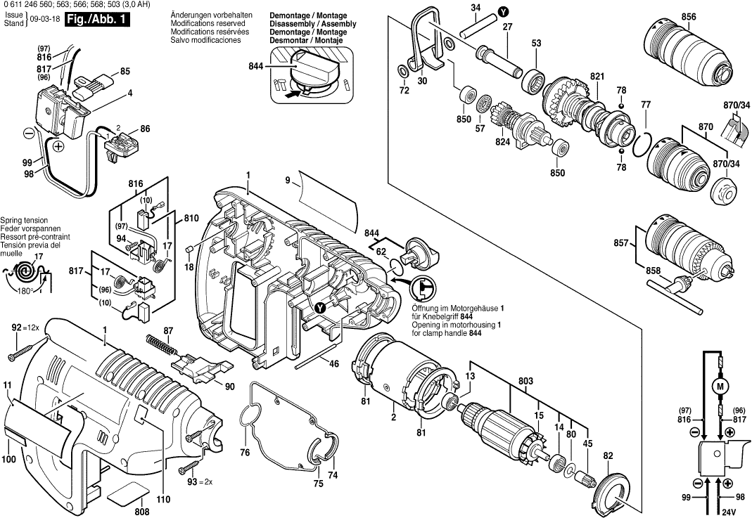
Dessins des Bosch 0611246503 ( GBH24VFR )
Liste de pièces de rechange des Bosch 0611246503 ( GBH24VFR )
| Pos. | Description | Prix hors TVA | Prix TTC | |
| Les prix affichés incluent la TVA | ||||
| Coquille BLEU | ||||
| 1 | 1615104011 | 40.61 | 48.73 | |
| Carter d’aimant 14;4-24V | ||||
| 2 | 2610942109 | 20.39 | 24.47 | |
| Plus disponible, pas de remplacement | ||||
| 4 | 1617200067 | |||
| Plus disponible, pas de remplacement | ||||
| 9 | 1611110A35 | |||
| Plaquette Indicatrice | ||||
| 11 | 1611110A36 | 3.31 | 3.97 | |
| Roulement A Billes Rigide 8x22x7 | ||||
| 13 | 1600905033 | 6.53 | 7.84 | |
| Plus disponible, pas de remplacement | ||||
| 14 | 2600905052 | |||
| Ventilateur | ||||
| 15 | 1616610080 | 4.10 | 4.92 | |
| Ressort Spiral | ||||
| 17 | 1604652013 | 1.32 | 1.58 | |
| Tampon En Caoutchouc | ||||
| 18 | 2603100056 | 1.32 | 1.58 | |
| Frappeur | ||||
| 27 | 1618710076 | 4.70 | 5.64 | |
| Plus disponible, pas de remplacement | ||||
| 30 | 1611911000 | |||
| Pointe De Palier | ||||
| 34 | 1613100021 | 0.83 | 1.00 | |
| Pignon d’entraînement Z=9 | ||||
| 45 | 1616316602 | 13.93 | 16.72 | |
| Goupille Cylindrique | ||||
| 46 | 1613160022 | 1.00 | 1.20 | |
| Douille à aiguilles | ||||
| 53 | 1610910077 | 3.71 | 4.45 | |
| Butee A Rouleaux Cylindr. NOIR | ||||
| 57 | 1610920009 | 2.18 | 2.62 | |
| Joint torique 18,0x2,5 MM | ||||
| 62 | 1610210125 | 1.00 | 1.20 | |
| Rondelle D’ajustage 1,0 MM ÉPAIS | ||||
| 72 | 1610100007 | 1.00 | 1.20 | |
| Joint | ||||
| 74 | 1611015045 | 4.58 | 5.50 | |
| Joint | ||||
| 75 | 1611015041 | 1.00 | 1.20 | |
| joint d’étanchéité | ||||
| 76 | 1610210138 | 1.00 | 1.20 | |
| Anneau élastique | ||||
| 77 | 1614601026 | 1.32 | 1.58 | |
| Bille DIN 5401-5,5MM-III-ST | ||||
| 78 | 1903230010 | 1.00 | 1.20 | |
| Pas d'informations disponibles, non commandable | ||||
| 80 | 1610100008 | |||
| Bague De Centrage | ||||
| 81 | 1610290043 | 1.90 | 2.28 | |
| Deflecteur D’air | ||||
| 82 | 1610591017 | 3.31 | 3.97 | |
| Poussoir De Commutation ROUGE | ||||
| 85 | 1613231006 | 1.00 | 1.20 | |
| Plus disponible, pas de remplacement | ||||
| 86 | 1609280157 | |||
| Ressort De Compression | ||||
| 87 | 1614611012 | 4.70 | 5.64 | |
| Poussoir A Cran | ||||
| 90 | 1613231007 | 1.18 | 1.42 | |
| Vis à Tôle DIN7981-ST3,9x22-C-Z | ||||
| 92 | 2912401021 | 1.00 | 1.20 | |
| Vis à Tôle DIN7981-ST3,9x16-C-Z | ||||
| 93 | 2912401019 | 1.00 | 1.20 | |
| Vis à Tôle DIN7981-ST2,9x9,5C-Z | ||||
| 94 | 2912401005 | 1.00 | 1.20 | |
| Pas d'informations disponibles, non commandable | ||||
| 98 | 1614416012 | |||
| Pas d'informations disponibles, non commandable | ||||
| 99 | 1614416011 | |||
| Plus disponible, pas de remplacement | ||||
| 100 | 1611110914 | |||
| Poignee Auxiliaire M8 | ||||
| 120 | 1612025019 | 5.96 | 7.15 | |
| Support De Fixation Ø43 MM | ||||
| 121 | 1618040067 | 5.83 | 7.00 | |
| Vis A Tete Rectangulaire M8x40 MM | ||||
| 122 | 1613490002 | 3.71 | 4.45 | |
| Collier De Serrage Ø43 MM | ||||
| 123 | 1611316006 | 2.18 | 2.62 | |
| Butee De Profondeur SW 6x210 MM | ||||
| 652 | 1613001009 | 3.04 | 3.65 | |
| Bloc D’accumulateurs 24V, 3,0Ah, NiCd | ||||
| 653 | 2607335223 | 551.30 | 661.56 | |
| Chargeur Rapide EU 230/7,2-24V, 30 MIN. | ||||
| 654 | 2607225027 | 126.98 | 152.38 | |
| Bouchon de protection ROUGE | ||||
| 655 | 1610508032 | 1.90 | 2.28 | |
| Tube de Graisse 30 ML | ||||
| 661 | 1615430010 | 5.96 | 7.15 | |
| Induit Avec Ventilateur 24V | ||||
| 803 | 1617000319 | 82.63 | 99.16 | |
| Plaque signalétique | ||||
| 808 | 160111A3H5 | 2.18 | 2.62 | |
| Plus disponible, pas de remplacement | ||||
| 810 | 1617014131 | |||
| Plus disponible, pas de remplacement | ||||
| 816 | 1617000379 | |||
| Plus disponible, pas de remplacement | ||||
| 817 | 1617000380 | |||
| Poignee Auxiliaire Ø43 MM | ||||
| 820 | 1612025049 | 7.58 | 9.10 | |
| Tube De Marteau | ||||
| 821 | 1617000387 | 81.47 | 97.76 | |
| Arbre Intermediaire Z=31/12 | ||||
| 824 | 1617000314 | 37.50 | 45.00 | |
| Plus disponible, pas de remplacement | ||||
| 844 | 1617000322 | |||
| Coussinet | ||||
| 850 | 1617000975 | 5.27 | 6.32 | |
| Mandrin Automatique | ||||
| 856 | 1617000332 | 102.63 | 123.16 | |
| Mandrin A Cle | ||||
| 857 | 1618571029 | 67.98 | 81.58 | |
| Cle De Mandrin SG2 | ||||
| 858 | 2607950007 | 5.96 | 7.15 | |
| Plus disponible, pas de remplacement | ||||
| 870 | 1617000327 | |||
| Bouchon de protection | ||||
| 870/34 | 1610508047 | 1.90 | 2.28 | |