Vous trouverez ici toutes les pièces et dessins disponibles du 'Bosch 0611213025 ( GBH24V )'. De là, vous pouvez commander directement toutes les pièces souhaitées. De nombreuses pièces doivent être commandées auprès du fabricant, selon la marque, cela prend une à quatre semaines. Toutes les informations dont nous disposons se trouvent sur notre site Web, nous ne pouvons pas vous conseiller sur ce dont vous avez besoin, pour cela vous devrez retourner la machine pour réparation. Veuillez noter ce qui suit lors de la commande:
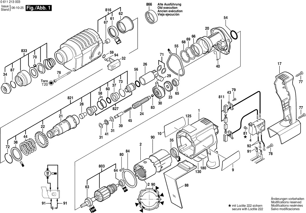
Dessins des Bosch 0611213025 ( GBH24V )
Liste de pièces de rechange des Bosch 0611213025 ( GBH24V )
| Pos. | Description | Prix hors TVA | Prix TTC | |
| Les prix affichés incluent la TVA | ||||
| Carter De Moteur BLEU | ||||
| 1 | 1615108046 | 15.71 | 18.85 | |
| Carter d’aimant 24V | ||||
| 2 | 1615100007 | 15.71 | 18.85 | |
| Interrupteur | ||||
| 4 | 2607200134 | 8.45 | 10.14 | |
| Plaque De Marque | ||||
| 9 | 1611110255 | 0.83 | 1.00 | |
| Plaque De Marque | ||||
| 10 | 1611110730 | 3.31 | 3.97 | |
| Couvercle De Carter BLEU | ||||
| 17 | 1615132041 | 10.73 | 12.88 | |
| Bride Intermediaire | ||||
| 20 | 1615700037 | 41.30 | 49.56 | |
| Douille Crantee SDS-PLUS | ||||
| 21 | 1616490058 | 234.56 | 281.47 | |
| Roue Cylindrique Z=46 | ||||
| 22 | 1616320007 | 6.53 | 7.84 | |
| Plus disponible, pas de remplacement | ||||
| 23 | 1616320002 | |||
| Arbre Dentele Z=6/10 | ||||
| 24 | 1613060010 | 55.56 | 66.67 | |
| Piston De Marteau | ||||
| 26 | 1618700052 | 11.02 | 13.22 | |
| Percuteur | ||||
| 28 | 1613124026 | 2.52 | 3.02 | |
| Axe De Piston | ||||
| 29 | 1613105012 | 3.04 | 3.65 | |
| Palier d’entraînement | ||||
| 30 | 1615819005 | 30.08 | 36.10 | |
| Disque De Support 0,8 MM ÉPAIS | ||||
| 31 | 1610100003 | 1.32 | 1.58 | |
| Manette NOIR | ||||
| 32 | 1612026023 | 2.18 | 2.62 | |
| Bouchon de protection L=17 MM, SDS-PLUS | ||||
| 34 | 1610508008 | 1.90 | 2.28 | |
| Bague En Caoutchouc | ||||
| 35 | 1610206021 | 1.32 | 1.58 | |
| Douille D’amortissement | ||||
| 37 | 1610390011 | 3.04 | 3.65 | |
| Rondelle D’appui | ||||
| 38 | 1610102022 | 1.90 | 2.28 | |
| Goupille Cylindrique | ||||
| 39 | 1613100013 | 1.90 | 2.28 | |
| Ressort De Maintien | ||||
| 40 | 1614690001 | 1.00 | 1.20 | |
| Couronne De Rouleaux | ||||
| 41 | 1610920003 | 3.71 | 4.45 | |
| Plus disponible, pas de remplacement | ||||
| 43 | 2601015047 | |||
| Ressort De Compression | ||||
| 44 | 1614633001 | 1.90 | 2.28 | |
| Ressort De Compression | ||||
| 45 | 1614614001 | 1.00 | 1.20 | |
| Joint torique 24,0x2,5 MM | ||||
| 54 | 1610210068 | 1.32 | 1.58 | |
| joint d’étanchéité | ||||
| 55 | 1610206023 | 2.52 | 3.02 | |
| Joint torique 14,0x3,0 MM | ||||
| 56 | 1610210070 | 2.18 | 2.62 | |
| Joint torique 18,0x3,0 MM | ||||
| 58 | 1610210058 | 2.18 | 2.62 | |
| Joint torique 6,0x2,5 MM | ||||
| 59 | 1610210069 | 1.00 | 1.20 | |
| Joint torique 10,0x3,5 MM | ||||
| 60 | 1610210073 | 1.90 | 2.28 | |
| Bague D’etancheite | ||||
| 61 | 1610283017 | 6.53 | 7.84 | |
| Palier-Glisseur | ||||
| 62 | 1610202026 | 4.58 | 5.50 | |
| Roulement A Billes Rigide | ||||
| 63 | 1610905012 | 15.71 | 18.85 | |
| Roulement A Billes 7x19x6 | ||||
| 64 | 2600905032 | 4.58 | 5.50 | |
| Plus disponible, pas de remplacement | ||||
| 65 | 1900900228 | |||
| Plus disponible, pas de remplacement | ||||
| 67 | 1610910064 | |||
| Couronne De Rouleaux | ||||
| 68 | 1610920004 | 1.90 | 2.28 | |
| Plus disponible, pas de remplacement | ||||
| 69 | 1610102618 | |||
| Bille DIN 5401-Ø7MM-III-ST | ||||
| 70 | 1903230013 | 1.90 | 2.28 | |
| Rondelle D’ajustage 1,2 MM ÉPAIS | ||||
| 71 | 1610101011 | 1.32 | 1.58 | |
| Anneau élastique DIN 7993-A32 | ||||
| 72 | 2916540018 | 3.04 | 3.65 | |
| Anneau élastique DIN 9045-24 | ||||
| 73 | 1614601009 | 1.00 | 1.20 | |
| Vis à Tôle ST-4,8x57,5-TORX,T20 | ||||
| 76 | 1613435009 | 1.32 | 1.58 | |
| Vis à Tôle DIN 7971-ST3,9x22-F | ||||
| 77 | 2910211021 | 1.32 | 1.58 | |
| Vis à Tôle DIN 7971-B3,9x9,5 | ||||
| 78 | 2910211217 | 1.18 | 1.42 | |
| Vis à Tôle DIN 7971-B 2,9x13 | ||||
| 79 | 2910211206 | 0.83 | 1.00 | |
| Vis Empreinte Cruciforme DIN 7981-ST3,5x9,5-F | ||||
| 80 | 2603435015 | 1.90 | 2.28 | |
| Vis à tête cylindrique M3x6,5-4.8 | ||||
| 81 | 2603410001 | 1.32 | 1.58 | |
| Bille 5 MM V DIN 5401 | ||||
| 83 | 1903230309 | 1.32 | 1.58 | |
| Bride De Fixation | ||||
| 84 | 1610120024 | 2.24 | 2.69 | |
| Anneau élastique | ||||
| 87 | 160460102S | 1.00 | 1.20 | |
| Console | ||||
| 88 | 1615719016 | 12.41 | 14.89 | |
| Etiquette Adhesive | ||||
| 89/12 | 2601110999 | 1.00 | 1.20 | |
| Manchon Isolant | ||||
| 90 | 1610499010 | 3.31 | 3.97 | |
| Plus disponible, pas de remplacement | ||||
| 91 | 1611329006 | |||
| Cable De Connexion | ||||
| 92 | 1614435011 | 2.24 | 2.69 | |
| Axe D’arret | ||||
| 94 | 1613120017 | 1.32 | 1.58 | |
| Poignee Auxiliaire M8 | ||||
| 120 | 1612025019 | 5.96 | 7.15 | |
| Support De Fixation Ø43 MM | ||||
| 121 | 1618040048 | 7.32 | 8.78 | |
| Vis A Tete Rectangulaire M8x40 MM | ||||
| 122 | 1613490002 | 3.71 | 4.45 | |
| Collier De Serrage Ø43 MM | ||||
| 123 | 1611316006 | 2.18 | 2.62 | |
| Etiquette Adhesive | ||||
| 125 | 2601110325 | 1.18 | 1.42 | |
| Étiquette Adhésive BATTERIE RECHARGEABLE | ||||
| 126 | 1611110274 | 1.18 | 1.42 | |
| Pas d'informations disponibles, non commandable | ||||
| 700 | 1617000132 | |||
| Vis à tête fraisée M6x27 FILET À GAUCHE | ||||
| 700/20 | 2603421226 | 1.32 | 1.58 | |
| Mandrin | ||||
| 701 | 1608571088 | 26.62 | 31.94 | |
| Cle De Mandrin SG2 | ||||
| 701/700 | 2607950007 | 5.96 | 7.15 | |
| Plus disponible, pas de remplacement | ||||
| 711 | 1617000133 | |||
| Anneau élastique | ||||
| 711/10/2 | 2604601004 | 1.32 | 1.58 | |
| Plus disponible, pas de remplacement | ||||
| 712 | 1615439003 | |||
| Douille Caoutchouc Ø5-7 MM | ||||
| 712/30 | 1610312001 | 0.83 | 1.00 | |
| Douille Caoutchouc Ø8-10 MM | ||||
| 712/651 | 1610312002 | 0.83 | 1.00 | |
| Poignee Auxiliaire Ø43 MM | ||||
| 720 | 2602025070 | 12.21 | 14.65 | |
| Jeu De Pieces | ||||
| 720/800 | 1617000925 | 13.90 | 16.68 | |
| Butee De Profondeur SW 6x210 MM | ||||
| 751 | 1613001009 | 3.04 | 3.65 | |
| Plus disponible, pas de remplacement | ||||
| 789 | 1617334003 | |||
| Induit 24V | ||||
| 803 | 1614010114 | 91.56 | 109.87 | |
| Balai De Charbon | ||||
| 811 | 1617014116 | 15.71 | 18.85 | |
| Carter D’engrenages NOIR | ||||
| 816 | 1615806077 | 45.52 | 54.62 | |
| Douille Crantee | ||||
| 821 | 1617000931 | 304.15 | 364.98 | |
| Frappeur | ||||
| 827 | 1617000338 | 26.62 | 31.94 | |
| Manchon De Protection SDS-PLUS | ||||
| 833 | 1617000163 | 6.53 | 7.84 | |
| Douille à aiguilles Ø30xØ37x12 MM | ||||
| 866 | 1610910063 | 5.27 | 6.32 | |
| Tube De Graisse 225 ML | ||||
| 899 | 3605430009 | 45.52 | 54.62 | |