Vous trouverez ici toutes les pièces et dessins disponibles du 'Bosch 0611218603 ( GBH2-24DSE )'. De là, vous pouvez commander directement toutes les pièces souhaitées. De nombreuses pièces doivent être commandées auprès du fabricant, selon la marque, cela prend une à quatre semaines. Toutes les informations dont nous disposons se trouvent sur notre site Web, nous ne pouvons pas vous conseiller sur ce dont vous avez besoin, pour cela vous devrez retourner la machine pour réparation. Veuillez noter ce qui suit lors de la commande:
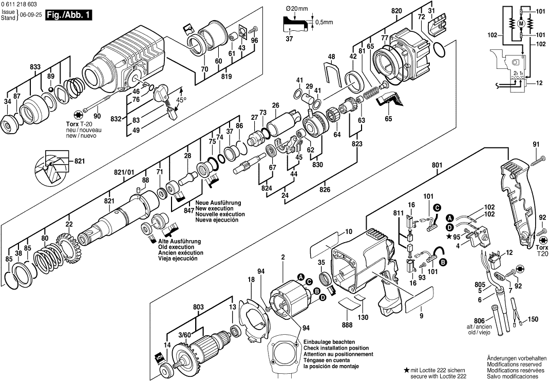
Dessins des Bosch 0611218603 ( GBH2-24DSE )
Liste de pièces de rechange des Bosch 0611218603 ( GBH2-24DSE )
| Pos. | Description | Prix hors TVA | Prix TTC | |
| Les prix affichés incluent la TVA | ||||
| Épanouissement Polaire 220-240V | ||||
| 2 | 1604220254 | 20.39 | 24.47 | |
| Ventilateur NOIR | ||||
| 3/60 | 1616610072 | 1.90 | 2.28 | |
| Plus disponible, pas de remplacement | ||||
| 4 | 2607200204 | |||
| Manchon Ø7,3-Ø8,6x76 MM | ||||
| 6 | 2600703018 | 2.18 | 2.62 | |
| Support De Cable | ||||
| 7 | 1611035005 | 1.90 | 2.28 | |
| Plaque De Marque | ||||
| 9 | 1611110X33 | 3.04 | 3.65 | |
| Plaquette Indicatrice | ||||
| 10 | 1611110563 | 3.71 | 4.45 | |
| Plus disponible, pas de remplacement | ||||
| 12 | 1617328025 | |||
| Roulement A Billes Rigide 7x19x6 | ||||
| 13 | 1610905025 | 5.96 | 7.15 | |
| Roulement A Billes Rigide 9x24x7 | ||||
| 14 | 1610905048 | 7.32 | 8.78 | |
| Porte-Balais | ||||
| 16 | 2604337016 | 1.00 | 1.20 | |
| Plus disponible, pas de remplacement | ||||
| 18 | 1610522009 | |||
| Roue Cylindrique Z=50 | ||||
| 22 | 1616317602 | 10.68 | 12.82 | |
| Arbre Dentele Z=3/9 | ||||
| 24 | 1617000518 | 36.85 | 44.22 | |
| Plus disponible, pas de remplacement | ||||
| 26 | 1618700062 | |||
| Frappeur | ||||
| 27 | 1618710057 | 13.90 | 16.68 | |
| Percuteur | ||||
| 28 | 1613124040 | 4.58 | 5.50 | |
| Axe De Piston | ||||
| 29 | 1613105012 | 3.04 | 3.65 | |
| Grille De Protection | ||||
| 31 | 1615510003 | 2.18 | 2.62 | |
| Bouchon de protection L=17 MM, SDS-PLUS | ||||
| 34 | 1610508008 | 1.90 | 2.28 | |
| Bague En Caoutchouc | ||||
| 35 | 1610206021 | 1.32 | 1.58 | |
| Douille D’amortissement | ||||
| 37 | 1610390017 | 4.58 | 5.50 | |
| Plus disponible, pas de remplacement | ||||
| 38 | 1610102026 | |||
| Rondelle D’ajustage 1,2 MM ÉPAIS | ||||
| 41 | 1610101011 | 1.32 | 1.58 | |
| Palier-Glisseur | ||||
| 42 | 1610202015 | 2.52 | 3.02 | |
| Frein D’ecrou | ||||
| 43 | 1611098005 | 2.52 | 3.02 | |
| Element De Commutation | ||||
| 44 | 1615820092 | 2.18 | 2.62 | |
| Ressort D’actionnement | ||||
| 45 | 1614651014 | 1.32 | 1.58 | |
| Tenon D’entrainement | ||||
| 46 | 1614690002 | 1.32 | 1.58 | |
| Tole De Maintien | ||||
| 48 | 1611016003 | 1.90 | 2.28 | |
| Bouton De Commande ROUGE | ||||
| 49 | 1612026035 | 1.32 | 1.58 | |
| Roulement A Aiguilles | ||||
| 60 | 1610910073 | 9.47 | 11.36 | |
| Douille à aiguilles | ||||
| 61 | 1610910098 | 3.04 | 3.65 | |
| Douille à aiguilles | ||||
| 62 | 1610910074 | 3.04 | 3.65 | |
| Plus disponible, pas de remplacement | ||||
| 63 | 1610910064 | |||
| Couronne D’aiguilles | ||||
| 64 | 1610913010 | 3.71 | 4.45 | |
| Palier-Glisseur | ||||
| 65 | 1610591016 | 2.52 | 3.02 | |
| Roulement A Billes Rigide | ||||
| 67 | 1610905016 | 8.48 | 10.18 | |
| Joint A Lèvres | ||||
| 70 | 1610283019 | 6.53 | 7.84 | |
| Racleur | ||||
| 71 | 1610290029 | 3.04 | 3.65 | |
| Joint torique 24,0x2,5 MM | ||||
| 72 | 1610210068 | 1.32 | 1.58 | |
| Joint torique | ||||
| 73 | 1610210187 | 1.90 | 2.28 | |
| Joint torique 11,0x3,5 MM | ||||
| 74 | 1610210104 | 2.18 | 2.62 | |
| Joint torique 18,0x3,5 MM | ||||
| 75 | 1610210105 | 3.71 | 4.45 | |
| Joint torique 10,5x2,7 MM | ||||
| 76 | 1610210046 | 1.90 | 2.28 | |
| Joint torique 60,0x3,0 MM | ||||
| 77 | 1610210106 | 2.18 | 2.62 | |
| Ressort De Compression | ||||
| 80 | 1614634005 | 1.32 | 1.58 | |
| Ressort De Compression | ||||
| 81 | 1614611009 | 1.32 | 1.58 | |
| Ressort De Compression | ||||
| 83 | 1614611006 | 3.04 | 3.65 | |
| Anneau élastique | ||||
| 85 | 1614601011 | 1.32 | 1.58 | |
| Anneau élastique | ||||
| 86 | 1614601024 | 1.32 | 1.58 | |
| Anneau élastique | ||||
| 87 | 160460102S | 1.00 | 1.20 | |
| ROULEAU | ||||
| 88 | 1613200007 | 1.32 | 1.58 | |
| Bille DIN 5401-Ø7MM-III-ST | ||||
| 89 | 1903230013 | 1.90 | 2.28 | |
| Vis à Tôle 4,8x78 MM, TORX T-20 | ||||
| 90 | 1603435036 | 1.32 | 1.58 | |
| Vis à Tôle BZ 4,8x78 MM | ||||
| 90 | 1603435019 | 1.18 | 1.42 | |
| Vis à Tôle ST3,9x32 ARGENT | ||||
| 91 | 1603435051 | 1.70 | 2.04 | |
| Vis à Tôle ST3,9x19-TORX,T20 | ||||
| 92 | 1603435050 | 1.32 | 1.58 | |
| Vis à Tôle DIN 7971-ST2,9x9,5-F | ||||
| 93 | 2910211005 | 1.00 | 1.20 | |
| Vis Empreinte Cruciforme DIN 7981-ST3,5x9,5-F | ||||
| 94 | 2603435015 | 1.90 | 2.28 | |
| Vis à tête cylindrique M3x6,5-4.8 | ||||
| 95 | 2603410001 | 1.32 | 1.58 | |
| Vis à Tôle DIN7981-ST3,9x13-C-Z | ||||
| 96 | 2912401018 | 1.00 | 1.20 | |
| Filtre D’antiparasitage L=55 MM BLANC | ||||
| 101 | 1614465008 | 6.53 | 7.84 | |
| Cable L=130 MM BLANC | ||||
| 102 | 2604448005 | 1.32 | 1.58 | |
| Poignee Auxiliaire M8 | ||||
| 120 | 1612025019 | 5.96 | 7.15 | |
| Support De Fixation Ø43 MM | ||||
| 121 | 1618040048 | 7.32 | 8.78 | |
| Vis A Tete Rectangulaire M8x40 MM | ||||
| 122 | 1613490002 | 3.71 | 4.45 | |
| Collier De Serrage Ø43 MM | ||||
| 123 | 1611316006 | 2.18 | 2.62 | |
| Tige De Mandrin 1/2 SDS-PLUS | ||||
| 700 | 1617000154 | 30.08 | 36.10 | |
| Vis à tête fraisée M6x27 FILET À GAUCHE | ||||
| 700/20 | 2603421226 | 1.32 | 1.58 | |
| Mandrin | ||||
| 701 | 1608571088 | 26.62 | 31.94 | |
| Cle De Mandrin SG2 | ||||
| 701/700 | 2607950007 | 5.96 | 7.15 | |
| Plus disponible, pas de remplacement | ||||
| 711 | 1617000133 | |||
| Anneau élastique | ||||
| 711/10/2 | 2604601004 | 1.32 | 1.58 | |
| Poignee Auxiliaire Ø43 MM | ||||
| 720 | 2602025070 | 12.21 | 14.65 | |
| Butee De Profondeur SW 6x210 MM | ||||
| 724 | 1613001009 | 3.04 | 3.65 | |
| Pas d'informations disponibles, non commandable | ||||
| 750 | 2605438294 | |||
| Pas d'informations disponibles, non commandable | ||||
| 755 | 1618580000 | |||
| Carter De Moteur BLEU | ||||
| 801 | 1615108062 | 26.62 | 31.94 | |
| Induit Avec Ventilateur 220-230V | ||||
| 803 | 1614010732 | 91.33 | 109.60 | |
| Câble d alimentation EU 4,15m 2 x 1,0mm H07 RN-F | ||||
| 805 | 1614460026 | 15.61 | 18.73 | |
| Manchon Ø8,3-Ø9,4x95 MM | ||||
| 806 | 2600703011 | 2.52 | 3.02 | |
| Manchon Ø7,6-Ø8,2x95 MM | ||||
| 806 | 2600703013 | 2.18 | 2.62 | |
| Plus disponible, pas de remplacement | ||||
| 811 | 1607014117 | |||
| Carter D’engrenages NOIR | ||||
| 819 | 1615806093 | 50.23 | 60.28 | |
| Bride Intermediaire | ||||
| 820 | 1617000981 | 26.62 | 31.94 | |
| Douille Crantee SDS-PLUS | ||||
| 821 | 1616490061 | 61.93 | 74.32 | |
| Douille Crantee SDS-PLUS | ||||
| 821/01 | 1616490060 | 82.63 | 99.16 | |
| Douille Dentee Z=26/6 | ||||
| 823 | 1616328042 | 36.85 | 44.22 | |
| Arbre Dentele Z=3/9 | ||||
| 824 | 1617000518 | 36.85 | 44.22 | |
| Arbre Dentele Z=3/9 | ||||
| 826 | 1617000517 | 73.72 | 88.46 | |
| Palier d’entraînement | ||||
| 830 | 1615819018 | 55.25 | 66.30 | |
| Manette NOIR | ||||
| 832 | 1612026037 | 8.48 | 10.18 | |
| Manchon De Protection SDS-PLUS | ||||
| 833 | 1617000163 | 6.53 | 7.84 | |
| Bague De Guidage | ||||
| 847 | 1617000348 | 12.21 | 14.65 | |
| Butee A Billes Rigide | ||||
| 865 | 1610920007 | 3.31 | 3.97 | |
| Plaque signalétique | ||||
| 888 | 160111A3H5 | 2.18 | 2.62 | |