Vous trouverez ici toutes les pièces et dessins disponibles du 'Bosch 0611221503 ( GAH500DSE )'. De là, vous pouvez commander directement toutes les pièces souhaitées. De nombreuses pièces doivent être commandées auprès du fabricant, selon la marque, cela prend une à quatre semaines. Toutes les informations dont nous disposons se trouvent sur notre site Web, nous ne pouvons pas vous conseiller sur ce dont vous avez besoin, pour cela vous devrez retourner la machine pour réparation. Veuillez noter ce qui suit lors de la commande:
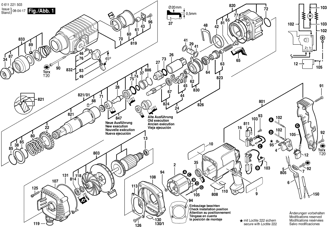
Dessins des Bosch 0611221503 ( GAH500DSE )
Liste de pièces de rechange des Bosch 0611221503 ( GAH500DSE )
| Pos. | Description | Prix hors TVA | Prix TTC | |
| Les prix affichés incluent la TVA | ||||
| Épanouissement Polaire 220-230V | ||||
| 2 | 2604220491 | 20.39 | 24.47 | |
| Plus disponible, pas de remplacement | ||||
| 4 | 2607200204 | |||
| Manchon Ø7,3-Ø8,6x76 MM | ||||
| 6 | 2600703018 | 2.18 | 2.62 | |
| Support De Cable | ||||
| 7 | 1611035005 | 1.90 | 2.28 | |
| Plaque De Marque | ||||
| 9 | 1611110651 | 3.31 | 3.97 | |
| Plaquette Indicatrice | ||||
| 10 | 1611110652 | 3.31 | 3.97 | |
| Filtre D’antiparasitage | ||||
| 12 | 1607328040 | 5.96 | 7.15 | |
| Roulement A Billes Rigide 7x19x6 | ||||
| 13 | 1610905032 | 4.58 | 5.50 | |
| Porte-Balais | ||||
| 16 | 1614336022 | 2.52 | 3.02 | |
| Roue Cylindrique Z=50 | ||||
| 22 | 1616317602 | 10.68 | 12.82 | |
| Arbre Dentele Z=3/9 | ||||
| 24 | 1617000518 | 36.85 | 44.22 | |
| Plus disponible, pas de remplacement | ||||
| 26 | 1618700062 | |||
| Frappeur | ||||
| 27 | 1618710057 | 13.90 | 16.68 | |
| Percuteur | ||||
| 28 | 1613124040 | 4.58 | 5.50 | |
| Axe De Piston | ||||
| 29 | 1613105012 | 3.04 | 3.65 | |
| Bouchon de protection L=17 MM, SDS-PLUS | ||||
| 34 | 1610508008 | 1.90 | 2.28 | |
| Bague En Caoutchouc | ||||
| 35 | 1610206021 | 1.32 | 1.58 | |
| Douille D’amortissement | ||||
| 37 | 1610390017 | 4.58 | 5.50 | |
| Plus disponible, pas de remplacement | ||||
| 38 | 1610102026 | |||
| Rondelle D’ajustage 1,2 MM ÉPAIS | ||||
| 41 | 1610101011 | 1.32 | 1.58 | |
| Palier-Glisseur | ||||
| 42 | 1610202015 | 2.52 | 3.02 | |
| Frein D’ecrou | ||||
| 43 | 1611098005 | 2.52 | 3.02 | |
| Element De Commutation | ||||
| 44 | 1615820092 | 2.18 | 2.62 | |
| Ressort D’actionnement | ||||
| 45 | 1614651014 | 1.32 | 1.58 | |
| Tenon D’entrainement | ||||
| 46 | 1614690002 | 1.32 | 1.58 | |
| Tole De Maintien | ||||
| 48 | 1611016003 | 1.90 | 2.28 | |
| Bouton De Commande ROUGE | ||||
| 49 | 1612026035 | 1.32 | 1.58 | |
| Roulement A Aiguilles | ||||
| 60 | 1610910073 | 9.47 | 11.36 | |
| Douille à aiguilles | ||||
| 61 | 1610910098 | 3.04 | 3.65 | |
| Douille à aiguilles | ||||
| 62 | 1610910074 | 3.04 | 3.65 | |
| Plus disponible, pas de remplacement | ||||
| 63 | 1610910064 | |||
| Couronne D’aiguilles | ||||
| 64 | 1610913010 | 3.71 | 4.45 | |
| Palier-Glisseur | ||||
| 65 | 1610591016 | 2.52 | 3.02 | |
| Roulement A Billes Rigide | ||||
| 67 | 1610905016 | 8.48 | 10.18 | |
| Joint A Lèvres | ||||
| 70 | 1610283019 | 6.53 | 7.84 | |
| Racleur | ||||
| 71 | 1610290029 | 3.04 | 3.65 | |
| Joint torique 24,0x2,5 MM | ||||
| 72 | 1610210068 | 1.32 | 1.58 | |
| Joint torique | ||||
| 73 | 1610210187 | 1.90 | 2.28 | |
| Joint torique 11,0x3,5 MM | ||||
| 74 | 1610210104 | 2.18 | 2.62 | |
| Joint torique 18,0x3,5 MM | ||||
| 75 | 1610210105 | 3.71 | 4.45 | |
| Joint torique 10,5x2,7 MM | ||||
| 76 | 1610210046 | 1.90 | 2.28 | |
| Joint torique 60,0x3,0 MM | ||||
| 77 | 1610210106 | 2.18 | 2.62 | |
| Ressort De Compression | ||||
| 80 | 1614634005 | 1.32 | 1.58 | |
| Ressort De Compression | ||||
| 81 | 1614611009 | 1.32 | 1.58 | |
| Ressort De Compression | ||||
| 83 | 1614611006 | 3.04 | 3.65 | |
| Anneau élastique | ||||
| 85 | 1614601011 | 1.32 | 1.58 | |
| Anneau élastique | ||||
| 87 | 160460102S | 1.00 | 1.20 | |
| ROULEAU | ||||
| 88 | 1613200007 | 1.32 | 1.58 | |
| Bille DIN 5401-Ø7MM-III-ST | ||||
| 89 | 1903230013 | 1.90 | 2.28 | |
| Vis à tête cylindrique DIN 84-M5x65-4.8 | ||||
| 90 | 1613410004 | 1.18 | 1.42 | |
| Vis A Tete Bombee 4x32 | ||||
| 91 | 2603490026 | 1.00 | 1.20 | |
| Vis A Tete Bombee Torx 4x20 | ||||
| 92 | 2603490023 | 1.00 | 1.20 | |
| Vis à Tôle DIN 7971-ST2,9x9,5-F | ||||
| 93 | 2910211005 | 1.00 | 1.20 | |
| Vis Empreinte Cruciforme DIN 7981-ST3,5x9,5-F | ||||
| 94 | 2603435015 | 1.90 | 2.28 | |
| Vis à tête cylindrique M3x6,5-4.8 | ||||
| 95 | 2603410001 | 1.32 | 1.58 | |
| Vis à Tôle DIN7981-ST3,9x13-C-Z | ||||
| 96 | 2912401018 | 1.00 | 1.20 | |
| Cable L=130 MM BLANC | ||||
| 102 | 2604448005 | 1.32 | 1.58 | |
| Filtre D’antiparasitage L=55 MM BLANC | ||||
| 103 | 1614465008 | 6.53 | 7.84 | |
| Plus disponible, pas de remplacement | ||||
| 105 | 1614449010 | |||
| Boitier De Ventilateur | ||||
| 107 | 1615190042 | 23.75 | 28.50 | |
| Carter Ventilateur | ||||
| 108 | 1615190044 | 15.71 | 18.85 | |
| Plaque de Profil | ||||
| 113 | 1611038017 | 4.10 | 4.92 | |
| Joint 609 AV NILOS-RING | ||||
| 118 | 2916130027 | 2.52 | 3.02 | |
| Joint torique 23,0x3,0 MM | ||||
| 119 | 1610210045 | 2.18 | 2.62 | |
| Poignee Auxiliaire M8 | ||||
| 120 | 1612025019 | 5.96 | 7.15 | |
| Support De Fixation Ø43 MM | ||||
| 121 | 1618040048 | 7.32 | 8.78 | |
| Vis A Tete Rectangulaire M8x40 MM | ||||
| 122 | 1613490002 | 3.71 | 4.45 | |
| Collier De Serrage Ø43 MM | ||||
| 123 | 1611316006 | 2.18 | 2.62 | |
| Vis à tête cylindrique DIN 84-AM5x35-4.8 | ||||
| 125 | 2910001168 | 1.18 | 1.42 | |
| Vis A Tole A Tete Conique | ||||
| 126 | 1613435005 | 1.94 | 2.33 | |
| Plus disponible, pas de remplacement | ||||
| 130 | 1601110265 | |||
| Étiquette Adhésive NOIR | ||||
| 130/1 | 1611110640 | 2.71 | 3.25 | |
| Joint | ||||
| 131 | 1611015039 | 2.52 | 3.02 | |
| Bouchon | ||||
| 653 | 1610591008 | 3.04 | 3.65 | |
| Pas d'informations disponibles, non commandable | ||||
| 700 | 1617000132 | |||
| Vis à tête fraisée M6x27 FILET À GAUCHE | ||||
| 700/20 | 2603421226 | 1.32 | 1.58 | |
| Mandrin | ||||
| 701 | 1608571088 | 26.62 | 31.94 | |
| Cle De Mandrin SG2 | ||||
| 701/700 | 2607950007 | 5.96 | 7.15 | |
| Plus disponible, pas de remplacement | ||||
| 711 | 1617000133 | |||
| Anneau élastique | ||||
| 711/10/2 | 2604601004 | 1.32 | 1.58 | |
| Poignee Auxiliaire Ø43 MM | ||||
| 720 | 2602025070 | 12.21 | 14.65 | |
| Dispositif D’aspiration | ||||
| 727 | 1607000263 | 0.83 | 1.00 | |
| Tuyau Spirale Ø 16,5x550 MM | ||||
| 728 | 1610712042 | 8.45 | 10.14 | |
| Plus disponible, pas de remplacement | ||||
| 729 | 2605411044 | |||
| Cadre D’appui | ||||
| 729/10 | 1615190046 | 36.85 | 44.22 | |
| Support De Fixation | ||||
| 729/30 | 1612386001 | 2.52 | 3.02 | |
| Rondelle De Friction | ||||
| 729/40 | 1619200408 | 0.83 | 1.00 | |
| Ecrou-Raccord | ||||
| 729/50 | 1619200409 | 2.52 | 3.02 | |
| Joint | ||||
| 729/60 | 1610121001 | 1.18 | 1.42 | |
| Plus disponible, pas de remplacement | ||||
| 750 | 2605438126 | |||
| Raccord de tuyau flexible | ||||
| 751 | 2607000178 | 0.83 | 1.00 | |
| Joint torique 23,0x3,0 MM | ||||
| 751/10 | 1610210045 | 2.18 | 2.62 | |
| Sac en Papier 10 Pièces | ||||
| 752 | 1615411003 | 0.83 | 1.00 | |
| Pas d'informations disponibles, non commandable | ||||
| 754 | 2605411043 | |||
| Pas d'informations disponibles, non commandable | ||||
| 755 | 1618580000 | |||
| Tuyau De Raccordement | ||||
| 760 | 2607000176 | 0.83 | 1.00 | |
| Tuyau En PVC | ||||
| 760/10 | 2600712004 | 0.83 | 1.00 | |
| Raccord de tuyau flexible | ||||
| 760/20 | 2605702024 | 0.83 | 1.00 | |
| Plus disponible, pas de remplacement | ||||
| 760/30 | 2605702025 | |||
| Pas d'informations disponibles, non commandable | ||||
| 761 | 1610793002 | |||
| Carter De Moteur | ||||
| 801 | 1617000477 | 15.61 | 18.73 | |
| Induit Avec Ventilateur 230V | ||||
| 803 | 1614010193 | 101.94 | 122.33 | |
| Câble d alimentation EU 4,15m 2 x 1,0mm H07 RN-F | ||||
| 805 | 1614460026 | 15.61 | 18.73 | |
| Plaque signalétique | ||||
| 808 | 160111A3H5 | 2.18 | 2.62 | |
| Jeu De Balais | ||||
| 811 | 1617014134 | 7.32 | 8.78 | |
| Roulement A Billes Rigide 9x24x7 | ||||
| 814 | 1610905048 | 7.32 | 8.78 | |
| Carter D’engrenages NOIR | ||||
| 819 | 1615806093 | 50.23 | 60.28 | |
| Bride Intermediaire | ||||
| 820 | 1617000981 | 26.62 | 31.94 | |
| Douille Crantee SDS-PLUS | ||||
| 821 | 1616490061 | 61.93 | 74.32 | |
| Douille Crantee SDS-PLUS | ||||
| 821/01 | 1616490060 | 82.63 | 99.16 | |
| Douille Dentee Z=26/6 | ||||
| 823 | 1616328042 | 36.85 | 44.22 | |
| Arbre Dentele Z=3/9 | ||||
| 826 | 1617000517 | 73.72 | 88.46 | |
| Palier d’entraînement | ||||
| 830 | 1615819018 | 55.25 | 66.30 | |
| Manette NOIR | ||||
| 832 | 1612026037 | 8.48 | 10.18 | |
| Manchon De Protection SDS-PLUS | ||||
| 833 | 1617000163 | 6.53 | 7.84 | |
| Bague De Guidage | ||||
| 847 | 1617000348 | 12.21 | 14.65 | |
| Anneau élastique | ||||
| 886 | 1614601024 | 1.32 | 1.58 | |