Vous trouverez ici toutes les pièces et dessins disponibles du 'Bosch 0603144103 ( E21SB )'. De là, vous pouvez commander directement toutes les pièces souhaitées. De nombreuses pièces doivent être commandées auprès du fabricant, selon la marque, cela prend une à quatre semaines. Toutes les informations dont nous disposons se trouvent sur notre site Web, nous ne pouvons pas vous conseiller sur ce dont vous avez besoin, pour cela vous devrez retourner la machine pour réparation. Veuillez noter ce qui suit lors de la commande:
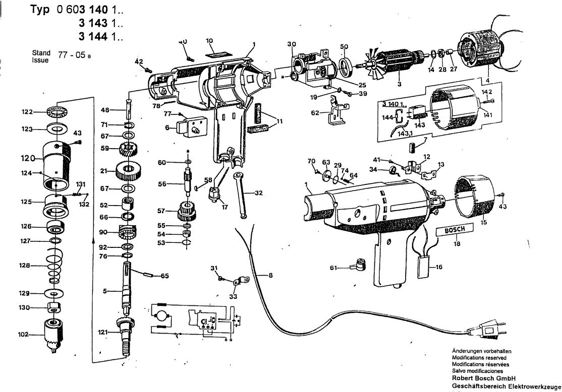
Dessins des Bosch 0603144103 ( E21SB )
Liste de pièces de rechange des Bosch 0603144103 ( E21SB )
| Pos. | Description | Prix hors TVA | Prix TTC | |
| Les prix affichés incluent la TVA | ||||
| Plus disponible, pas de remplacement | ||||
| 1 | 1605104905 | |||
| Plus disponible, pas de remplacement | ||||
| 3 | 1604010134 | |||
| Plus disponible, pas de remplacement | ||||
| 4 | 1604220116 | |||
| Plus disponible, pas de remplacement | ||||
| 5 | 1603121018 | |||
| Interrupteur | ||||
| 6 | 1609202464 | 22.88 | 27.46 | |
| Plus disponible, pas de remplacement | ||||
| 7 | 1604321900 | |||
| Câble d alimentation EU 230V 4,15m 2 x 1,0mm H05 | ||||
| 8 | 1607000386 | 17.60 | 21.12 | |
| Plaque signalétique | ||||
| 10 | 2601105045 | 0.83 | 1.00 | |
| Plus disponible, pas de remplacement | ||||
| 11 | 1602381001 | |||
| Porte-Balais | ||||
| 12 | 1601323007 | 1.18 | 1.42 | |
| Plus disponible, pas de remplacement | ||||
| 13 | 1601034025 | |||
| Plus disponible, pas de remplacement | ||||
| 14 | 1610210014 | |||
| Plus disponible, pas de remplacement | ||||
| 15 | 1605500066 | |||
| Plus disponible, pas de remplacement | ||||
| 16 | 2607329069 | |||
| Thermo-Contact | ||||
| 17 | 1607202900 | 13.93 | 16.72 | |
| Plaque De Marque CÔTÉ OMBRE | ||||
| 18 | 1601110481 | 1.90 | 2.28 | |
| Rondelle élastique DIN 128-A4-FST | ||||
| 19 | 2916690003 | 1.00 | 1.20 | |
| Plus disponible, pas de remplacement | ||||
| 21 | 2606317012 | |||
| Roulement A Billes Rigide 627 Y DIN 625 | ||||
| 25 | 1900900235 | 15.71 | 18.85 | |
| Plus disponible, pas de remplacement | ||||
| 27 | 1600301900 | |||
| Plus disponible, pas de remplacement | ||||
| 28 | 1600205023 | |||
| Plus disponible, pas de remplacement | ||||
| 29 | 1600210024 | |||
| Plus disponible, pas de remplacement | ||||
| 30 | 1605807906 | |||
| Vis à Tôle | ||||
| 31 | 2603435011 | 0.83 | 1.00 | |
| Manchon Ø6,4-Ø7,5x75 MM | ||||
| 32 | 1600703016 | 1.00 | 1.20 | |
| Collier De Fixation | ||||
| 33 | 1601302014 | 2.18 | 2.62 | |
| Ressort Spiral | ||||
| 34 | 1604652004 | 2.18 | 2.62 | |
| Vis à tête cylindrique DIN 84-AM4x10-5.8 | ||||
| 39 | 2910011120 | 1.00 | 1.20 | |
| Vis à Tôle DIN 7971-ST3,9x16-F | ||||
| 40 | 2910211019 | 1.00 | 1.20 | |
| Vis à Tôle DIN 7972-BZ2,9x6,5 | ||||
| 41 | 2910601004 | 0.83 | 1.00 | |
| Vis à Tôle DIN 7971-BZ2,9x13 | ||||
| 42 | 2910211006 | 1.00 | 1.20 | |
| Plus disponible, pas de remplacement | ||||
| 43 | 2910211017 | |||
| Arbre De Commande | ||||
| 48 | 2603105011 | 0.83 | 1.00 | |
| Joint torique | ||||
| 50 | 1600502008 | 0.83 | 1.00 | |
| Roulement A Aiguilles | ||||
| 52 | 1600910008 | 0.83 | 1.00 | |
| Anneau élastique 14 DIN 9045 | ||||
| 53 | 2916600008 | 2.52 | 3.02 | |
| Coussinet Ø8G7xØ14R6x6MM | ||||
| 54 | 2600301043 | 0.83 | 1.00 | |
| Rondelle plate 0,3 MM | ||||
| 55 | 1230100633 | 0.83 | 1.00 | |
| Plus disponible, pas de remplacement | ||||
| 56 | 1606309058 | |||
| Plus disponible, pas de remplacement | ||||
| 57 | 1606328096 | |||
| Clavette-Disque DIN 6888-3x3,7-ST-60 | ||||
| 58 | 1900023004 | 0.83 | 1.00 | |
| Plus disponible, pas de remplacement | ||||
| 59 | 1606317069 | |||
| Rondelle De Compensation 1,2 MM ÉPAIS | ||||
| 60 | 1600100611 | 1.32 | 1.58 | |
| Levier De Commande | ||||
| 61 | 1602026040 | 0.83 | 1.00 | |
| Fourchette De Commande | ||||
| 62 | 1601328001 | 0.83 | 1.00 | |
| Disque Excentrique | ||||
| 63 | 1600148005 | 0.83 | 1.00 | |
| Ressort De Compression | ||||
| 64 | 1604611016 | 0.83 | 1.00 | |
| Clavette Mince | ||||
| 65 | 1602300017 | 0.83 | 1.00 | |
| joint d’étanchéité 13,0x4,0 MM | ||||
| 66 | 2600210025 | 0.83 | 1.00 | |
| Rondelle De Compensation | ||||
| 67 | 2600101603 | 1.18 | 1.42 | |
| Rondelle De Compensation Ø14,5x21,5x0,5 MM | ||||
| 67 | 2000101600 | 1.18 | 1.42 | |
| Vis à Tôle B 3,9x9,5 DIN 7972 | ||||
| 70 | 2910600017 | 0.83 | 1.00 | |
| Anneau de retenue 14x1 DIN 471 | ||||
| 71 | 2916650005 | 0.83 | 1.00 | |
| Note D’avertissement 3 MM DIN 5401 | ||||
| 74 | 1903230304 | 0.83 | 1.00 | |
| Etrier D’arret DIN 471-15x1-FSt | ||||
| 76 | 2916650006 | 1.32 | 1.58 | |
| Vis à tête cylindrique M3x10 MM | ||||
| 77 | 2603410023 | 1.18 | 1.42 | |
| Joint torique 17,0x3,0 MM VERT | ||||
| 78 | 1610210121 | 2.18 | 2.62 | |
| Rondelle A Crans | ||||
| 90 | 1606490013 | 0.83 | 1.00 | |
| Rondelle De Compensation 0,5 MM | ||||
| 92 | 2600100695 | 1.32 | 1.58 | |
| Rondelle De Compensation 0,2 MM | ||||
| 92 | 2600100692 | 1.18 | 1.42 | |
| Rondelle De Compensation 0,3 MM | ||||
| 92 | 2600100693 | 0.83 | 1.00 | |
| Plus disponible, pas de remplacement | ||||
| 102 | 1608571005 | |||
| Plus disponible, pas de remplacement | ||||
| 102/1 | 1607950027 | |||
| Plus disponible, pas de remplacement | ||||
| 120 | 1607020004 | |||
| Plus disponible, pas de remplacement | ||||
| 121 | 1607031902 | |||
| Butee à aiguilles | ||||
| 122 | 1600920000 | 4.58 | 5.50 | |
| Rondelle Du Roulement Ax | ||||
| 123 | 1600102011 | 2.52 | 3.02 | |
| Bille DIN 5401-5,5MM-III-ST | ||||
| 124 | 1903230010 | 1.00 | 1.20 | |
| Plus disponible, pas de remplacement | ||||
| 125 | 1605801022 | |||
| Plus disponible, pas de remplacement | ||||
| 126 | 1900905102 | |||
| Rondelle D’ajustage 0,4 MM ÉPAIS | ||||
| 127 | 1600101600 | 1.32 | 1.58 | |
| Ressort De Compression | ||||
| 128 | 1604643002 | 0.83 | 1.00 | |
| Rondelle plate | ||||
| 129 | 1600101017 | 0.83 | 1.00 | |
| Bague Filetee | ||||
| 130 | 1603343007 | 0.83 | 1.00 | |
| Ressort De Compression | ||||
| 131 | 1604610009 | 1.32 | 1.58 | |
| Bille | ||||
| 132 | 1903230308 | 0.83 | 1.00 | |