Vous trouverez ici toutes les pièces et dessins disponibles du 'Bosch 0603166608 ( CSB700-2RE )'. De là, vous pouvez commander directement toutes les pièces souhaitées. De nombreuses pièces doivent être commandées auprès du fabricant, selon la marque, cela prend une à quatre semaines. Toutes les informations dont nous disposons se trouvent sur notre site Web, nous ne pouvons pas vous conseiller sur ce dont vous avez besoin, pour cela vous devrez retourner la machine pour réparation. Veuillez noter ce qui suit lors de la commande:
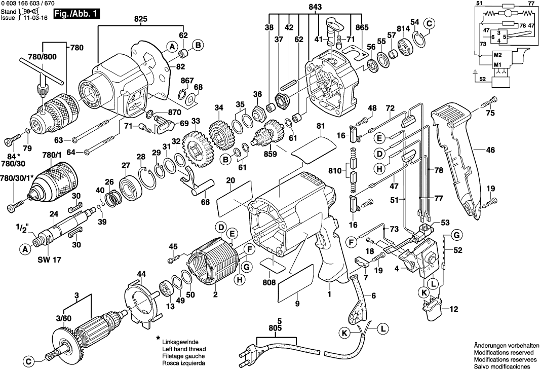
Dessins des Bosch 0603166608 ( CSB700-2RE )
Liste de pièces de rechange des Bosch 0603166608 ( CSB700-2RE )
| Pos. | Description | Prix hors TVA | Prix TTC | |
| Les prix affichés incluent la TVA | ||||
| Carter De Moteur VERT | ||||
| 1 | 2605104295 | 13.93 | 16.72 | |
| Épanouissement Polaire 220-240V | ||||
| 2 | 1604220254 | 20.39 | 24.47 | |
| Plus disponible, pas de remplacement | ||||
| 3 | 2604010739 | |||
| Ventilateur | ||||
| 3/60 | 2606610029 | 2.18 | 2.62 | |
| Commutateur | ||||
| 4 | 2607200190 | 55.56 | 66.67 | |
| Manchon Ø6,9 MM | ||||
| 6 | 2600707059 | 3.04 | 3.65 | |
| Support De Cable | ||||
| 7 | 2601035001 | 1.32 | 1.58 | |
| Plaque De Marque CÔTÉ SOLEIL | ||||
| 9 | 2601119415 | 2.71 | 3.25 | |
| Plus disponible, pas de remplacement | ||||
| 12 | 2607329114 | |||
| Roulement A Billes 7x22x7 | ||||
| 13 | 1900905018 | 15.61 | 18.73 | |
| Porte-Balais | ||||
| 16 | 2604337003 | 1.90 | 2.28 | |
| Vis à tête cylindrique M3x6,5-4.8 | ||||
| 18 | 2603410001 | 1.32 | 1.58 | |
| Vis 4x16 | ||||
| 19 | 2603490022 | 1.00 | 1.20 | |
| Plaquette Indicatrice CÔTÉ OMBRE | ||||
| 20 | 2601119413 | 2.71 | 3.25 | |
| Plus disponible, pas de remplacement | ||||
| 24 | 2606135013 | |||
| Ressort De Compression | ||||
| 26 | 2604616002 | 1.32 | 1.58 | |
| Roulement A Billes Rigide 17x35x10 | ||||
| 27 | 1900905163 | 9.47 | 11.36 | |
| Anneau de retenue DIN 472 35x1,5 MM | ||||
| 28 | 2916660014 | 1.32 | 1.58 | |
| Anneau de retenue DIN 471 17x1 MM | ||||
| 29 | 2916650008 | 1.32 | 1.58 | |
| Clavette Mince | ||||
| 30 | 2602300028 | 4.10 | 4.92 | |
| Rondelle D’arret | ||||
| 31 | 2600101671 | 1.32 | 1.58 | |
| Rondelle De Compensation 1,0 MM | ||||
| 32 | 2600101515 | 1.00 | 1.20 | |
| Roue Cylindrique Z=48 | ||||
| 33 | 2606317063 | 9.53 | 11.44 | |
| Roue Cylindrique Z=36 | ||||
| 34 | 2606317062 | 9.53 | 11.44 | |
| Rondelle De Compensation 0,5 MM | ||||
| 35 | 2600101616 | 2.52 | 3.02 | |
| Rondelle De Compensation 0,3 MM | ||||
| 35 | 2600101617 | 1.32 | 1.58 | |
| Rondelle D’arret | ||||
| 36 | 2600190070 | 5.27 | 6.32 | |
| Rondelle D’arret | ||||
| 37 | 2600190063 | 4.10 | 4.92 | |
| Roulement A Aiguilles Ø8x8 MM | ||||
| 38 | 2600917003 | 2.52 | 3.02 | |
| Rondelle D’ajustage 1,35 MM | ||||
| 39 | 2600000030 | 1.32 | 1.58 | |
| Rondelle D’ajustage 0,2 MM | ||||
| 39 | 2600000012 | 1.00 | 1.20 | |
| Rondelle D’ajustage 0,5 MM | ||||
| 39 | 2600000014 | 1.00 | 1.20 | |
| Bille DIN 5401-5,5MM-III-ST | ||||
| 40 | 1903230010 | 1.00 | 1.20 | |
| Bouton Rotatif | ||||
| 41 | 2602026017 | 6.53 | 7.84 | |
| Goupille Elastique 4x30 MM DIN 7346 | ||||
| 42 | 2917780105 | 1.00 | 1.20 | |
| Plus disponible, pas de remplacement | ||||
| 44 | 2601328033 | |||
| Vis à Tôle | ||||
| 45 | 2603435086 | 1.32 | 1.58 | |
| Plus disponible, pas de remplacement | ||||
| 46 | 2605132048 | |||
| Filtre D’antiparasitage L=126 MM BLANC | ||||
| 47 | 2604465097 | 5.27 | 6.32 | |
| Vis A Tete Bombee Torx 3x10 | ||||
| 48 | 2603490017 | 1.90 | 2.28 | |
| Rondelle De Compensation | ||||
| 49 | 2600150004 | 1.90 | 2.28 | |
| Rondelle D’ajustage 0,3 MM | ||||
| 50 | 2600101027 | 1.32 | 1.58 | |
| Rondelle D’ajustage 0,2 MM | ||||
| 50 | 2600101665 | 1.32 | 1.58 | |
| Rondelle D’ajustage 0,5 MM | ||||
| 50 | 2600101667 | 1.32 | 1.58 | |
| Cable L=130 MM BLANC | ||||
| 51 | 2604448005 | 1.32 | 1.58 | |
| Conducteur De Terre | ||||
| 52 | 2604448097 | 1.32 | 1.58 | |
| Commutateur | ||||
| 53 | 2607200231 | 13.90 | 16.68 | |
| Anneau de retenue DIN 472-24x1,2 MM | ||||
| 54 | 2916660008 | 1.90 | 2.28 | |
| Rondelle Cuvette | ||||
| 55 | 2600500002 | 1.32 | 1.58 | |
| Rondelle De Feutre | ||||
| 56 | 2600108077 | 1.32 | 1.58 | |
| Fiche Femelle | ||||
| 57 | 2600400008 | 1.32 | 1.58 | |
| Rondelle De Compensation 0,3 MM | ||||
| 61 | 2600100607 | 1.32 | 1.58 | |
| Roulement A Aiguilles Ø6 MM | ||||
| 62 | 2600914010 | 2.52 | 3.02 | |
| Plus disponible, pas de remplacement | ||||
| 63 | 2603435070 | |||
| Plus disponible, pas de remplacement | ||||
| 64 | 2603435071 | |||
| Curseur De Reglage | ||||
| 66 | 2602033006 | 2.52 | 3.02 | |
| Rondelle D’ajustage | ||||
| 68 | 2600100618 | 1.00 | 1.20 | |
| Plus disponible, pas de remplacement | ||||
| 69 | 2602026038 | |||
| Capuchon A Crans D'arret | ||||
| 71 | 2600590006 | 1.32 | 1.58 | |
| Filtre D’antiparasitage L=148 MM NOIR | ||||
| 72 | 2604465086 | 5.27 | 6.32 | |
| Cable De Raccordement L=110 MM BLANC | ||||
| 73 | 2604448146 | 1.32 | 1.58 | |
| Vis A Tete Bombee Torx 4x25 | ||||
| 75 | 2603490024 | 1.32 | 1.58 | |
| Cable De Raccordement L=68 MM BLANC | ||||
| 77 | 2604448100 | 1.00 | 1.20 | |
| Cable De Connexion L=98 MM NOIR | ||||
| 78 | 2604448074 | 1.90 | 2.28 | |
| Anneau élastique | ||||
| 79 | 2604601004 | 1.32 | 1.58 | |
| Etiquette Adhesive | ||||
| 81 | 2601110117 | 1.18 | 1.42 | |
| Garniture Plate | ||||
| 82 | 2601073012 | 1.00 | 1.20 | |
| Poignee Auxiliaire M10 | ||||
| 753 | 1619PB4323 | 8.48 | 10.18 | |
| Ecrou Hex | ||||
| 753/20 | 2915011007 | 1.00 | 1.20 | |
| Vis A Oreilles M6x(15)55 | ||||
| 753/30 | 1613480007 | 1.32 | 1.58 | |
| Plus disponible, pas de remplacement | ||||
| 753/50 | 2608040014 | |||
| Vis A Oreilles M6x20 MM | ||||
| 753/60 | 1613480008 | 1.32 | 1.58 | |
| Pas d'informations disponibles, non commandable | ||||
| 754 | 2603001019 | |||
| Plus disponible, pas de remplacement | ||||
| 756 | 2607000122 | |||
| Mandrin Ø1,5-13 MM, 1/2" | ||||
| 780 | 1608571069 | 22.88 | 27.46 | |
| Vis à tête fraisée M6x23 FILET À GAUCHE | ||||
| 780/30 | 2603421229 | 1.32 | 1.58 | |
| Cle De Mandrin SG2 | ||||
| 780/800 | 2607950007 | 5.96 | 7.15 | |
| Plaque signalétique | ||||
| 808 | 160111A3H3 | 2.18 | 2.62 | |
| Jeu De Balais | ||||
| 810 | 2604321905 | 9.47 | 11.36 | |
| Roulement A Billes Rigide 9x24x7 | ||||
| 814 | 2600905039 | 10.68 | 12.82 | |
| Carter D’engrenages VERT | ||||
| 825 | 2605806987 | 15.71 | 18.85 | |
| Bride Intermediaire | ||||
| 843 | 2605700936 | 49.56 | 59.47 | |
| Arbre Dentele Z= 10/22/29 | ||||
| 859 | 2606100903 | 20.42 | 24.50 | |
| Etiquette Adhesive PERÇAGE/PERÇAGE EN FRAPPE | ||||
| 865 | 2601110076 | 1.18 | 1.42 | |
| Anneau D’arret DIN 6799-4-FSt | ||||
| 867 | 2916080007 | 2.18 | 2.62 | |
| Jeu De Pieces | ||||
| 870 | 2607010226 | 1.18 | 1.42 | |