Vous trouverez ici toutes les pièces et dessins disponibles du 'Bosch 0600811003 ( AHR1000 )'. De là, vous pouvez commander directement toutes les pièces souhaitées. De nombreuses pièces doivent être commandées auprès du fabricant, selon la marque, cela prend une à quatre semaines. Toutes les informations dont nous disposons se trouvent sur notre site Web, nous ne pouvons pas vous conseiller sur ce dont vous avez besoin, pour cela vous devrez retourner la machine pour réparation. Veuillez noter ce qui suit lors de la commande:
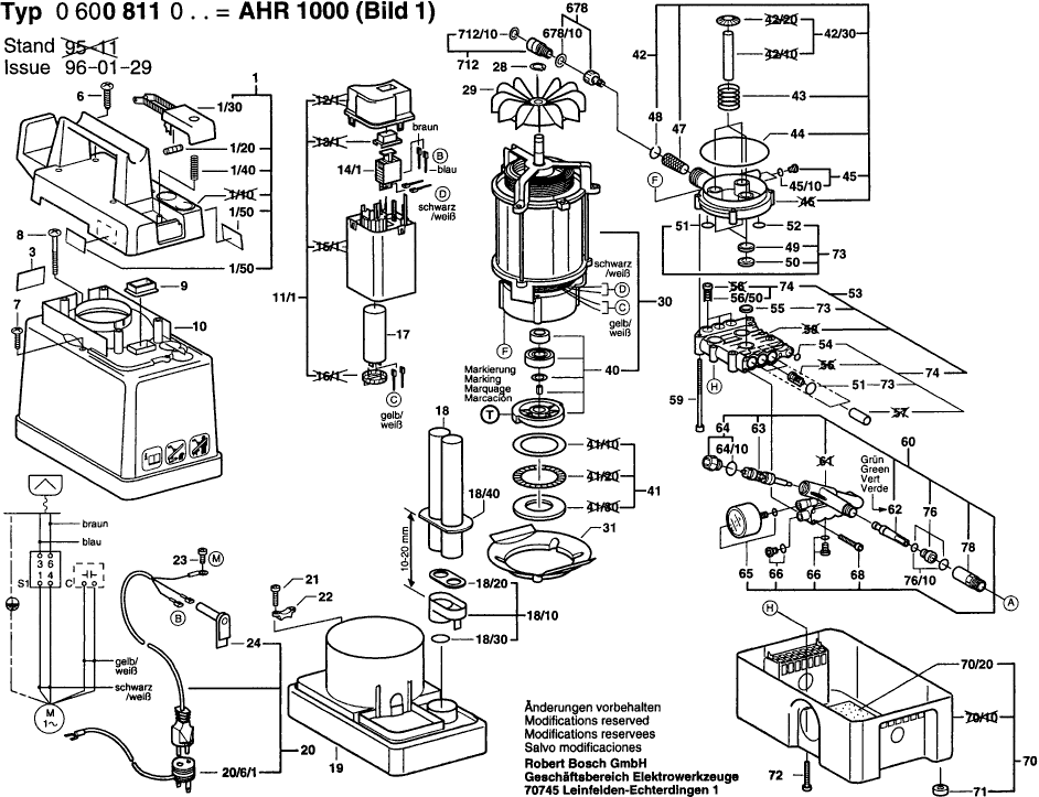
Dessins des Bosch 0600811003 ( AHR1000 )
Liste de pièces de rechange des Bosch 0600811003 ( AHR1000 )
| Pos. | Description | Prix hors TVA | Prix TTC | |
| Les prix affichés incluent la TVA | ||||
| Boitier Superieur | ||||
| 1 | 1609350001 | 44.82 | 53.78 | |
| Rouleau | ||||
| 1/20 | 1609350003 | 7.58 | 9.10 | |
| Bouton-Poussoir | ||||
| 1/30 | 1609350004 | 10.73 | 12.88 | |
| Ressort De Compression | ||||
| 1/40 | 1609350005 | 1.70 | 2.04 | |
| Plaque De Marque | ||||
| 1/50 | 1601110972 | 2.71 | 3.25 | |
| Plaque signalétique | ||||
| 3 | 1601110964 | 2.71 | 3.25 | |
| Vis Tole Tete Ronde Ø6x20 MM | ||||
| 6 | 1609350006 | 1.94 | 2.33 | |
| Vis A Tete Bombee DIN 7985-M5x20-8.8-H | ||||
| 7 | 2910951162 | 4.10 | 4.92 | |
| Vis A Tete Bombee M5x60 MM | ||||
| 8 | 1609350143 | 2.24 | 2.69 | |
| Capuchon D’etancheite | ||||
| 9 | 1609350092 | 3.31 | 3.97 | |
| Carter Intermediaire | ||||
| 10 | 1609350193 | 81.47 | 97.76 | |
| Boitier Superieur | ||||
| 11/1 | 1609350002 | 23.75 | 28.50 | |
| Contact A Pression | ||||
| 14/1 | 1609350194 | 44.82 | 53.78 | |
| Condensateur Pour Moteurs 25uF,50HZ | ||||
| 17 | 1609350015 | 23.75 | 28.50 | |
| Tube En Plastique | ||||
| 18 | 1609350022 | 12.41 | 14.89 | |
| Fixation Pour Tuyau | ||||
| 18/10 | 1609350023 | 12.41 | 14.89 | |
| Joint | ||||
| 18/20 | 1609350178 | 5.83 | 7.00 | |
| Joint Plat | ||||
| 18/30 | 1609350179 | 1.94 | 2.33 | |
| Joint Embouti | ||||
| 18/40 | 1609350180 | 12.41 | 14.89 | |
| Carter Intermediaire | ||||
| 19 | 1609350007 | 20.42 | 24.50 | |
| Câble d alimentation L=5 M | ||||
| 20 | 1609350011 | 73.72 | 88.46 | |
| Vis à Tôle ST Ø3x20 MM | ||||
| 21 | 1609350142 | 1.18 | 1.42 | |
| Serre-Cable | ||||
| 22 | 1609350025 | 1.70 | 2.04 | |
| Vis A Tete Bombee DIN 7985-M5x8-8.8-Z | ||||
| 23 | 2912311150 | 0.83 | 1.00 | |
| Passe-Cables | ||||
| 24 | 1609350166 | 7.58 | 9.10 | |
| Anneau de retenue | ||||
| 28 | 1609350016 | 2.24 | 2.69 | |
| Ventilateur | ||||
| 29 | 1609350017 | 4.10 | 4.92 | |
| Moteur Électrique 230V/50HZ | ||||
| 30 | 1609350202 | 168.86 | 202.63 | |
| Deflecteur | ||||
| 31 | 1609350093 | 3.31 | 3.97 | |
| Kit de reparation 50HZ | ||||
| 40 | 1609350195 | 73.72 | 88.46 | |
| Roulement A Aiguilles Ax | ||||
| 41 | 1609350020 | 26.62 | 31.94 | |
| Bloc-Cylindres | ||||
| 42 | 1609350021 | 81.47 | 97.76 | |
| Jeu De Pieces | ||||
| 42/30 | 1609350309 | 44.82 | 53.78 | |
| Ressort De Compression | ||||
| 43 | 1609350027 | 1.94 | 2.33 | |
| Plus disponible, pas de remplacement | ||||
| 44 | 1609350098 | |||
| Bouchon | ||||
| 45 | 1609350308 | 5.83 | 7.00 | |
| Jeu De Pieces Ø1,78xØ7,66 MM 3 PIÈCES | ||||
| 45/10 | 1609350081 | 5.83 | 7.00 | |
| Tamis De Filtre | ||||
| 47 | 1609350032 | 9.53 | 11.44 | |
| Anneau élastique | ||||
| 48 | 1609350033 | 1.18 | 1.42 | |
| Plus disponible, pas de remplacement | ||||
| 49 | 1609350035 | |||
| Plus disponible, pas de remplacement | ||||
| 50 | 1609350036 | |||
| Plus disponible, pas de remplacement | ||||
| 51 | 1609350038 | |||
| Plus disponible, pas de remplacement | ||||
| 52 | 1609350039 | |||
| Culasse | ||||
| 53 | 1609350028 | 44.82 | 53.78 | |
| Jeu De Pieces Ø1,78xØ11,11 MM 3 PIÈCES | ||||
| 54 | 1609350029 | 1.18 | 1.42 | |
| Plus disponible, pas de remplacement | ||||
| 55 | 1609350037 | |||
| Jeu De Pieces Ø2x10 MM 3 PIÈCES | ||||
| 56/50 | 1609350065 | 1.70 | 2.04 | |
| Vis cyl SixPans Creux CHC DIN 912-M6x65-8.8 | ||||
| 59 | 2910141218 | 2.18 | 2.62 | |
| Carter De Soupape | ||||
| 60 | 1609350196 | 81.47 | 97.76 | |
| Etrangleur VERT | ||||
| 62 | 1609350197 | 5.83 | 7.00 | |
| Modulateur de pression | ||||
| 63 | 1609350063 | 11.88 | 14.26 | |
| Pas d'informations disponibles, non commandable | ||||
| 63/10 | 1609350177 | |||
| Plus disponible, pas de remplacement | ||||
| 64 | 1609350306 | |||
| Jeu De Pieces Ø2,4xØ16,6 MM 3 PIÈCES | ||||
| 64/10 | 1609350140 | 5.33 | 6.40 | |
| Plus disponible, pas de remplacement | ||||
| 65 | 1609350307 | |||
| Pas d'informations disponibles, non commandable | ||||
| 65/10 | 1609350175 | |||
| Bouchon | ||||
| 66 | 1609350308 | 5.83 | 7.00 | |
| Jeu De Pieces Ø1,78xØ7,66 MM 3 PIÈCES | ||||
| 66/10 | 1609350081 | 5.83 | 7.00 | |
| Vis cyl SixPans Creux CHC DIN 912-M6x35-8.8 | ||||
| 68 | 2910141207 | 1.94 | 2.33 | |
| Boitier Inferieur | ||||
| 70 | 1609350041 | 20.42 | 24.50 | |
| Plus disponible, pas de remplacement | ||||
| 70/20 | 1609350068 | |||
| Pied De Corps | ||||
| 71 | 1609350069 | 2.71 | 3.25 | |
| Vis A Tete Bombee DIN 7985-M6x20-8.8-Z | ||||
| 72 | 2912311201 | 1.18 | 1.42 | |
| Plus disponible, pas de remplacement | ||||
| 73 | 1609350044 | |||
| Kit de reparation | ||||
| 74 | 1609350045 | 18.19 | 21.83 | |
| Douille D’etancheite | ||||
| 76 | 1609350066 | 4.70 | 5.64 | |
| Jeu De Pieces Ø2x10 MM 3 PIÈCES | ||||
| 76/10 | 1609350065 | 1.70 | 2.04 | |
| Tubulure D’arrivee | ||||
| 78 | 1609350067 | 18.19 | 21.83 | |
| Poignee | ||||
| 650 | 1609350199 | 148.65 | 178.38 | |
| Tuyau De Jointure | ||||
| 650/12 | 1609350089 | 73.72 | 88.46 | |
| Vis à Tôle ST Ø3x20 MM | ||||
| 650/15 | 1609350142 | 1.18 | 1.42 | |
| Tuyau En Matiere Plastiq L=9 M, MAX. 150 BAR | ||||
| 650/18 | 1609350504 | 91.56 | 109.87 | |
| Jeu De Pieces Ø2xØ11 MM 3 PIÈCES | ||||
| 650/18/12 | 1609350074 | 7.58 | 9.10 | |
| Plus disponible, pas de remplacement | ||||
| 650/18/17 | 1609350078 | |||
| Kit de reparation | ||||
| 650/19 | 1609350080 | 7.58 | 9.10 | |
| Jeu De Pieces | ||||
| 650/20 | 1609350176 | 15.71 | 18.85 | |
| Plus disponible, pas de remplacement | ||||
| 650/40 | 1609350198 | |||
| Buse Nettoyeur Hp ROUGE | ||||
| 651 | 1609350186 | 81.47 | 97.76 | |
| Ecrou-Raccord D'injecteur | ||||
| 651/10 | 1609350145 | 13.93 | 16.72 | |
| Plus disponible, pas de remplacement | ||||
| 651/11 | 1609350078 | |||
| Jeu De Pieces Ø2,0xØ18,0 MM 3 PIÈCES | ||||
| 651/20 | 1609350182 | 7.58 | 9.10 | |
| Jeu De Pieces Ø1,78xØ18,77 MM 3 PIÈCES | ||||
| 651/30 | 1609350181 | 7.58 | 9.10 | |
| KIT DE PULVERISATION | ||||
| 652 | 1609350047 | 29.75 | 35.70 | |
| Buse A Un Orifice | ||||
| 652/10 | 1609350104 | 1.18 | 1.42 | |
| Plus disponible, pas de remplacement | ||||
| 652/60 | 1609350078 | |||
| Jeu De Pieces | ||||
| 652/90 | 1609350115 | 18.19 | 21.83 | |
| Aiguille De Nettoyage | ||||
| 653 | 1609350124 | 7.58 | 9.10 | |
| Pas d'informations disponibles, non commandable | ||||
| 676 | 1609350049 | |||
| Garniture Plate Ø15xØ24x3=3/4" | ||||
| 676/76 | 1609351002 | 1.94 | 2.33 | |
| Pas d'informations disponibles, non commandable | ||||
| 676/77 | 1609350070 | |||
| Plus disponible, pas de remplacement | ||||
| 678 | 0600800001 | |||
| Garniture Plate Ø15xØ24x4,5=3/4" | ||||
| 678/10 | 1609351029 | 1.00 | 1.20 | |
| Plus disponible, pas de remplacement | ||||
| 700 | 2609200276 | |||
| Plus disponible, pas de remplacement | ||||
| 700/10 | 1609350078 | |||
| Plus disponible, pas de remplacement | ||||
| 701 | 1609350187 | |||
| Support-Buse | ||||
| 701/10 | 1609350190 | 91.56 | 109.87 | |
| Plus disponible, pas de remplacement | ||||
| 701/11 | 1609350191 | |||
| Tuyau De Jointure | ||||
| 701/12 | 1609350090 | 130.32 | 156.38 | |
| Plus disponible, pas de remplacement | ||||
| 701/13 | 1609350078 | |||
| Jeu De Pieces Ø2xØ37 MM 3 PIÈCES | ||||
| 701/20 | 1609350084 | 7.58 | 9.10 | |
| Jeu De Pièces Ø1,78xØ34,65 MM 3 PIÈCES | ||||
| 701/30 | 1609350184 | 12.41 | 14.89 | |
| Plus disponible, pas de remplacement | ||||
| 702 | 1609350053 | |||
| Plus disponible, pas de remplacement | ||||
| 702/80 | 1609350078 | |||
| Plus disponible, pas de remplacement | ||||
| 703 | 1609350156 | |||
| Garniture Plate Ø15xØ24x3=3/4" | ||||
| 703/20 | 1609351002 | 1.94 | 2.33 | |
| Adaptateur | ||||
| 703/30 | 1609350159 | 5.83 | 7.00 | |
| Plus disponible, pas de remplacement | ||||
| 703/40 | 1609350078 | |||
| Plus disponible, pas de remplacement | ||||
| 704 | 1609350126 | |||
| Garniture Plate Ø15xØ24x3=3/4" | ||||
| 704/20 | 1609351002 | 1.94 | 2.33 | |
| Articulation | ||||
| 704/30 | 1609351014 | 17.60 | 21.12 | |
| Adaptateur | ||||
| 704/40 | 1609350159 | 5.83 | 7.00 | |
| Plus disponible, pas de remplacement | ||||
| 704/50 | 1609350078 | |||
| Plus disponible, pas de remplacement | ||||
| 705 | 1609350054 | |||
| Plus disponible, pas de remplacement | ||||
| 705/1 | 1609350055 | |||
| Buse Pour Tuyau | ||||
| 705/10 | 1609350137 | 49.56 | 59.47 | |
| Jeu De Pieces Ø1,6xØ10 MM 3 PIÈCES | ||||
| 705/20 | 1609350088 | 1.18 | 1.42 | |
| Plus disponible, pas de remplacement | ||||
| 705/60 | 1609350078 | |||
| Plus disponible, pas de remplacement | ||||
| 706 | 1609350056 | |||
| Plus disponible, pas de remplacement | ||||
| 706/60 | 1609350078 | |||
| Plus disponible, pas de remplacement | ||||
| 707 | 1609350057 | |||
| Ecrou-Raccord D'injecteur | ||||
| 707/10 | 1609350136 | 2.24 | 2.69 | |
| Plus disponible, pas de remplacement | ||||
| 707/60 | 1609350078 | |||
| Plus disponible, pas de remplacement | ||||
| 708 | 1609350119 | |||
| Vis De Serrage | ||||
| 708/10 | 1609350120 | 10.73 | 12.88 | |
| Piece De Serrage | ||||
| 708/20 | 1609350121 | 7.58 | 9.10 | |
| Roue | ||||
| 708/30 | 1609350122 | 11.88 | 14.26 | |
| Capuchon De Fermeture | ||||
| 708/40 | 1609350123 | 1.94 | 2.33 | |
| Plus disponible, pas de remplacement | ||||
| 709 | 1609350188 | |||
| Porte-Injecteur | ||||
| 709/10 | 1609350146 | 7.58 | 9.10 | |
| Manchon D'aspiration | ||||
| 709/11 | 1609350135 | 36.85 | 44.22 | |
| Tuyau De Jointure | ||||
| 709/12 | 1609350192 | 33.45 | 40.14 | |
| Plus disponible, pas de remplacement | ||||
| 709/13 | 1609350078 | |||
| Vis A Tete Bombee DIN 7985-M4x20-8.8-Z | ||||
| 709/20 | 2912311130 | 11.88 | 14.26 | |
| Ecrou Hex DIN 934 -M4-m-8 | ||||
| 709/30 | 2915011005 | 1.00 | 1.20 | |
| Vis à Tôle DIN7981-ST2,9x9,5C-Z | ||||
| 709/40 | 2912401005 | 1.00 | 1.20 | |
| Buse | ||||
| 709/50 | 1609350134 | 18.19 | 21.83 | |
| Jeu De Pieces Ø2xØ11 MM 3 PIÈCES | ||||
| 709/60 | 1609350074 | 7.58 | 9.10 | |
| Chariot Pour Accessoires | ||||
| 710 | 2608005050 | 0.83 | 1.00 | |
| Vis cyl SixPans Creux CHC DIN 912-M6x25-8.8 | ||||
| 710/40 | 2910141203 | 1.32 | 1.58 | |
| Ecrou A Oreilles DIN 1709 BM 6 VERZINKT | ||||
| 710/50 | 2915191106 | 1.18 | 1.42 | |
| Roue Ø200 MM | ||||
| 710/60 | 1609351088 | 10.68 | 12.82 | |
| Plus disponible, pas de remplacement | ||||
| 711 | 1609350128 | |||
| Jeu De Pieces Ø2x10 MM 3 PIÈCES | ||||
| 711/10/10 | 1609350065 | 1.70 | 2.04 | |
| Kit de reparation | ||||
| 711/20 | 1609350169 | 12.41 | 14.89 | |
| Unite De Dosage | ||||
| 711/30 | 1609350170 | 12.41 | 14.89 | |
| Tuyau | ||||
| 711/40 | 1609350171 | 9.53 | 11.44 | |
| Collier Pour Tuyau Souple | ||||
| 711/50 | 1609350172 | 2.71 | 3.25 | |
| Plus disponible, pas de remplacement | ||||
| 712 | 1609350060 | |||
| Garniture Plate Ø15xØ24x3=3/4" | ||||
| 712/10 | 1609351002 | 1.94 | 2.33 | |
| Plus disponible, pas de remplacement | ||||
| 713 | 1609350153 | |||
| Plus disponible, pas de remplacement | ||||
| 714 | 1609350155 | |||
| Plus disponible, pas de remplacement | ||||
| 715 | 1609350161 | |||
| Plus disponible, pas de remplacement | ||||
| 716 | 1609350162 | |||
| Plus disponible, pas de remplacement | ||||
| 717 | 1609350164 | |||
| Plus disponible, pas de remplacement | ||||
| 717/60 | 1609350078 | |||